Dr.Godfried-Willem RAES
Kursus Experimentele Muziek: Boekdeel 2: Live Electronics
Hogeschool Gent : Departement Muziek & Drama
INTERFACING
Interfacing noemen we die technische en wetenschappelijke aktiviteit die zich bezig houdt met het aaneen koppelen van informatieverwerkende systemen.
Het feit dat we over input-devices beschikken volstaat immers op zich in genendele om die ook binnen een interaktief systeem te kunnen aanwenden. De door het input-device , de sensor, geleverde informatie dient eerst in een vorm te worden gebracht die door het informatieverwerkende toestel wordt aanvaard. Digitale komputers bvb. aanvaarden uit de buitenwereld afkomstige gegevens slechts voor verwerking en opslag , wanneer deze in een zuiver binaire vorm afgebeeld op een elektrisch substraat in de vorm van bvb. 0V en 5 Volt worden aangeboden.
De overdracht van informatie tussen informatiesystemen kan in het algemeen op twee manieren geschieden:
1 - . volledig parallel
Alle bits staan op hetzelfde ogenblik ter beschikking van het verwerkende toestel.
2 - . volledig serieel
Alle bits worden in een bepaalde volgorde als een treintje aan het werkende toestel toegestuurd.
a. synchroon
b. asynchroon
Praktische vormen:
1.- bit-parallel / byte serieel
bit-parallel / word serieel
vb.: Centronics, IEEE-bus
Hierbij worden 8 (een byte) , 16 (een word) , 32 of hooguit 64 bits over evenveel signalendraden parallel tussen interface en verwerkende komputer verstuurd. Het meest courant , niet in het minst omwille van het anders toch wat al te grote aantal nodige draden, is het 8-bits parallel datatransport. Naast de 8 draden voor het byte-transport, zijn er nog minstens een , en meestal een drietal , verbindingen nodig om de synchronisatie tussen zender en ontvanger te verzorgen. Deze extra lijnen noemt men 'handshake' lijnen. Een lijn geeft aan - uiteraard ook weer via een 1 bit signaal - of er data over de parallel verbinding staan ( bvb. een 'strobe' signaal). Een tweede lijn, waarbij het datatransport in de andere richting gaat, laat dan aan het zendende toestel weten, of het aangeboden byte al dan niet goed werd ontvangen. Een eventuele derde lijn , kan aangeven of het ontvangende toestel al dan niet klaar is om een nieuw byte te ontvangen. Verder mogelijke kontrole lijnen kunnen bvb. de richting van het datatransport bepalen, storingen melden ...

2.- asynchroon
vb.: RS232, Midi, ISDN
Hierbij worden alle bits als een treintje verzonden. Daartoe zijn echter heel wat 'afspraken' nodig tussen zender en ontvanger. Het geheel van deze afspraken noemt men het 'protokol'. Voor het eigenlijke seriele bit-transport volstaat in principe 1 enkele draad + 'massa'. Maar, ook hier zorden in de praktijk bijna steeds heel wat zgn. 'handshake' lijnen toegepast, waarvan de funkties overeenkomen met die in een parallelle verbinding. Het protokol dient o.m. heel precies te bepalen:
- aan welke snelheid de data verstuurd zullen worden. Dit noemt men de Baud-rate. Gebruikelijke waarden zijn 300 Baud, 600 Baud, 1200 Baud, 2400 Baud , 9600 Baud.
- het aantal bits waaruit een datapakket zal bestaan. (7 bits , 8 bits , 16 bits , 18 bits , 24 bits).
- het aantal startbits (1 of 2)
- het aantal stopbits (1 of 2)
- de betekenis van Mark en Space (dit zijn de 'seriele' termen voor logisch 1 en logisch nul). Mark, is bij het RS232 systeem steeds een negatieve spanning, Space, een positieve.
- de spanningsnivoos die zullen worden gebruikt voor het bittransport. (+12 en -12 Volt bvb.)
- de maximale stroom door de verbinding.
Men noemt de verbinding asynchroon omdat zender en ontvanger elk men een onafhankelijke - niet gesynchroniseerde - klok werken. Het zenden en ontvangen wordt na ontvangst van elk 'byte' of 'woord' aan de hand van het start-bit opnieuw gesynchroniseerd.
Geen verbinding is in de praktijk echter zo ergerlijk en problematisch als de zogenaamd gestandaardiseerde 'RS232' of 'RS432' seriele verbinding. Een kabelverbinding die een redelijke kans geeft op sukses bij een aan elkaar aansluiten van twee verschillende komputers is de zogenaamde 'NUL-MODEM' verbinding.

De afkortingen bij de signaalverbindingen staan voor :
Vergelijken we dit met de noodzakelijke verbindingen in midi-kabels, dat lijken deze laatste wel alle toppen van eenvoud en inzichtelijkheid te scheren...
|
MIDI OUT 5polig DIN 180gr. |
|
MIDI IN 5polig DIN 180gr. |
|
|
Pin 1 |
-- not used -- |
Pin 1 |
|
|
Pin 2 |
-------common ground------ |
Pin 2 |
niet strikt nodig |
|
Pin 3 |
--- not used |
Pin 3 |
|
|
Pin4 |
Doorverbonden met |
Pin 4 |
|
|
Pin 5 |
Doorverbonden met |
Pin 5 |
|
Wel zijn er bij midi voor bidirectionele verbindingen natuurlijk twee kabels -overigens identieke- nodig! Verwar ze echter niet met gewone DIN- audio-kabels die intern vaak anders zijn bedraad hoewel van dezelfde stekkers gebruik maken.
3.- synchroon
vb.: netwerken - Ethernet e.d.
Dit systeem vergt kwa protokol evenveel afspraken als het voorgaande, maar alle kommunikatie verloopt daarbij gestuurd vanuit eenzelfde centraal kloksignaal. Hierdoor is een veel hogere transmissiesnelheid haalbaar dan met een asynchroon systeem. Uiteraard is er hier echter een draad nodig voor het gemeenschappelijke kloksignaal, tenzij het signaal op een periodieke draaggolf wordt gesuperponeerd. Dit laatste is steeds het geval bij netwerken via thin-ethernet 50Ohm coaxiale kabel evenals bij twisted pair kablering.
Alvorens we evenwel een signaal afkomstig van een of andere sensor echter naar een verwerkend toestel kunnen voeren , dienen we het eerst te optimaliseren. Storende elementen dienen eruit te worden verwijderd. Deze eerste stap noemt men 'signal conditioning'. Enkele eenvoudige hardware technieken hiervoor zullen we in deze les bespreken.
1. Kontaktdenderonderdrukking (contact-debouncing)
Kontaktdender noemt men het onvermijdelijke verschijnsel waardoor elke denkbare schakelaar, wanneer hij geopend of gesloten wordt, 'dendert' , d.w.z. een korte reeks aan-uit-aan-uit toestanden doormaakt vooraleer hij definitief in zijn eindstand terecht komt. Hieruit ontstaat dan ook een 'gestoord' of 'verontreinigd' signaal. Het fenomeen heeft enerzijds een wiskundig/fysische oorzaak, anderzijds een mechanische. Dit laatste, omdat kwasi alle schakelaars met veren zijn uitgerust en omdat elke 'botsing' steeds een zekere mate van elasticiteit kent. Het eerste omdat een schakelaar die een trajekt zou afleggen in een tijd gelijk aan 0, ondenkbaar is.
Remedies hiertegen zijn o.m. :
1. de monoflop- schakeling
Dit is een eenvoudige elektronische schakeling die op de eerste puls die het ontvangt, reageert met een uitgangspuls van welbepaalde lengte , en die gedurende die tijd verder ongevoelig is voor elke ontvangen extra puls. Uiteraard werkt de schakeling slechts goed wanneer we ze zo dimensioneren dat de uitgangspuls minstens langer is dan de langst mogelijke 'dender-tijd' van de schakelaar. De schakeling wordt ook vaak een ' one-shot' genoemd.
Praktisch bruikbare chips in deze toepassing :
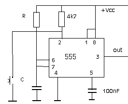
555 - linear timer (C-mos uitvoering: 7555)
74121 - TTL monoflop
74221 en 74123 - 2 monoflops in 1 chip
Ook flip-flops of bistabiele multivibrators kunnen worden gebruikt en hebben voordelen omdat er tweepolige keuzeschakelaars mee opgebouwd kunnen worden evenals schakelaars met' geheugen', dwz. schakelaars die met een puls van positie kunnen omschakelen.
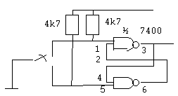
Eenvoudige NAND-poorten kunnen hiervoor worden gebruikt , zoals bvb.:
7400, 7401
2. Schmitt-Trigger
Dit is een schakeling die minder goed gedefinieerde 0 en 1 nivos omzet in goed gedefinieerde, en daareenboven een ingebouwde 'hysteresis' (traagheid) bezit, waardoor dender kan worden onderdrukt.
Praktisch bruikbare chips in deze toepassing :
7414 - 6 inverterende Schmitt-triggers in een enkele chip.(TTL)
Er bestaan ook speciale chips die voor kontaktdenderonderdrukking kunnen worden gebruikt. Een typisch voorbeeld is de DM8544 quadruple switch debouncer van National Monolitics.
Schakelvoorbeeld met NAND-poort in TTL:

Schakelvoorbeeld met de 555-timerchip:

2. Timing conditioners
Dit zijn schakelingen die de tijdsduur van een signaal bewerken. Zij kunnen de duur van een puls verlengen of verkorten, zij kunnen een signaalovergang omzetten in een puls ... De duur van de puls is daarbij nauwkeurig instelbaar (Het bereik voor de 555 is 1 microsekonde tot minuten, TTL monoflops dekken het bereik 20ns - 1 ms). Ook in deze funktie kan de eerder besproken monoflop-schakeling , naast de zgn. flip-flop schakeling worden gebruikt.
Praktisch bruikbare monoflop-chips in deze toepassing:
555
556 - 2 555's in 1 chip
flip-flop chips:
7473 - 2 in 1 chip
7474 - 2 in 1 chip
74112
74113
3. Komparators
3.1. level-comparators
Dit zijn schakelingen die een veranderende signaalwaarde (meestal een analoge veranderlijke) doorlopend vergelijken met een (instelbaar) vast referentienivoo, of met een tweede veranderlijke. Aan de uitgang verschijnt steevast een puls die logisch1 is wanneer het ene signaal groter is dan het andere , en 0 in het omgekeerde geval.
Praktisch bruikbare chips in deze toepassingen:
LM311
LM393 - 2 in 1 chip
NE529

3.2. Zero-cross detectors (nul-doorgangs-detektoren)
Dit is eigenlijk een bijzondere toepassing van de vorige schakeling. Hierbij wordt het referentie-nivo van een komparator ingesteld op 0 Volt (massa-nivo) , terwijl aan de meetingang een wisselspanning wordt aangeboden. De schakeling zal telkens wanneer de wisselspanning een 'nuldoorgang' maakt , een puls afgeven. Dit soort schakeling wordt steeds gebruikt wanneer we van een signaal de frekwentie wensen te isoleren. Na deze schakeling volgt dan eenvoudigweg een teller (het aantal nul-doorgangen van het signaal wordt geteld), waarvan we de frekwentie rechtstreeks kunnen aflezen of verwerken.
Praktisch bruikbare chips in deze toepassing :
LM311, LF311, CMP02

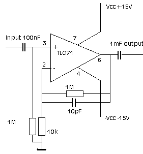
4. Versterkers
Dit zijn intern komplekse maar voor de gebruiker erg eenvoudige schakelingen waarin zgn. 'op-amps' (operationele versterkers in chip-vorm) worden toegepast om signalen die te zwak zijn voor verwerking, eerst tot een behoorlijk nivo op te krikken.( bvb. tot 0dB, of, tot 10Volt)
Een eerste inleiding in de techniek van (audio)versterkers is weer te vinden in het hoofdstuk over audiotechnologie, hoofdstuk 4. evenals in ditzelfde boekdeel: opampvoorversterkers.
Praktisch bruikbare chips in deze toepassing :
Voorbeeldschakeling: Voorversterker 40dB

5. Filters
Dit zijn hetzij 'passieve' , hetzij 'aktieve' schakelingen waarmee bepaalde frekwentiegebieden uit een ingangssignaal kunnen worden weggedrukt, naar voor gehaald, ...
Passieve filters noemt men filters die uitsluitend gebruik maken van komponenten die het signaal niet versterken en die zelf geen energiebron nodig hebben. Meestal betreft het hier schakelingen opgebouwd uit weerstanden , kondensatoren en spoelen. Aktieve filters daareentegen bevatten energieopnemende komponenten zoals transistoren , FETS, Op-Amps ...
Onder de filters maakt men een onderscheid tussen volgende funktionele kategorien:
- Low-pass filters
- High-pass filters
- Band-pass filters
- Band-reject filters
- Kam-filters ( Comb-filters)
- resonantiefilters
Deze types kunnen zowel aktief als passief worden gebouwd. Filters hebben eigenschappen zoals afsnij-frekwentie, doorlaat-frekwentie, frekwentiebandbreedte, steilheid , faseverloop ... eigenschappen die volledig door de ontwerper kunnen worden vastgelegd en berekend. Het ontwerpen van filters en het bepalen van hun diverse karakteristieken behoort tot een van de allermoeilijkste en meest wiskundige takken van de elektronika. Het is meestal eenvoudiger en vaak even efficient, een testschakeling op te bouwen en daarvan dan met eenvoudige apparatuur (oscilloskoop, audiogenerator en digitale voltmeter) een karakteristieke kurve op te tekenen. We zullen in onze bespreking ervan dan ook wat vereenvoudigen en ons richten op praktische realisaties.
Voor de berekening van eenvoudige filterschakeling (2e tot 8e orde butterworth low-pass en highpass in Pi en T konfiguraties) gebruikmakend van passieve komponenten schreven we een basic programma: FILTERS.BAS
Enkele schakelvoorbeelden voor passieve filters :

Een handige praktische toepassing:

Meer over filters en hun berekening (+ software daarvoor).
6. Phase Locked Loops
Dit zijn schakelingen die wanneer een ingangssignaal binnen een instelbaar frekwentiegebied valt, 'inlocken' op deze frekwentie, en het signaal daarin 'volgen' zolang het tenminste binnen het bereik valt. Aan hun uitgang leveren deze schakelingen enerzijds een signaal dat de frekwentie van het ingangssignaal weerspiegelt, en anderzijds een signaal dat de afwijking van dat ingangssignaal ten opzichte van het ingestelde frekwentiegebied , weerspiegelt. Ze worden ook vaak in funktie van een specifieke toepassing , als tone-decoders, in chip-vorm aangeboden. Voor dit soort chips bestaat een enorme markt, want ze worden o.m. gebruikt als vervanging van de kiesschijf in moderne telefoontoestellen. Moderne telefoons werken immers met een toonhoogtesysteem voor het selekteren van nummers en verbindingen.
Praktische chips die in deze toepassing kunnen worden gebruikt:
556, XR2211 ,SSI202P
7. Demodulators
7.1. AM
Amplitude-demodulatie: uit een signaal met een bepaalde en meestal vaste frekwentie, wordt die frekwentie weggehaald en blijft alleen de veranderende dynamiek (intensiteit) als signaal over. Dit is het principe waarop alle middengolfontvangers berusten. In principe kan voor een dergelijke schakeling worden volstaan met een diode en een kondensator, eventueel voorafgegaan door een resonantiekring.
De uit de synthesizers bekende 'enveloppe follower' is eigenlijk niets anders dan een AM-demodulator.

7.2. FM
Frekwentiedemodulatie: uit een signaal waarvan de frekwentieveranderingen drager zijn van de gewenste informatie, worden deze in de vorm van een analoge of digitale spanningsreeks geisoleerd . De klassieke schakeling die dit bewerkstelligt noemt men de 'Foster-Seeley' schakeling. Om deze op te bouwen zijn echter spoelen nodig, en dat zijn nu eenmaal bij elektronici niet erg geliefde komponenten. Voor laagfrekwente toepassingen hebben we gelukkig een ruime keus aan chips (multipliers) die ons toelaten eenzelfde funktie te implementeren.
Praktisch bruikbare chips in deze toepassing:
AD532, AD633JN, MPY534
Uiteraard zijn er nog onnoemelijk vele andere schakelingen die hierbij zouden kunnen worden aangehaald, maar ik meen dat dit als basis ruimschoots volstaat. Wie veel belangstelling heeft voor dit onderwerp kan ik stellig aanbevelen zich te verdiepen in de application notes en componenten handboeken die jaarlijks door de belangrijkste chip-fabrikanten worden uitgegeven ten behoeve van de elektronische industrie. Leuk en inspirerend speelgoed!
3.: Interfacing:
Wanneer het signaal van alle niet relevante elementen ontdaan is (opgepoetst is), met behulp van een of meer hiervoor genoemde schakelingen, dan pas kan het naar een interface-schakeling worden gevoerd, die het geschikt maakt voor direkte verwerking door een digitale of analoge machine.
Volgende interfaces behoren tot de meest koerante die we in de technologie - in chipvorm - aantreffen:
1. Counters (Tellers) <Counters>
2. Latches en buffergeheugens <Latches>
3. FIFO's (First in First Out schuifregisters)
4. DAC's (Digital to Analog convertors) <DAC's>
5. ADC's (Analog to Digital convertors)
6. UART's - USART's (Universal Asynchronous Receiver and Transmitter) (Universal Softwareprogrammable Asynchronous Receiver and Transmitter) <UART>
7. PIA's (Periferal Interface Adapters)
8. PIO's (Parallel Input / Output controller chips)
9. FVC's (Frequency to Voltage convertors)
10.VFC's en VCO's (Voltage to frequency convertors) (Voltage controlled oscillators)
11.VCA's - DCA's (Voltage controlled amplifiers) (Digitally controlled amplifiers)
12.VCF's - DCF's (Voltage controlled filters) (Digitally controlled filters)
Eerder dan er algemene teorie over te geven -iets waarvoor trouwens bij de meeste studenten de noodzakelijke wiskundige basis ontbreekt- , gaan we pogen aan de hand van telkens een of meer praktische toepassingsvoorbeelden enkele van deze interface-technieken waaraan muzikaal/organologisch bruikbare perspektieven vastzitten, in volgende hoofdstukken, en in het kader van praktische toepassingen aan bod te laten komen. Gelukkig is het heel goed mogelijk om binnen de elektronika een goed nivo te bereiken en heel wat praktische resultaten te behalen, zonder grondige wiskundig analytische kennis. Wel zullen we dan genoegen moeten nemen met een pragmatische aanpak en in heel wat gevallen ons moeten beperken tot een 'black-box approach'. De vele data- en application handbooks (tegenwoordig veelal op internet te vinden) van de fabrikanten van de diverse elektronische onderdelen zullen ons daarbij een helpende hand toesteken..
Filedate:840327/9709/2003-09-16
|
Terug naar inhoudstafel kursus: <Index Kursus> |
Naar homepage dr.Godfried-Willem RAES |