Dr.Godfried-Willem RAES
Kursus Experimentele Muziek: Boekdeel 2: Live electronics
Hogeschool Gent : Departement Muziek & Drama
| <Terug naar inhoudstafel kursus> | <Naar frekwentiemeting> | <Naar delers> |
2040:
TIJDSINTERVALMETING & PULSGENERATIE
Toepassing:
Definities:
Chronometer: een chronometer is een toestel waarmee de tijd kan worden gemeten die verlopen is tussen twee signalen. ( Start en Stop )
Timer : een timer is een toestel dat een signaal afgeeft na een bepaalde en vaak instelbare tijd, en dat dit tijdsinterval laat ingaan na ontvangst van een startsignaal.
Sequencer: Een sequencer is een elektronische schakeling - of een een dergelijke schakeling imiterend stuk software - die ons toelaat op instelbare tijdstippen een lineaire reeks pulsen/spanningen op te wekken.
Voorbeeld 1 : meten van de tijd tussen twee ontvangen pulsen (chronometer)
Nodige input signalen : startpuls, stoppuls
Gewenste output : numerieke waarde
Na het ontvangen van een startpuls, telt de teller het aantal pulsen van een vaste klok. Bij het ontvangen van een stoppuls, wordt de tellerstand in een tussengeheugen geplaatst en kan hij uitgelezen worden. Dergelijke schakelingen kunnen eenvoudig worden opgebouwd omdat er een grote keuze aan chips beschikbaar is op de markt waarin alle nodige funkties werden geintegreerd.
Een schakelvoorbeeld , waarbij gebruik gemaakt wordt van de TTL tellerchip 74269 werd uitgewerkt in figuur 2040/1. In deze schakeling werd gebruik gemaakt van de mogelijkheid die de chip biedt om bij het bereiken van een bepaalde tellerstand een puls uit te sturen ( TC signaal). Om deze tellerstand instelbaar te maken zijn we bij het ontwerpen van de schakeling uitgegaan van de allereenvoudigste oplossing, namelijk het instellen van de voorinstelwaarde van de teller via 8 zgn. DIL-switches. Hiermee kan een byte in binaire vorm worden ingesteld. Uiteraard kan dit byte in een meer gesofistikeerde schakeling ook eenvoudig door een komputer worden geleverd , via een uitgangspoort. De tellerstand verschijnt aan de uitgang van de schakeling eveneens in de vorm van een byte.
Voorts kan de teller zowel omhoog teller ( van 0 af ) als omlaag. In dit laatste geval begint hij af te tellen vanaf de vooringestelde waarde tot 0 . Verder kan de laatst bereikte tellerstand op de uitgang worden vastgehouden, met behulp van de HOLD/COUNT schakelaar. Het enige externe onderdeel of de enige extern toe te voegen schakeling betreft de generator voor het kloksignaal. Met de hier voorgestelde chip mag de frekwentie daarvan niet groter zijn dan ca. 100 Megaherz. Aan het minimum is geen beperking verbonden. Alle teloperaties gebeuren synchroon op de stijgende flank van het clocksignaal. De frekwentie van de klok moet groter zijn die die van de te verwachten start en stop signalen.
Het zal duidelijk zijn dat we wanneer we een clock signaal gebruiken met een frekwentie van 1 Hz ( 1 puls per sekonde ) , we direkt een kronometer/timer bekomen die tijdsduren tot en met 255 * 1s = 4 minuten en 15 sekonden kan meten.

Uiteraard kan een tijdsverloop ook op een niet-digitale wijze wijze worden gemeten. Dit is vooral nuttig wanneer we niet zozeer behoefte hebben aan een direkt verwerkbare numerieke waarde, maar wel aan een bruikbaar en analoog met de tijd verlopend signaal. Een van de meest toegepaste principes voor analoge tijdsmeting in de elektronika berust op het feit dat de spanning over een aanvankelijke volledig ontladen kondensator , wanneer we die via een weerstand laden, een bijna perfekte lineaire funktie is van de verstreken tijd. Daarom spreekt men in de elektronika ook van de tijdkonstante van een RC ( weerstand-kondensator) kring. ( T= 2 * Pi * R * C ). Is de spanning over de kondensator een signaal dat evenredig is met de verstreken tijd, dan betekent dit echter nog niet dat we het als dusdanig ook zouden kunnen gebruiken. Immers , zouden we dit signaal zomaar van de kondensator aftakken, dan zou deze zijn lading via deze aftakking verliezen, wat uiteraard onze meting zou beinvloeden zoniet onmogelijk maken. De spanning over de kondensator dient dan ook via een speciale uiterst hoogohmige buffer-versterker tot een bruikbaar signaal te worden omgevormd. Hiermee is de kous echter nog niet helemaal af, want, zouden we de schakeling op die manier opbouwen dan zouden we slechts een enkele meting kunnen uitvoeren. Dan immers zou de kondensator volgeladen zijn en kan zijn spanning niet verder stijgen. Om een nieuwe meting te kunnen verrichten dient dan ook eerst de kondensator weer helemaal - via een tijdelijke kortsluiting- te worden ontladen. Het aanzetten van de laadstroom komt overeen met de startpuls uit de digitale schakeling, terwijl het uitlezen gevolgd door het 'resetten' van de schakeling overeenkomt met de stop-puls.
Het principe schema kan eruitzien alsvolgt:

Het zal duidelijk zijn dat we hierbij beide schakelaars door een enkele schakelaar (een terugverend exemplaar dan wel), nml. de reset kunnen vervangen. Immers na elke reset begint het laadproces automatisch opnieuw :

In de praktijk wordt dit soort schakeling meer nog omgekeerd toegepast, namelijk in die gevallen waarbij men na een instelbare tijd een puls wil kunnen genereren, m.a.w. als timer. Een van de meest verspreide chips voor dit doel is de 555 analoge timer chip.
Deze chip kan beslist gerekend worden tot de meest populaire in allerhande artistieke , muzikale zowel als skulpturaal- kinetische, projekten. Hij kan immers ingezet worden voor tijden varierend tussen enkele minuten en ca. 10^-5s. Bovendien kan hij heel eenvoudig ook als oscillator worden gebruikt , waarbij we dan telkens wanneer de pulstijd verstreken is, automatisch een nieuwe triggerpuls toevoeren. Bovendien beschikt de chip over de mogelijkheid de opgewekte frekwentie te moduleren. Daarom geven we enkele voorbeeldschakelingen met de formules die nodig zijn om ze naar eigen behoeften te fatsoeneren. Aan de toepassingen van deze 555 chips zijn zelfs verschillende boeken gewijd ! (cfr. ook onze pulse generator in paragraaf 2031.html)
enkele 555 schakelingen:
Monostabiele multivibrator:
Deze schakeling levert een enkele puls na triggering.

Astabiele multivibrator:
Deze schakeling genereert een blokgolf met instelbare duty cycle

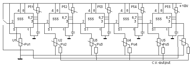
Voorbeeld 2 : Sequencer
Elektronisch bekeken is een sequencer de eenvoud zelve, aangezien hij kan worden opgebouwd door simpele aaneenschakeling van een hele reeks timers, waarbij de uitgangspuls van de ene timer telkens het startsein is voor de volgende timer. Er dienen evenveel timers te worden gebruikt , als we stapjes wensen in onze sekwentiele reeks gebeurtenissen.
Wie een dergelijke schakeling wil opbouwen doet er goed aan het gebruik te overwegen van vierdubbele timerchips : dit zijn vier 555-chips in een enkele behuizing , beschikbaar onder het typenummer 558. Een sequencer met 16 stapjes, is dan mogelijk met slechts 4 chips.
In de voorbeeldschakeling tekenden we een kleine sequencer met slechts 5 stappen, maar dit kan eenvoudig worden uitgebreid. Ook voorzagen we de mogelijkheid om globaal de tijdsduur van de hele sekwens met behoud van de onderlinge tijdsverhoudingen , te regelen, door de pin voor de 'controll voltage' te gebruiken als globale regeling. Wanneer in de voorbeeldschakeling de uitgang van de laatste timer teruggevoerd wordt naar de triggeringang van de eerste, dan verkrijgen we een eindeloze lus. Met de potmeters Pt1, Pt2, ... Pt5 kan de tijdsduur van elke puls afzonderlijk en onafhankelijk van de andere worden ingesteld. Met de potmeters PU1, PU2, PU3... PU5 kan de grootte van de uitgangsspanning per timer worden ingesteld. Mengen we de signalen op de lopers van al deze potentiometers tesamen, dan krijgen we op het mengpunt een signaal waarmee we bvb. een analoge VCO sekwentieel kunnen uitsturen. Het grote voordeel van een dergelijk opzet in vergelijking met software-matige sekwencers of met kommercieel verkrijgbare schakelingen, is dat werkelijk alle onderlinge tijdsverhoudingen tussen de pulsen kunnen worden ingesteld , en dus niet alleen maar ritmische sekwensen die binnen een metrisch raster dienen te vallen. Om deze redenen zal je dergelijke schakeling dan ook niet in de handel tegenkomen : de pop- en rockmarkt heeft aan deze mogelijkheid hoegenaamd geen boodschap. Sequencers die wel binnen een strikt vast metrisch raster werken zijn overigens eenvoudiger en veel goedkoper te implementeren. Hiervoor gebruikt men dan echter meestal programmeerbare tellers, (zie verder), werkend onder een gemeenschappelijk kloksignaal.
Het lijkt ons ook interessant op te merken dat dit type sequencer principieel ook als programmeerbare golfvormsynthesizer kan worden gebruikt. Daartoe dient echter de herhalingsfrekwentie van de lus overeen te komen met de gewenste toonhoogte. De schakeling komt dan reeds aardig dicht bij een DAC. ( digital - analog- convertor).
Een kleine opmerking toch nog bij deze schakeling : in de praktijk is het noodzakelijk de potmeters Pt1 enz. op te bouwen als een serieschakeling van een (relatief kleine) weerstand waardoor de kortste instelbare tijd wordt begrensd. Zoniet zou de waarde 0 Ohm kunnen ingesteld worden, waarde waarbij door de onbegrensde stroom die dan gaat lopen naar het IC , dit laatste zeker in rook opgaat. In de praktijk kan deze weerstand 390 Ohm o.i.d. genomen worden. Wat de waarde van de kondensator betreft, zijn er minder beperkingen , maar omwille van de stoorzekerheid e.d.m. is het best zich te houden aan kondensator waarden binnen het bereik 470pF tot 47 microFarad.
555 sequencer

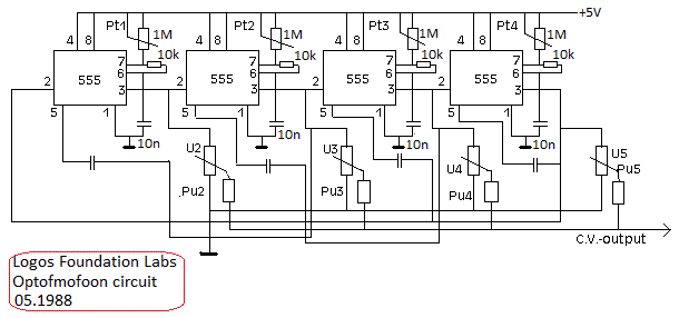
Een heel erg onvoorspelbare generator kan eveneens worden gebouwd, door elke oscillator, via de FM ingang op pin 5 zijn voorganger te laten beinvloeden:

U2, U3, U4, U5 kunnen ook vervangen worden door audio uitgangen of kleine 50 Ohm luidsprekertjes. De CV output kan hier gebruikt worden als gemixt audio signaal.
Een eenvoudig en nog in antiek 'regelnummer' Basic geschreven programma dat kan worden gebruikt voor de berekening van simpele op de 555 chip gebaseerde schakelingen kan lopen alsvolgt:
Dit erg oude programma is in een iets gemoderniseerde versie beschikbaar op de komputer in de klas. POLLUX\\C:\bc7\gwr\elektron\555.bas
Filedate:12.10.85 --- last update: 2017-05-11
| Terug naar inhoudstafel kursus: <Index Kursus> | Naar homepage dr.Godfried-Willem RAES | Naar frekwentiemeting |