Dr.Godfried-Willem RAES

Kursus Experimentele Muziek: Boekdeel 4B: Audiotechnologie

Hogeschool Gent : Departement Muziek & Drama


<Terug naar inhoudstafel kursus>

  Klankonderzoek

4540:

GELUIDSVERSTERKING

1.Ideologie van de versterking

Versterking is de techniek van het sterker maken. Wanneer we een gebouw versterken , dan maken we het bestand tegen grotere krachten . In de muziek gebruiken we in dezelfde zin versterking vaak om muziek toe te laten beter boven het omgevingsgeluid uit te komen. Versterking is dan ook een soort 'bewapening'... Versterking is intrinsiek negatief en anti- gericht, want gericht tegen iets anders.

We kunnen naargelang de bedoeling van de versterking (namelijk naargelang datgene waartegen zij gericht is) enkele onderscheidingen maken :

- het sowieso onhoorbare hoorbaar maken, het hoorbaar maken dus van wat intrinsiek onhoorbaar is ( bvb. een elektronische generator die slechts klinkt wanneer we hem 'versterken') . In zekere zin behoort dit zelfs niet tot de kategorie van de geluidsversterking, omdat het hier eerder een omzetting / afbeelding betreft van van een eerste fysisch verschijnsel ( elektriciteit) in een naar vorm gelijkaardig tweede fysisch verschijnsel , nml. geluid.

- het hoorbaar maken van wat weliswaar geluidstrilling is, maar onder de gevoeligheid van ons gehoor ligt.

Dit kan twee oorzaken hebben :

1. het geluidsnivoo van de bron ligt onder de grens van onze goede waarnemingsmogelijkheden, zelfs wanneer we ons vlakbij de bron bevinden.

2. de geluidsbron is te ver verwijderd van de waarnemer, waardoor het geluidsnivoo op het punt van waarneming onder de minimale geluidsdrempel komt te liggen. ( grote auditoria, stille spreker of instrument).

- geluidsspreiding : wanneer we eenzelfde geluid op verschillende uiteenliggende plaatsen willen kunnen horen (toegepast bij omroepinstallaties in stations, luchthavens, treinen vliegtuigen, industriele-restaurants, supermarkten...)

- het hoorbaar of beter hoorbaar maken van geluid tegenover een akoestisch gestoorde omgeving . Onze omgeving is immers vooral gedurende de laatste 200 jaar enorm veel luider geworden . Hoe anders kan je verklaren dat de beiaarden hier bij ons vroeger door reizigers en bevolking als oorverdovend luid werden omschreven, en dat ze vele kilometers ver konden worden gehoord... ( cfr. Murray Shaffer, "The Tuning of our World").

- het versterken als wapen tegen die omgeving : versterking als aggressie.

In de pop-muziek is versterking zowat de enige basis van haar macht. Haar erg hoge versterking heeft alles te maken met haar funktie om de toehoorder de mond en ook de hersenen toe te snoeren. Versterking is hier gericht tegen het publiek, en meer bepaald tegen zijn vrijheid tot zelfstandig handelen en denken.

Ook onversterkte muziek heeft weliswaar de bedoeling de luisteraar tot luisteren te verleiden, maar kan dit uitsluitend doen op grond van de in de muziek vervatte klankvormen. Zij kan niet dwingen.

Ook in de klassieke muziek , vooral dan in de romantiek , wordt versterking , hier dan gerealiseerd door verveelvoudiging van het aantal instrumenten dat eenzelfde partij speelt binnen het orkest, vaak aangewend als remedie tegen het niet luisteren van het publiek, of - wat op hetzelfde neerkomt - als zwaard van de egotripperij van de komponist. De grote orkestformaties die in de romantiek ontstonden zijn dan ook voorlopers van eenzelfde autoritaire , en aanvankelijk egocentrische, en een-dimensionele gerichtheid, die ook het eruit voortgekomen laatkapitalisme kenmerkt. (vb. Berlioz, Benoit, Gilson...)

Alle versterking die intentioneel de omgeving wegdrukt, is in zekere zin autoritair, want heeft een dwingende bedoeling.

2. Definitie

In de informatietheorie noemt men versterking het overdragen van een vorm van een materieel of energetisch substraat gekenmerkt door een bepaalde massa of energie, naar een materieel of energetisch substraat met een hogere massa of energie.

Aangezien muziek informatie is , en niet een poging tot verwarming van de ons omringende lucht middels het doen trillen van de luchtmoleculen , is deze definitie hier eerder van toepassing dan de militaire.

De belangrijkste komponenten uit deze definitie zijn :

- overdracht

- vorm

Belangrijk is in de allereerste plaats , dat in het versterkingsproces, de vorm volledig behouden dient te blijven. Is dat niet het geval , dan spreken we van 'vervorming'.

Ook mag de versterker niets aan het signaal toevoegen wat niet reeds daarin aanwezig was. Doet hij dit wel , dan spreken we van ' storing' en ' ruis'.

3.Versterkingstechnieken

1.versterking door vermeerdering van de akoestische geluidsbron :

- toegepast in de bouw van de instrumenten (klankbekers, klankkasten, akoestische versterkers ...) of via 'preparatie' van instrumenten ( piepschuimversterkers bvb.)

- verdubbeling van instrumentale partijen

- harder spelen

2.versterking door koncentratie van het akoestische signaal bij ontvangst

- akoestische versterkers

- exponentiele hoorns ( Beethovens luisterhoorn)

- parabolen

- hoorapparaat

3. versterking van het elektronische equivalente signaal van het geluid voor versterkte weergave via luidsprekers.

- elektronische geluidsversterkers

- elektropneumatische versterkers


4.Technische begrippen

De mate waarin we een vorm versterken, wordt uitgedrukt als een verhouding, nml. de verhouding tussen de grootte van de ingangsvorm tot de grootte van de uitgangsvorm. Is deze verhouding 1 , dan is er geen sprake van versterking. Is de verhouding kleiner dan 1 , dan hebben we verzwakking in plaats van versterking.

Een versterkingsfaktor in akoestische zin dient te worden uitgedrukt als

Pbron / Pontvangst

waarbij

Pbron = de geluidsdruk op een bepaald punt in de ruimte zonder versterking, en

Pontvangst = de geluidsdruk op datzelfde punt, met toepassing van versterkingstechnieken.

In elektronische zin kan men weliswaar ook op die manier versterkingsfaktoren beschrijven en berekenen , waarbij de uitdrukking wordt : 

Pi / Po

maar omdat het aan de ingang aangeboden signaal in de laagfrekwent techniek niet als een vermogen wordt aangewend maar integendeel de ingang van een versterker geacht wordt de spanningsbron minimaal te beinvloeden, drukt men versterkingsfaktoren uit als verhoudingen van elektrische spanningen ,nml. :

Ui / Uo

Wanneer een versterker een versterkingfaktor heeft van 20dB ( dit is hetzelfde als 10 x ), dan betekent dit dan ook dat hij een aan de ingang aangeboden spanning van 100mV aan de uitgang zal doen verschijnen als 1 Volt. Dit volstaat echter lang niet om een versterker te karakteriseren. Immers , hieruit volgt niet welk vermogen de versterker aflevert. Dit gegeven kan worden afgeleid uit de nominale belastingsimpedantie, die in het gros der gevallen gevormd wordt door de luidspreker(s).

Meestal wordt van een versterker het maximale uitgangsvermogen gespecifieerd, uitgedrukt in Watt. ( 1 Watt= 1 Volt * 1 Ampere )

Omdat evenwel ook dit nog niet volstaat voor een volledige beschrijving van een elektronische versterker, is het beter het model van de 'black-box' ( zwarte doos) toe te passen.

ingang ----- --------- uitgang

Om nu de versterker volledig te karakterizeren , volstaan het alle eigenschappen waaraan het ingangssignaal moet voldoen te bepalen , evenals alle eigenschappen die het als gevolg daarvan ontstane uitgangssignaal kenmerkt.

Voor de ingang kunnen we volstaan met volgende gegevens :

Ui = nominaal ingangssignaal ( gevoeligheid)

Uitgedrukt in Volt ( of mV) of dB

Dit is het noodzakelijke spanning die het ingangssignaal dient te hebben, opdat de versterker zijn nominale uitgangsvermogen zou kunnen leveren.

Uimax = die spanning die het ingangssignaal maximaal mag hebben , en waarboven de versterker niet langer als zuivere versterker zal funktioneren.

Uitgedrukt in Volt ( of mV) of dB

Unoise = equivalente ingangsruisspanning ( in mV of nV)

Dit gegeven bepaalt het dynamisch bereik van de versterker, omdat het tevens het kleinste signaal omschrijft dat nog door de versterker kan worden verwerkt en waarvoor de signaal/ruisverhouding 1 bedraagt. Elk aan de versterker toegevoerd signaal dat onder dit spanningsnivoo ligt, zal aan de uitgang volledig in ruis verzonken zijn.

fcl = laagste frekwentie die nog onvervormd kan worden versterkt ( in Hz)

fch = hoogste frekwentie die nog aan de uitgang zal verschijnen met behoud van de gespecifieerde versterking ( in Hz of kHz)

Zi = ingangsimpedantie, dit gegeven specifieert de mate waarin de ingang van de versterker het bronsignaal zal belasten. ( in Ohm of kOhm)

Voor de uitgang volstaan in eerste benadering volgende gegevens:

Zb = nominale belastingsimpedantie ( afsluitweerstand) (uitgedrukt in Ohm). Dit is de impedantie van de aan te sluiten belasting waarbij de versterker onder nominale ingangsvoorwaarden, het nominale uitgangsvermogen zal afleveren.

Zmin = de kleinste nog toelaatbare afsluitweerstand. (in Ohm). Belastingen onder deze weerstand zullen de versterker kortsluiten en dus meestal doen stukgaan. Dit door oververhitting.

Pmax = maximaal vermogen dat de versterker aan de voornoemde belasting kan leveren met behoud van de eigenschappen van de versterker. ( Uitgedrukt in Watt )

d = procentuele vervorming van het uitgangssignaal ten opzichte van de vorm van het ingangssignaal. (Uitgedrukt in % of in dB ).

Un = ruisspanning die aan de uitgang verschijnt wanneer de ingang wordt kortgesloten . Dit is de eigenruis van de versterker. (Uitgedrukt in Volt of in dB)

Pi = opgenomen vermogen . Dit is het elektrisch vermogen dat de versterker bij maximale belasting aan het net onttrekt. Dit wordt uitgedrukt hetzij in Watt, hetzij als stroom (in Ampere) bij een gegeven netspanning. Hieruit kan de efficientie van de versterker worden afgeleid.

Pr = rust-vermogen . Dit is het vermogen dat de versterker aan het net onttrekt wanneer hij geen vermogen aan een belasting levert.

Uit deze gegegevens kunnen nu zowat alle nuttige eigenschappen afgeleid worden, onder gebruikmaking van de wet van Ohm, (U=I*R) en de eruit afgeleide samenhangen P=U*I. (Let er echter op dat dit alleen zo geldig is voor gelijkstroom of voor wisselstroom met een zuiver sinusvormig verloop, maar daarover verder meer).

Willen we bvb. de spanningsversterkingsfaktor kennen, dan gaan we tewerk alsvolgt:

Pout = Uout * R R is bekend en gelijk aan de luidsprekerimpedantie

Pout is eveneens bekend

dus : Uout = Pout/R

De nominale ingangsspanning kennen we eveneens (Ui) , en dus wordt de spanningsversterkingsfaktor (Av):

Av= Ui /Uout = Ui/(Pout/R) = Ui*R/Pout

Willen we bijvoorbeeld de stroomwaarde van een zekering berekening die we zouden willen opnemen in serie met de luidsprekers om deze tegen overbelasting te beveiligen, dan gaan we tewerk alsvolgt :

Pmaxsp = maximaal door de luidsprekers te verwerken vermogen

Rsp = nominale impedantie van de luidsprekers

Hieruit volgt in weinige stappen de maximale stroom die door de luidsprekers mag vloeien vooraleer deze de geest zullen geven :

Pmaxsp= Umax*Imax

en Rsp = Umax/Imax

waaruit volgt : Pmaxsp/Rsp = Umax*Imax/(Umax/Imax)=(Imax)^2

en dus : Imax=(Pmaxsp/Rsp)^(1/2)

Aangezien zekeringen niet in willekeurig welke stroomwaarde kunnen worden verkregen, zullen we in de praktijk de berekende waarde steeds naar beneden afronden tot die dichtst in de buurt liggende gangbare waarde.

MEMO:

Let erop dat we hier omwille van de eenvoud van de notatie steeds de formulering gebruiken zoals die voorkomt in de Basic programmeertaal. ( *= vermenigvuldiging , /= deling , ^ = machtsverheffing) .We herinneren eraan dat het verheffen van een getal tot een macht die een breuk vormt waarvan het resultaat kleiner is dan 1, hetzelfde is als het trekken van een wortel uit dat getal . Hoewel de haakjes veelal overbodig zijn in deze notatie, hebben we ze steeds aangegeven omwille van de duidelijkheid in de formules.

De berekening van de zekering ter beveiliging van de versterker zelf, verloopt volkomen gelijkaardig, maar dan uitgaande van het nominale uitgangsvermogen van de versterker. We krijgen dan ook :

Imax=(Pmax/Zmin)^(1/2)

Willen we bvb. de efficientie van de versterker berekenen, dan dienen we gewoon het aan de nominale belastingimpedantie afgegeven vermogen te vergelijken met het opgenomen vermogen uit het net :

Pnet/Pmax

Dit gegeven speelt zelden een rol bij netgevoede versterkers, maar is van zeer groot belang bij batterijgevoede toestellen. In dit geval geldt dit overigens nog meer voor Pr, het in rust opgenomen vermogen, veroorzaakt door de ruststroom . (bvb. megafoons).


5. Blokmodel van Audioversterkers

In de elektroakoestische praktijk worden versterkers steeds opgebouwd uit twee komponenten met duidelijk onderscheiden funkties. Dit is ook het geval wanneer beide komponenten zich in eenzelfde behuizing bevinden , zoals bij amateurtoestellen.

Beide komponenten , of trappen, laten zich omschrijven als :

1. Voorversterker

2. Eindversterker

De voorversterker heeft daarbij dan als taak, een of meerdere mogelijke ingangssignalen zo te versterken dat aan de uitgang een standaardsignaalnivoo beschikbaar komt. Het is dan ook steeds een zuivere spanningsversterker, waarvoor nooit een vermogen gespecifieerd dient te worden. Het standaardsignaal waarvan sprake, is in de technische praktijk bijna steeds het beruchte 0dB nivoo ( 0.775mV). Voorversterkers zijn bijna steeds voorzien van allerhande instelmogelijkheden zoals ingangskeuzeschakelaars, toonregelingen, equalisers, volumeregelaars, balansinstellingen enzomeer...

De eindversterker daareentegen, heeft als uitsluitende taak, dit standaardsignaalnivoo om te zetten in een elektrisch vermogen. Daarom is de eindversterker ( vaak ook eindtrap genoemd) steeds een vermogensversterker. De eindversterker heeft hooguit een enkel regelorgaan, met name een volumeregelaar, waarmee het uitgangsvermogen kan worden ingesteld.

Een derde en noodzakelijke komponent van elke versterker wordt gevormd door de voeding. Deze komponent zet de wisselspanning van het net om in een geschikte gelijkspanning die als energiebron wordt gebruikt voor de overige komponenten. Hoewel de voeding op geen enkel punt signaalvoerend is, zijn de technische eigenschappen ervan bepalend voor die van de versterker. Het zal bvb. duidelijk zijn dat een versterker nooit meer vermogen kan leveren dan wat zijn voeding kan voorzien. Om snel het vermogen van een gegeven versterker te bepalen wordt dan ook vaak volstaan met het meting van de spanningen die door de voeding ter beschikking worden gesteld. ( Zie verder).

De opbouw van een versterker kan dan ook in de vorm van een blokschema worden voorgesteld. Zo'n blokschema laat de funktionele werking van de versterker zien op een manier die ook voor de niet elektronisch geinformeerde gebruiker een intelligente omgang met het toestel mogelijk maakt.

We zullen nu in detail enkele dergelijke blokschemas van kommercieel verkrijgbare toestellen analyseren.


6.Operationele versterkers

[cfr. ook boekdeel 2!, 2001]

Zowat alle praktische ontwerpen in de sektor van de audioelektronika worden vandaag de dag opgebouwd met behulp van zgn. operationele versterkers. Deze zeer universele elektronische bouwstenen - chips - maken het betrekkelijk eenvoudig om zelf voorversterkers en eindversterkers in funktie van specifieke vereisten te ontwerpen en te bouwen. In elk geval veel eenvoudiger dan zulks was in vroegere jaren, toen schakelingen uit vele honderden afzonderlijke onderdelen dienden te worden opgebouwd.

Operationele versterkers hebben steeds twee ingangen en een uitgang. Een van beide ingangen noemt men de inverterende ingang, de andere, de niet-inverterende. Een signaal dat op de inverterende ingang van de versterker wordt aangeboden , zal steeds omgekeerd op de uitgang verschijnen ( positieve spanningen worden negatief en omgekeerd), terwijl de stroomrichting van het signaal op de niet-inverterende ingang aan de uitgang steeds behouden blijft. Tussen inverterende ingang en uitgang staat een 'feedback' weerstand, die samen met de weerstand tussen inverterende ingang en massa de versterkingsfaktor volledig vastlegt. Deze weerstanden vormen samen een spanningsdeler.

Algemene eigenschappen zijn dat de uitgangsimpedantie steeds heel klein is ( van enkele frakties van een Ohm tot zo'n 1000 Ohm), de open-lus versterking enorm hoog ( zo'n 100.000 x, en vaak nog veel hoger), en de ingangsimpedantie erg hoog ( minimaal zo'n 100 kiloOhm, en in vele gevallen tot zo'n 10 GigaOhm). In het teoretische model luidt dat dan alsvolgt :

- versterkingsfaktor = oneindig

- ingangsimpedantie = oneindig

- uitgangsimpedantie = nul

Uiteraard hebben operationele versterkers ook nog een voeding nodig, en deze dient daarbij bijna steeds symmetrisch te zijn : de voedingsspanning dient te bestaan uit een positieve en een negatieve spanning die in absolute waarde precies evengroot zijn tegenover een gemeenschappelijke massa. In de praktijk is de meest gangbare voedingsspanning voor operationele versterkers steeds +15 Volt en -15 Volt. Ook 'assymmetrische' voeding is mogelijk, maar daarvoor worden speciale eisen aan de chips gesteld en ook de schakeling wordt dan iets omvangrijker. Voor de principiele werking van de op-amp is dit overigens niet van belang.

In schemas worden operationele versterkers steeds voorgesteld door een driehoek, waarbij de punt de uitgang voorstelt. De voedingsaansluitingen - zonder dewelke het ding geen kik zou geven- worden vaak helemaal niet op de schemas getekend.

non-inverting = met + aangeduid

------ uitgang

inverting input = met - aangeduid

Operationele versterkers worden nooit gebruikt met 'oneindig' grote versterkingsfaktoren. Een deel van hun uitgangssignaal wordt steeds teruggevoerd naar de inverterende ingang, wat uiteraard de versterkingsfaktor op grond van de aangebrachte negatieve feedback, reduceert. Het feedback-netwerk bestaat principeel uit niet veel meer dan een eenvoudige spanningsdeler. De deelverhouding ervan zal de uiteindelijke spanningsversterking perfekt bepalen. Immers een deel van het uitgangssignaal wordt opnieuw aan de inverterende ingang aangeboden ( teruggekoppeld) en verhindert op die wijze het voorkomen van de open-lus versterking. Hierop berust de eenvoud en de brede toepassingsmogelijkheden van operationele versterkers in de audiotechnologie maar ook ver daarbuiten. Het is zowat de meest fundamentele schakeling geworden uit de sektor van de analoge elektronika. Er zijn omzeggens geen toestellen denkbaar waarin zich geen operationele versterkers bevinden. Zelfs in bij uitstek digitale toestellen zoals komputers en kompakt-disk spelers, worden er heel wat gebruikt. In komputers o.m. voor het voorversterken van de piepkleine signaaltjes afkomstig van de lees en schrijfkoppen van floppy- en harddisks. In CD-spelers, als voorversterker voor de optotransistor die het laser-straaltje met gemoduleerd licht opvangt nadat dit door de plaat werd gereflekteerd. Reden te over dus, om hier toch even op de elektrotechnische kant van de zaak in te gaan.

De operationele versterker kan op grond van zijn twee ingangen in twee verschillende konfiguraties worden gebruikt :

a. als niet-inverterende versterker :

 Hierbij is de versterkingfaktor:

Av= 1+ (Rf/Rg)

Merk op dat de versterking nooit kleiner kan zijn dan 1 x ! Wanneer we Rf gelijk nemen aan 0 Ohm en Rg geheel weglaten (weerstand = 'oneindig'), dan krijgen we wat men een spanningsvolger. Het signaal aan de uitgang is steeds precies even groot dat dat aan de ingang. Het nut hiervan is dat de uitgangsimpedantie zeer laag is , terwijl de ingangsimpedantie van nature is zeer hoog is. De schakeling , eigenlijk een stroomversterker, wordt dan ook meestal gebruikt als impedantietransformator. Een typische toepassing daarvan doet zich voor wanneer we een hoogohmige signaalbron ( van een kondensatormikrofoonkapsule bvb.) over een lange kabel willen naar een versterker voeren. Het hoogohmige signaal zonder meer door de kabel sturen zou aanleiding geven tot aanzienlijke verliezen in de hogetoonweergave, veroorzaakt door de kapaciteit van de kabel, en bovendien zouden we onnoemelijk veel storingen en brom oppikken onderweg waardoor van ons oorspronkelijk signaal niet veel meer zou te herkennen zijn. Door nu onmiddelijk na de hoogohmige signaalbron een op-amp geschakeld als spanningsvolger te plaatsen , kunnen we ons signaal intakt , want laagohmig gemaakt, doorheen de kabel naar onze versterker voeren.

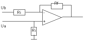
b. Als inverterende versterker

Hier is de versterkingsfaktor:

Av= Rf/Ri.

De ingangsimpedantie is steeds gelijk aan Ri. Hoewel niet erg zinnig , is het hier wel mogelijk een negatieve versterking te bereiken. Deze situatie ontstaat wanneer we Ri groter nemen dan Rf.

c. Symmetrische versterker

In onze uiteenzetting over mikrofoons hebben we het symmetrische signaaltransport besproken. Men herinnere zich dat hierbij het audiosignaal in tegengestelde fase over twee symmetrische geleiders wordt getransporteerd. Om een dergelijk signaal nu terug assymmetrisch te maken , kunnen we de operationele versterker als verschilversterker aanwenden. Hierbij versterkt de versterker uitsluitend die signalen die op zijn ingangen in perfekt tegengestelde fase worden aangebracht. Andere signalen (brom bvb.) zijn vaak in gelijke fase op beide geleiders aanwezig en worden helemaal niet meeversterkt. Deze eigenschap van operationele versterkers wordt technisch uitgedrukt in de specifikatie van hun CMRR ( Common Mode Reduction Ratio) in dB.

Het principieel schakelschema ziet eruit als volgt :

De versterkingsfaktor is ook hier Av=Rf/Ri. Nadeel van deze eenvoudige schakeling is dat de ingangsimpedantie aan beide ingangen verschillend is, waardoor de signaalbron niet geheel symmetrisch wordt belast. Om aan dit bezwaar tegemoet te komen laat men de eigenlijke verschilversterker meestal voorafgaan door twee eenvoudige spanningsvolgers ( cfr. sub a.). met zeer hoge ingangsimpedantie. De schakeling die men dan bekomt noemt men de instrumentatieversterker. Ook deze kan in chip-vorm worden verkregen en gebruikt. (bvb. het type AMP01)

d. niet-lineaire schakelingen

Van alles wat we tot hiertoe zagen inzake versterkers, kon gesteld worden dat het zuiver lineaire versterkers betrof. Dit lineair slaat uitsluitend op het feit dat vorm van het oorspronkelijke signaal behouden bleef en dat er uitsluitend sprake was van vergroting daarvan door vermenigvuldiging met een bepaalde faktor, nml. de versterkingsfaktor. Vanzodra we de versterkingsfaktor echter afhankelijk maken van de vorm van het ingangssignaal, spreekt men van niet-lineaire versterking. Dit wordt o.m. toegepast in toonregelingen en equalizers.

Wie zich nog goed de lessen fysica op school herinnert (cfr boekdeel 2!) weet wellicht nog dat de impedantie van een kondensator afhankelijk is van de frekwentie van een erover aangebrachte wisselspanning.

De formule daarvoor luidde :

Zc= 1 / (2*p *f*C)

waarin Zc= impedantie van de condensator

f = de frekwentie van de wisselspanning

C = de capaciteit van de condensator in Farad

Wanneer we nu naast weerstanden, in het feedbacknetwerk van operationele versterkers ook kondensatoren opnemen, dan krijgen we op grond van bovenstaande formule de mogelijkheid in onze schoot geworpen, voorversterkers te bouwen met heel precies bepaalbaar frekwentieverloop. Versterkers dus, waarvoor de versterkingsfaktor afhankelijk is van de frekwentie van het ingangssignaal : niet-lineaire versterkers dus.

Volgende schakeling bvb. versterkt alle frekwenties tussen 0 en 20kHz in gelijke mate, maar eens de frekwentie boven de 20Khz uitkomt, gaat de versterkingsfaktor geleidelijkaan omlaag. Zo'n versterker kan dan ook uitstekend worden gebruikt als low-pass filter.

 [insert picture!]

Ook het omgekeerde is natuurlijk eenvoudig te realiseren. Volgende schakeling bvb. versterkt geen signalen beneden de 200Hz en zou dan ook goed kunnen worden gebruikt als voorversterker voor reportagemikrofoons, waarbij we gestommel en wind niet willen meeversterken.

[insert picture] 

Belangrijke toepassingen van dit soort frekwentieselektieve filters vinden we in de toonregelingen van versterkers, in de RIAA-netwerken voor hun P.U.-ingangen, in bandopnemer-kop-voorversterkers, in ruis- en rumble-filters, loudness-volumeregelaars ...

e. Overige Op-Amp schakelingen

Naast in filters kunnen op-amps ook worden gebruikt voor geheel andere niet-lineaire schakelingen, zoals compressors en expanders. Hierbij is de niet-lineariteit geen funktie van de frekwentie van het ingangssignaal , maar wel van de gemiddelde amplitude ervan. Deze schakelingen maken gebruik van 'aktieve' komponenten zoals transistoren en dioden in de feedback-loop van de op-amps, waardoor deze komplexe niet-lineaire karakteristieken kunnen verkrijgen. Dit onderwerp voert ons evenwel iets verder dan in eerste instantie de bedoeling is. We volstaan dan ook met het geven van een eenvoudig voorbeeld van een kompressie schakeling voor audiogebruik.

[insert picture] 

Schakelingen waarin gebruik gemaakt wordt van operationele versterkers kan men in overvloed aantreffen in de 'application notes' die door de fabricanten van de betreffende chips worden gepubliceerd, evenals in talloze gespecializeerde publikaties, die in dit geval -voor een enkel keertje- zelfs in het nederlands bestaan ! Ook in boekdeel 2 kan je meer schakelvoorbeelden aantreffen.

Enkele bijzonder populaire op-amps in chip-vorm zijn :

741 klassieker van de industrie

LF347 audio-gebruik

OP27 precisie-type met lage ruis

5534 lage ruis

TLO71 zeer hoge ingangsimpedantie

Alle bovenstaande types zijn verpakt in een 8-potig huisje, dat in het technische jargon een DIL behuizing wordt genoemd, wat staat voor 'Dual In Line' en wijst op het feit dat de pootjes in twee rijen van 4 opgesteld staan. Wanneer je de chip aandachtig bekijkt zie je dat er zich langs een van de smalle en pootloze zijden een kleine inkeping bevindt. Links daarvan bevindt zich steeds pen 1. Dan telt men verder naar onderen tot pin 4, waarna het tellen aan de rechteronderzijde doorgaat tot men bij pen 8 terecht komt, die dan ook aan de rechterzijde van de inkeping te vinden is. Hoe de op-amp in zo'n huisje woont hoop ik met volgende tekening duidelijk te maken :

[insert picture] 


7.Vermogensversterkers

In principe zijn vermogensversterkers niet verschillend van hun kleinere broertjes. Hun versterkingsfaktor is bijna steeds erg gering, maar wel zijn ze in staat betrekkelijk grote stromen te leveren. Om die reden zijn ze evenredig met het vermogen waarvoor ze zijn ontworpen, ook fysisch vele malen groter, en in bijna alle gevallen voorzien van grote koelvinnen en zelfs ventilatoren, wanneer hun vermogen groter is dan zo'n 250 Watt.

Formaat en gewicht zijn bij eindversterkers onvermijdelijk recht evenredig met het vermogen. Hoewel vermogensversterkers, zoals hun kleine broertjes, nu ook meer en meer in chip-vorm of als hybride-monolytische module worden vervaardigd, treffen we nog vaak diskreet opgebouwde schakelingen aan. Dergelijke chips en modules zijn echter , niet in het minst door hun vaak grote geintegreerde en vast aangehechte koelprofielen, vaak bepaald groot. Een ILP HY240 module versterker weegt al gauw een kilogram of zo, maar levert dan ook een vermogen van 120 Watt af.

Bij dit vermogen en manier waarop het in de audio-industrie wordt gebruikt en opgegeven, dienen we hier wel even stil te staan omdat er bijzonder veel verwarring en doelbewuste misleiding en bedrog bestaan op dit gebied.

In elektrotechnisch opzicht bestaat er omtrent het geleverd vermogen van toestellen eigenlijk geen verwarring. Immers het vermogen wordt gedefinieerd als

P = U * I

voor gelijkstroom. Audio is echter wisselspanning , en het vermogen in geval we met wisselstroom te maken hebben, wordt gedefinieerd als dat vermogen dat indien het door gelijkstroom zou opgewekt worden , aanleiding zou geven tot eenzelfde temperatuursverhoging in de belastingsweerstand dan de overeenkomstige wisselstroom. Bedenk immers steeds dat de door een elektrische stroom geproduceerde warmte onafhankelijk is van de stroomrichting , immers

P= (U^2)/R

formule waarin de spanning gekwadradeerd voorkomt en dus steeds een positieve waarde oplevert. Ware dat niet het geval dan zou positieve stroom verhitting met zich brengen , en negatieve verkoeling. Dit gaat echter niet op. Wanneer de wisselstroom zuiver sinusvormig , en de belasting zuiver resistief, is, dan is dat vermogen steeds

P=Urms*Irms

Is de belasting induktief of capacitief, dan dienen we dit nog te vermenigvuldigen met cos-phi , namelijk de hoekverschuiving van de fase, veroorzaakt door de niet resistiviteit van de belasting.

Urms, voor sinus-wisselspanning is niets anders dan 

Urms= Umax/2^(1/2)

Urms staat voor U Root Mean Square ( gewone vierkantswortel).

De top-tot-top waarde (Upp) nu, van een wisselspanning is

Upp= 2 x Umax

Ten opzichte van de nominale RMS waarde van een wisselspanning is deze top-tot-top ( peak-to-peak in het vakjargon) spanning 2*2^(1/2) , of ongeveer 2.83 keer groter !

Upp = 2 * Urms * 2^(1/2)

Snode lieden hebben het gepresteerd om hieruit allerhande even absurde als verwarrende en misleidende formules af te leiden voor het geleverd vermogen van versterkers.

Zo bestaat het dat we versterkers op de konsumentenmarkt aantreffen waarop in grote cijfers prijkt 100 Watt, terwijl het toestal in werkelijkheid niet meer in zijn mars heeft dan een schamele 12 Watt. Wanneer je echter - zoal die worden opgegeven - de kleine letterjes van de specifikatie ontcijfert dan leer je dat de versterker 100 Watt levert over beide kanalen tesamen... O.k. zeg je, dit is dus eigenlijk 2 x 50 Watt. Maar dan blijkt het om een piek-vermogen te gaan , en dus dienen we te delen door 2 * (2^1/2), waarna ons 17.6 Watt per kanaal aan werkelijk beschikbaar RMS vermogen over lijkt te blijven. Maar o wee, tussen haakjes staat dan heel lakonisch zoiets als 10s max -wat dan staat voor 10 seconds maximum, en dienen we deze waarde - wanneer we het toestel tenminste lang willen kunnen blijven gebruiken - voor alle veiligheid met minstens 30% te verminderen, wat ons uiteindelijk reeel vermogen brengt op hooguit 12.3 Watt...

Het kan zelfs nog veel erger, wanneer de fabrikant het presteert om een zogenaamd muziekvermogen op te geven. Een muzikaal signaal immers situeert zich kwa gemiddelde wisselspanningswaarde ongeveer tienmaal onder de erin voorkomende spanningspieken. Dit is uiteraard een statistisch gegeven dat heel erg afhankelijk is van het soort muziek en daarom dan ook volslagen onbruikbaar in welke technische kontekst dan ook. Wel laat het de fabrikant toe het vermogen van de door hem voorgestelde versterker op te geven als zowat 10 maal hoger dan de eigenlijke technische waarde.

Zoek je dus in de technische specifikaties van een eindversterker naar het vermogen , dan is er eigenlijk slechts een enkele waarde die meetelt en die voluit dient te heten :

Prms - kontinu ( kontinu sinusvermogen).

Uitgedrukt in Watt en per kanaal wanneer het stereo-versterkers betreft.

Een korrekte vermogensopgave zou bijvoorbeeld kunnen luiden als:

Prms= 100 Watt - sine continuous into 8 Ohms

Alle andere specifikaties behoren tot het rijk van de reklame- of misleidingsindustrie.

Overigens is het vermogen van een versterker op niet zo moeilijke wijze te meten. Het volstaat een 'dummy-load' aan te brengen, een vermogensweerstand overeenkomstig de nominale afsluitimpedantie, vervolgens de nominale ingangsspanning vanuit een sinusgenerator op de ingang aan te sluiten ( dit met de eventueel aanwezige volumeregelaar volledig op maximum opengedraaid) , en dan de spanning over de dummy-load te meten.

Het vermogen berekenen we dan verder alsvolgt :

Prms= (Urms^2)/R

Ook zonder bovengenoemde meetopstelling is het mogelijk veel te weten te komen over het vermogen van versterkers. Daartoe kunnen we bvb. volstaan met het nameten van de voeding in het toestel. Meet daartoe de positieve en de negatieve voedingsspanning. De meest geschikte plek daarvoor is op de aansluitingen van de grote kondensatoren ( 2200 - 10000 microfarad) die zich in de buurt van de voedingstransformator bevinden. Uiteraard dient de versterker ingeschakeld te zijn tijdens de meting - bij voorkeur zelfs luid spelend. Let er echter bijzonder op met de meetpennen geen korsluiting te veroorzaken tussen de kondensatorkontakten : het veroorzaakt een gegarandeerde knetterende vonk met mogelijks desastreus resultaat voor de gezondheid van de versterker. Deze (gelijk)spanningen zijn normaal gezien even groot, maar verschillend van polariteit tegenover de massa. Upp is dan gelijk aan de som van de absolute waarden van beide spanningen . ( Upp= Upos + ABS(Umin) ). Soms is er geen negatieve spanning, en in dat geval is Upp=Upos. De tot-tot-top waarde van de uitgangsspanning (Upp) over welke belasting ook kan nooit groter zijn dan de voedingsspanning, zodat we kunnen stellen dat:

Urms= Upp/(2*(2^(1/2)))

of praktisch Urms= Upp/2.84 waaruit het vermogen volgt als :

Prms= (Urms^2)/R

waarbij R de nominale impedantie van de aan te sluiten luidsprekers is. Van de bekomen waarde dient dan nog zo'n 20% afgetrokken te worden , omdat de spanningszwaai van de uitgangsversterker zelden precies even groot is als de voedingsspanning, maar er meestal enkele volts onder blijft.

Voorbeeld :

Een versterker waarvan de voedingsspanningen +22V en -22V bedragen en die gespecifieerd wordt voor gebruik met luidsprekers van 8 Ohm, kan dan ook nooit een groter vermogen leveren dan:

Prms= (((22V+22V)/2.84)^2)/8 Ohm = 29 Watt

In werkelijkheid zal deze versterker een vermogen hebben van zo'n 24 Watt. Indien we in de voeding alleen een positieve spanning zouden hebben aangetroffen van 45 Volt, dan zouden we tot hetzelfde resultaat komen. De in dit voorbeeld gegeven cijfers behoren tot de meest voorkomende in huis- tuin- en keukenversterkers voor HiFi.


9. Verdere Specifikaties

Het spreekt vanzelf dat niet alleen het vermogen een belangrijke eigenschap van een versterker is , maar minstens evenzeer eigenschappen zoals het vervormingspercentage, de signaal-ruisverhouding, de frekwentieweergave en de lineariteit daarvan, de slew-rate en/of dempingsfaktor. Laten we elk van deze aspekten daarom toch even onder de loupe nemen.

a. Vervorming

Het is fysisch onmogelijk welke versterker dan ook te bouwen zonder dat deze het signaal in enige mate zou vervormen. Vervorming noemt men elke niet opzettelijk geintroduceerde non-lineairiteit van de versterking. Soms gebruikt men de term 'non-linear distortion', wat staat tegenover 'linear distortion' , te weten de verstering zelf, die immers een loutere schaalvergroting van het signaal is. Zolang deze vervorming kleiner is dan ongeveer 0.01% zullen we daar als luisteraar niet blijven bij stilstaan omdat we haar dan eenvoudigweg niet kunnen waarnemen. Alle moderne versterkers van goede kwaliteit voldoen aan deze vereiste. Maar, lang niet alle moderne versterkers -ook en zeker niet die van grote vermogens - zijn ook versterkers van goede kwaliteit ! Meer bepaald in de sektor van de pop, jazz en rockmuziek wordt nogal eens de voorkeur gegeven aan een versterker met een 'bepaalde specifieke sound'. Nu betekent dit eigenlijk niets anders dan dat die versterker een bepaalde door die gebruikers klaarblijkelijk geliefde soort vervorming aan het signaal toevoegt. Dit dient speciaal te worden opgemerkt bij versterkers die worden ingezet voor de versterking van elektrische gitaren.( vb.:Fender, Roland Yamaha ...). Deze versterkers zijn bijna steeds geheel ongeschikt om voor neutrale geluidsversterking te worden gebruikt en behoren niet tot de kategorie van de HiFi-toestellen. Vele ervan worden ook vandaag nog uitgerust met buizen-versterkers precies omwille van de karakteristieke vervorming die deze vandaag toch wel anachronistische komponenten onvermijdelijk met zich brengen.

In de experimentele muziek werden door verschillende komponisten en muziekmakers bij herhaling stukken gemaakt waarvoor opzettelijk vervormende versterkerschakelingen werden gebruikt en ontworpen. De vervorming wordt in zulke gevallen echter aangewend als een expressief gegeven. Veelal echter wordt dit soort apparatuur eerder geklasseerd bij de transformatie- en modulatieapparatuur zo typisch voor de live-elektronische muziek , dan bij de versterkertechniek hoewel puur technisch bekeken, het onderscheid vaak erg minimaal is.

Nu kan men zich natuurlijk de vraag stellen welke zin het heeft zoveel belang te hechten aan het bekomen van vervormingspercentages in de orde van de 0.001% en kleiner, wanneer men dit toch met geen middel kan horen. De reden is dat versterkers deel uitmaken van een hele keten toestellen waardoorheen het signaal zo ongeschonden mogelijk dient te kunnen lopen. Alle vervormingen dienen per toestel bij elkaar te worden opgeteld en het is de som van alle vervormingen die de uiteindelijke prestaties van de installatie zal bepalen. Daarom dient elke afzonderlijke komponent op zich een vervormingspercentage te hebben dat zich ver onder de waarnemingsdrempel bevindt.

In technische specifikaties wordt vervorming vaak gespecifieerd als THD, wat staat voor Third Harmonic Distortion. Dit is omdat vervorming steeds vervorming is van een golfvorm. Daarbij is het zo dat oneven harmonischen door het menselijk oor veel sterker worden waargenomen wanneer deze aan een signaal worden toegevoegd dan even harmonischen. Daarom let men bij het meten van het vervormingsgedrag van versterkers vooral op het optreden van de derde harmonische ( in muzikale termen is dit de kwint boven het oktaaf). In de meetpraktijk doet men dit door aan de versterker een zuiver en onvervormd sinussignaal van een bepaalde frekwentie ( bvb. 1000 Hz) toe te voegen, en dan aan de uitgang van de belaste versterker een smal frekwentiebandfilter te plaatsen dat precies wordt afgestemd op 3000 Hz. De signaalsterkte van deze 3000 Hz komponent wordt dat gemeten en deze waarde vergeleken met die van het ingangssignaal. De verhouding tussen beide is dan het THD vervormingspercentage. Vanzelfsprekend kan dit ook in dB worden uitgedrukt.

Een andere en van de voorgaande onderscheiden soort vervorming , noemt men ' Intermodulatie-vervorming' . Dit is de vervorming die in versterkers kan optreden wanneer ze tegelijkertijd twee verschillende signalen te verwerken krijgen ( overigens steeds het geval in muzikale toepassingen). Het kan daarbij voorkomen dat het ene signaal het andere 'moduleert', wat aanleiding geeft tot het ontstaan van som en verschiltonen in het klinkende eindresultaat. Het effect valt het sterkst op bij de weergave van koormuziek via een erg middelmatige versterkerinstallatie. Men dient echter bij de beoordeling van versterkers op het oor ,wat dit betreft erg voorzichtig te zijn , omdat meestal intermodulatievervorming in veel hogere mate op het nivoo van de luidsprekers kan optreden dan op dat van de versterkers.

Een verdere komplikatie is dat bij alle versterkers het vervormingspercentage afhankelijk is van het geleverde vermogen, dat dan ook in een zichzelf respekterend data-sheet bij de meetwaarde dient te worden aangegeven. Uiteraard kiezen fabrikanten steeds dit vermogen uit waarbij de vervorming voor hun toestel de meest gunstige waarden laat zien. Hiermee is immers iets eigenaardigd aan de hand : intuitief zou men geneigd zijn te denken dat naarmate het geleverde vermogen van een versterker stijgt, ook de vervborming wel zal toenemen. Dirt nu is een vergissing, want erg vaak is het precies naarmate het uitgangssignaal kleiner wordt dat de vervorming sterk begint toe te nemen ! Dit is dan ook de reden waarom het absoluut niet aan te raden is voor een huis-audioinstallatie een zo 'zwaar' mogelijke versterker te kiezen die dan heel voorzichtig een klein beetje wordt opengedraaid ! Vaak zal deze investering met grote ontgoochelingen gepaard gaan. Hoewel terzake erg veel variatie tussen versterkers onderling kan bestaan, dient erop gewezen te worden dat het voor de vervormingscijfers optimaalste resultaat meestal wordt verkregen voor die vermogensafgiften die zich ergens tussen 10 en 60% van het nominale RMS-vermogen situeren. Een 400 Watt krachtpatser , met een vervormingspercentage van 0.01% bij 350 Watt bvb., die in de huiskamer bijna steeds achtergrondmuziek versterkt en daarvoor een vermogen levert van circa 1 Watt, zal met grote waarschijnlijkheid daarbij vervormingspercentages laten horen ergens tussen 1 en 10% !

Wie zich een dergelijk toestel in huis haalt is dan ook niets meer dan een verwaande snob, of, in het geval hij dit vermogen ook werkelijk op zijn huiskamer loslaat, een publiek gevaar...

b. Signaal/Ruisverhouding

Ook dit is een erg belangrijke eigenschap van versterkers en audio apparatuur in het algemeen. Vroeger goldt voor HiFi apparatuur dat de S/R minstens 60dB diende te bedragen. Voor eindversterkers stelde het halen van dit cijfer nauwelijks grote problemen. Iets moeilijker lag het om dit ook in voorversterkers te realiseren, waar immers de ingangssignalen soms uiterst klein zijn ( vgl. het hoofdstuk over mikrofoontechnieken, waarin aan S/R verhoudingen nogal wat aandacht werd besteed).

De reden waarom men aan versterkers geen zwaardere eisen stelde was te vinden in het feit dat de klassieke LP instrinsiek nooit een beter cijfer kon behalen dan ca. 52dB, terwijl F.M. radio nauwelijks 45dB haalt. Goede bandopnemers haalden zo'n 62dB terwijl de beste cassettespelers het nooit verder brachten dan zo'n 50dB. Het zal duidelijk zijn dat het in dergelijk gezelschap boter aan de galg zou zijn , van de versterker veel betere prestaties te verlangen...

Sedert enkele jaren is hierin echter grote verandering gekomen , ook op het vlak van de huis-stereo-installaties en wel sedert de invoering en popularisering van de CD die tot S/R verhoudingen van zo'n 102dB in staat is ( tenminste wanneer we er DDD opnames op afspelen...). Naast de CD is er nu ook de DAT, die deze kwaliteit evenaart... De introduktie van deze toestellen heeft dam ook een ware normverschuiving met zich gebracht. Een CD-speler baat de luisteraar immers niet veel , wanneer hij die aansluit op een versterkerinstallatie van een S/R die niet boven de 60dB uitkomt ! Een keten is immers slechts zo sterk als zijn zwakste schakel.

Bij de tijdse normen die dienen te worden gesteld aan audio-vermogensversterkers van 'hedendaagse' kwaliteit, moeten dan ook eerder gaan in de richting van:

- voor eindversterkers : S/R >= 120dB

merk op : dit is een signaal/ruisverhouding van 1:1.000.000 !

- voor voorversterkers :

- mikrofooningangen : S/R >= 90dB

- Pick-up ingang : S/R >= 60dB

- Tuner ingang : S/R >= 60dB

- CD of DAT ingang : S/R >= 110dB

- bandopnemeringang : S/R >= 72dB

Deze eisen zijn zo streng dat ze niet meer 'voor een habbekrats' te vervullen zijn. Dankzij de moderne chip-technologie ligt het bereiken van deze normen echter meer dan ooit binnen het bereik van de toegewijde amateur.

Opmerkelijk hierbij is echter dat de kwalitatieve afstand tussen studio-apparatuur en professionele toestellen enerzijds en goede amateurtoestellen anderzijds, kleiner is geworden dan ooit. Beide bevinden zich in het optimaalste geval op de rand van hetgeen technisch en teoretisch-fysisch nog haalbaar is.

Voor eindversterkers ligt het beste wat vandaag kwa S/R kan worden bereikt in de orde van de 136dB. De principieel zwakste schakel van het hele verhaal ligt - de luidsprekers even terzijde gelaten - bij de mikrofoons, waar de zeer kleine bronsignalen fysische grenzen stellen aan de principieel haalbare S/R verhouding en waar het optimaalste resultaat in de orde ligt van de 92 dB.

c.Frekwentieweergave

Deze technische eigenschap van versterkers speelt vandaag de dag eigenlijk niet meer zo'n belangrijke rol. Het gros der verkrijgbare goede versterkers is immers in staat het hele audiogebied van 20 tot 20kHz op uniforme , d.w.z. lineaire wijze te bestrijken. De lineariteit van het verloop van de versterkingsfaktor over het gehele frekwentiegebied dient zo hoog mogelijk te zijn ( de kurve dient een horizontale lijn te zijn waarop zo weinig mogelijk bobbels moeten voorkomen). Dit wordt bij de frekwentie weergave gespecifieerd als een afwijking uitgedrukt in dB. Bijvoorbeeld : 20Hz-20000Hz (+1.5dB), wat een goede waarde is.

Sommige versterkers vertrekken zelfs van 0Hz, wat technisch helemaal niet zo'n klus is, maar wat muzikaal gezien van erg betwistbaar nut blijkt ( tenzij voor labo-meetversterkers). Zo'n type noemt men een D.C.-versterker, omdat hij ook gelijkspanningen versterkt. Gelijkspanning echter is zowat het laatste van wat luidsprekers te verwerken willen krijgen...

Ook in de hoogte zie je vaak specifikaties die tot tegen de 100kHz aanlopen. Ook hiervan is het nut meer dan bedenkelijk...

Wel is het goed de frekwentiekarakteristiek tot zowat 30kHz te laten uitlopen, omdat dit de stijgtijd ten goede komt, maar daarover meer in volgende paragraaf.

d. Slew Rate / dempingsfaktor

 Dit nu , zijn eigenlijk vrij belangrijke en vaak onderschatte eigenschappen van voorversterkers en eindversterkers. De slew rate is de snelheid waarmee een versterker in staat is een snel veranderend ingangssignaal te volgen. Deze parameter wordt uitgedrukt in Volt per seconde ( microseconde). Met een breedbandoscilloscoop kan dit aan de hand van blokgolfsignalen makkelijk worden bekeken en geevalueerd. Wanneer de stijgtijd of slew rate, heel klein is, zijn de vertikale flanken van de blokgolf helemaal niet op het scherm te zien.

Het is van belang voor een levendige en niet-afgeronde weergave van de muziek, zowel bij voor- als eindversterkers. Niet de versterkerfabrikant heeft echter deze gegevens in zijn macht, maar wel die van de chips die hij gebruikt in zijn toestellen. Bovendien blijkt in de praktijk dat het vooral de luidsprekers zijn die hier de zwakste schakel vormen, zodat er in versterkers niet zwaar aan getild dient te worden.

De dempingsfaktor anderzijds is een gerelateerd gegeven dat echter alleen voor eindversterkers een praktische betekenis heeft. Het geeft weer in welk mate een versterker in staat is een niet-resistieve belasting ( luidsprekers zijn immers in werkelijkheid induktief/capacitieve netwerken ) volledig in toom te houden. Immers een kondensator heeft tijd nodig om zich te ontladen, een spoel reageert op spanningsveranderingen met induktiespanningen. Deze reaktie van de aangesloten belasting dient door de versterker zo sterk mogelijk te worden onderdrukt ten bate de de lineariteit van de samenstelling van versterker en luidsprekers. De dempingsfaktor van een versterker is direkt gerelateerd aan zijn virtuele uitgangsimpedantie. Dit is de 'weerstand' die vanuit de belasting bekeken door de energiebron wordt gezien. In het ideale geval zou die 0 dienen te zijn.

Het probleem met deze specifikatie is echter, dat ze alleen zinnig kan worden opgegeven in kombinatie met een bepaalde belasting. Daarom wordt ze ook niet vaak praktisch gebruikt voor podiuminstallaties waarop immers de meest diverse luidsprekersystemen kunnen worden aangesloten.

De enige praktische richtlijn die ik hier zou durven geven is, dat het met het oog op de dempingsfaktor beter is bij de keuze van een versterker, een versterker te kiezen die zijn nominaal vermogen kan leveren aan een afsluitimpedantie die minstens de helft bedraagt van wat we er in werkelijkheid willen op aansluiten. Anders gesteld , wanneer je 8 Ohm luidsprekers wilt gaan gebruiken, kies dan een versterker die het gewenste vermogen ook aan een 4 Ohm luidsprekersysteem kan leveren. In de praktijk zal dit bijna steeds betekenen dat je een zgn. Mosfet-versterker dient te verkiezen. Helaas zijn die echter zowat dubbel zo duur dan de klassieke types... 

e.Kanaalscheiding

Fundamenteel gezien is een stereo-versterker niets anders dan twee afzonderlijke mono-versterkers in een gemeenschappelijke behuizing. Om ekonomische redenen voedt men in dit geval meestal beide mono-eindversterkers uit een gemeenschappelijke voeding. Hierdoor kan het echter wel voorkomen dat beide kanalen niet langer geheel onafhankelijk van elkaar funktioneren. Met name kan het voorvallen dat wanneer men een kanaal volledig uitstuurt en het andere niet, er toch een deel van het signaal van het op het niet-gestuurde kanaal terecht komt. Dit is signaal-koppeling via de voeding. Een andere vorm van verminderde kanaalscheiding ontstaat via de kapaciteit van de interne bedrading in de versterker en soms ook via de beperkte kanaalscheiding van bepaalde dubbele-op-amp chips. Vandaar dat men voor stereo-versterkers , voorversterkers zowel als eindversterkers, ook de kanaalscheiding specifieert. Deze wordt uitgedrukt in dB. Wanneer een versterker uitsluitend voor weergave van opgenomen muziek dient, dat is dit gegeven van weinig belang, omdat de kanaalscheiding in het signaal dan betrekkelijk klein is. Wil men de versterker echter gaan gebruiken voor werkelijk ambiofone geluidsweergave, waarbij elk kanaal een volkomen verschillend signaal te verwerken krijgt, dan speelt dit wel degelijk een rol.

Om deze reden wordt voor versterkerinstallaties voor live-elektronische muziek dan ook steeds aanbevolen evenveel mono-eindversterkers te gebruiken als er versterkingskanalen nodig zijn.


10. Versterkeraansluitingen

1. Ingangen :

.1: voorversterker :

- RCA , cinch (home, studio)

- 6.3mm Jacks (rock materiaal)

- XLR , Cannon (professioneel) female

- 5p-DIN (consumer)

- 3.5mm Jacks (low-fi)

.2: eindversterker :

- RCA , cinch (home, studio)

- 6.3mm Jacks (rock materiaal)

- XLR , Cannon (professioneel) female

2. Uitgangen:

.1: voorversterker :

- 5p-DIN (consumer)

- RCA , cinch (home, studio)

- XLR, Cannon (professioneel) male

.2: eindversterker :

- Banaan (studiomateriaal)

- Schroefklemmen (rood/zwart, home-audio )

- Draadklemmen ( consumer & studiomateriaal)

- XLR, Cannon (professioneel en P.A.) male

- 6.3mm Jacks ( rock-versterkers)

- 6.3mm Stereo-Jack ( voor koptelefoon)


11. Fouten en storingen...

Storingen en fouten bij versterkers kunnen in enkele eenvoudige kategorien worden ondergebracht. We gaan er hier wel even van uit dat alles met de aanslutingen o.k. is , m.a.w. we beginnen waar de gebruiksaanwijzingen het geheel laten afweten. De uitgangssituatie is dus : de versterker is ingeschakeld en krijgt stroom ( netzekering nagezien en goed bevonden) , er gaat een signaal in en het volume staan open, en er zijn luidsprekers aangesloten...

Uiteraard is dit hoofdstukje niet bedoeld als een exhaustieve behandeling van de elektronische service techniek, maar eerder als een eerste gids die in het gros der gevallen kan leiden tot herstelling van het betreffende toestel.

Symptomen:

1. De versterker geeft geen kik meer...

Kijk na of er gelijkspanning op de luidspreker uitgangen staat. Zo ja, koppel de luidsprekers onmiddelijk af. Er is bijna zeker iets fout met de eindtrap. Voel aan de koelvinnen : wanneer deze zeer heet zijn terwijl er geen vermogen wordt geleverd zit het grondig fout.

Ontkoppel voeding en eindtrap en meet de spanningen van de voeding na. Indien deze ok zijn , dan is de eindtrap doorgebrand en zit er niet veel anders of dan die module te vervangen, of wanneer het een diskreet opgebouwde versterker betreft, beide eindtransistoren en hun respektievelijke drivers.

Is de voeding niet ok , kijk dan de transfo na , vervolgens de afvlakkondensatoren ( die hebben nogal eens neiging tot ontploffen, lekken ... ) en de gelijkrichter. Vervang wat stuk is of er verdacht uitziet. Fouten aan de voeding hebben heel vaak erg katastrofale gevolgen voor de rest van de schakelingen. Het kan zelfs voorkomen dat alle chips de geest hebben gegeven... Werden alle vorige stappen gezet en bleek alles perfekt in orde, dan is er iets mis met de voorversterker. Eerst en vooral dient men na te gaan of - indien er verschillende ingangen zijn - het niet funktioneren geldt voor alle ingangen. Is dit het geval , bekijk dan de schakeling die de volumeregelaar voorafgaat. Kijk na of er op de volumeregelaar een signaalspanning kan gemeten worden. Indien ja, dan is de onmiddellijk op de volumeregelaar volgende trap stuk.

Is slechts een enkele ingang non-funktioneel , kijk dan de bedrading van de ingangskeuzeschakelaar goed na en indien dit in orde is , vervang de op-amp die de voorversterking van de betreffende ingang verzorgt. Fouten in deze zin in versterkers zijn echter betrekkelijk zeldzaam. In 90% van de gevallen is er iets mis met de eindtrap zelf, meestal een gevolg van overbelasting ( heetlopen) of van kortsluitingen op de luidsprekeruitgangen. Vooral bij podium-installaties is dit soort fouten koerant. Vleugelpiano's zijn bijzonder gevaarlijke snijwerktuigen wanneer het erop aankomst kortsluitingen in bedradingen te veroorzaken...

2. De versterker werkt normaal, maar kraakt af en toe en vooral wanneer de volumeregelaar verdraaid of verschoven wordt.

Dit verschijnsel is terug te voeren op sleet van de koolstoflaag van de volumeregelaar. De enige goede herstelling is vervanging van alle regelmatig gebruikte potmeters in het toestel. In nood kan echter - als zeer tijdelijke oplossing - ook zgn. grafietspray aangebracht op de baan van de potmeter soelaas brengen.

3. Vervorming van het uitgangssignaal

Voor iemand met muzikale oren valt het meestal niet moeilijk diverse vormen van vervorming tot hun technische oorzaak terug te voeren. Klinkt de vervorming sterker naarmate de klanken luider zijn, dan hebben we nagenoeg zeker te maken met clipping : d.w.z. op een of meerdere punten overschrijdt het signaal de spanning die door de voeding kan worden geleverd. Dit kan gebeuren aan de ingang zowel als aan te uitgang. Bij een goed gedimensioneerde versterker zal het verschijnsel zowat overal tegelijkertijd optreden. Het wijst steeds op oversturing van de ingang. De remedie is erg eenvoudig : verlaag het spanningsnivoo van het ingangssignaal tot een acceptabele waarde, of gebruik een minder gevoelige ingang.

4.Overdreven ruis in het uitgangssignaal.

Dit wordt veroorzaakt door een veel te zwak ingangssignaal ten opzichte van de gevoeligheid van de gebruikte versterkeringang. Zouden we een mikrofoon rechtstreeks op een eindversterker met 0dB ingang aansluiten, dan zullen we hier gegarandeerd mee te maken krijgen.

5.De versterker werkt enige tijd normaal , valt dan voor een poosje geheel uit , schakelt weer aan ...

Dit verschijnsel is welhaast zeker terug te voeren op de aanwzigheid van een thermische zekering in het toestel. Kijk na of het niet bijzonder heet wordt op de koelvinnen van de eindtrap. Is dat het geval , dan zijn er twee mogelijkheden :

a. het verschijnsel doet zich voor wanneer de versterker veel vermogen levert. In dit geval is het normaal en wordt het geacht de versterker te beveiligen. Er zit niets anders op dan het volume te reduceren.

b. het verschijnsel houdt geen verband met het afgegeven vermogen. In dit geval hebben vrijwel zeker te maken met hoog-frekwent oscillatie : de versterker oscilleert op een frekwentie die boven het audiobereik ligt. De oorzaak kan liggen in de externe bedrading : scheidt zorvuldig ingangsdraden en uitgangsdraden. Helpt dit niet, dan zal je er best een oscilloskoop bijhalen en nagaan of niet de mixer, bandopnemer o.i.d. een sterke hoogfrekwente komponent bevat. Ga na of het verschijnsel zich ook voordoet met andere onverdachte signaalbronnen. Een veel voorkomende bron van hoogfrekwente storingen wordt gevormd door video-apparatuur, en meer speciaal monitors en grootbeeldprojektoren. Hoewel de toon hoog is, kan een goed oor hem uitstekend waarnemen ( ca. 15.8 kHz , gebruikt als beeldafbuidingsfrekwentie) en goede mikrofoons (condensatormikrofoons) zullen deze toon beslist oppikken en aan de versterker doorgeven. Overigens kunnen versterkers eenvoudig op hun ingangen tegen hoogfrekwente overbelasting beveiligd worden: sluit hoogfrekwente signalen kort aan de ingang van de versterker met behulp van een kleine kondensator. Ook eenvoudiger middelen , zoals het inschakelen van een eventueel aanwezig ruisfilter, het terugdraaien van de hogetoonregelaar e.d.m. kunnen in dergelijke gevallen wonderen verrichten.

6.Brom...

Wanneer er een min of meer sterke brom ( 50 Hz of 100 Hz + alle harmonieken daarvan, in Europa , 60 Hz in de USA ) door de speakers klinkt, koppel dan eerst alle ingangssignalen los, draai de volumeregalaar dicht en luister of de brom nog aanwezig is. Zoniet , dan is er welhaast zeker niets mis met de versterker , maar wel met de signaalbron of de kablering ( aardlussen bvb !). Blijft de brom in de luidsprekers aanwezig , dan kan je er zeker van zijn dat er iets aan de hand is met de voeding in de versterker, en meer bepaald met de afvlakkondensatoren of , indien aanwezig, met de spanningsregulatorchips. Wanneer het verschijnsel geleidelijk en gespreid over enkele maanden optrad, vervang de elko's onmiddelijk .Deze onderdelen vertonen immers een typisch geleidelijk verouderingsverschijnsel waardoor hun kapaciteit alsmaar afneemt.

7. Thyristorstoring

Dit is een verschijnsel waar , althans in podiumomstandigheden, niet bijzonder veel aan te verhelpen is en dat beslist niet aan deficientie van de versterker is te wijten, wat het daarom niet minder hinderlijk maakt. Het geoefend oor zal dit onmiddellijk weten te herkennen. Het veschijnsel doet zich voor in het gros der zalen en teaters die zijn uitgerust met een lichtorgelinstallatie. Deze installaties maken gebruik van triacs en/of thyristoren die bijna steeds storingsinstraling veroorzaken. Je kan het herkennen aan het ontbreken van een uitgesproken 50 Hz grondtoon en aan het feit dat het timbre duidelijk anders wordt wanneer de lichtsterkten anders worden ingesteld. Slechts een advies helpt hier : heb je de spots niet strikt nodig , schakel ze dan in op absoluut maximum lichtsterkte , of, schakel ze geheel uit. Het fenomeen is immers het sterkst wanneer de spots gedimd worden. Heb je de spots wel nodig, leer dan leven met hun klank, of, bouw zelf een beter teater...


Filedate: 821112/ 2007-12-03

Terug naar inhoudstafel kursus: <Index Kursus>

Naar homepage dr.Godfried-Willem RAES