|
Robots
|
|
<Snar>

an automated snare drum
Godfried-Willem
RAES
2006
|
This musical robot consists of a new high quality snare drum automated with
13 beaters hitting different spots of the membrane from the inside. Two solenoid
driven drum sticks, mounted externally, take care of the rimshots. Of course,
all beaters have a precise and wide range velocity control. The snares can be
activated through a special solenoid driven mechanism, offering gradual control.
Controlling this robot is realized using a standard midi protocol. It was designed
to form an extension of our drumming machine <Troms>
and hence it occupies the same midi channel and port.
Musically, the snare drum may be considered to be the most sensitive instrument
of the entire percussion section. In classical music however it does'nt play
such an important role, the exception being the infamous 'Bolero' by Maurice
Ravel, but in the most advanced styles of jazz and improvised musics, it constitutes
the touchstone of musicianship for the drummer. We have done our best at rendering
all nuances so typical of a good snare drum playing possible with this automate.
Of course it will be up to the programmer and/or composer to take benefit of
the possibilities offered.
From an electronics point of view, there were no new problems to be solved
in the development of this automate, except to a certain extend the snare push
and release mechanism, involving gradual control using PWM. We used the same
circuit boards and design as we developped for such robots as <Vacca>
, <Vitello>, <psch>.
The data sets in the PIC lookup tables for the velocity scaling of course are
fully different.
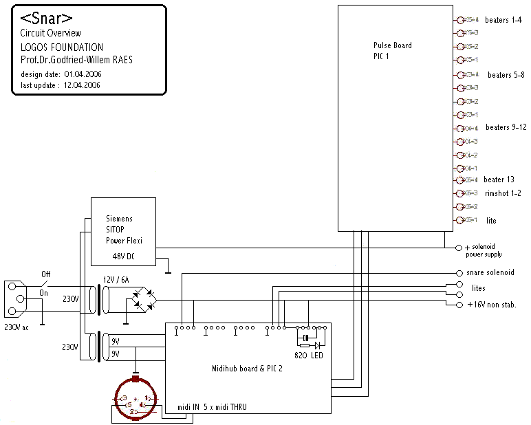
Power supply voltages and currents:
- 48V/ 4A SMPS power supply for solenoids and electronics
- 12V/ 6A power supply for the snare solenoid and the lights.
- 5V/ 500mA for the midi-input and PIC boards
Midi Mapping and implementation:
- Midi channel for <Snar>: 6 (7 if counting from 1)
- Midi note range: 60 - 77. Notes 60-72 regular skin beaters, 73-74 rim shots,
75 flashlite, 76, 77: lites.
- Note Off commands are not required for the beaters. They are required for
the lites. Velocity is implemented and has a wide control range.
- Controller: Midi controller 11: snare pressure. 0= snares off, 127= snares
on with maximum pressure.

- Program Change 0, 122-127 is implemented to let the user select different
velocity scalings. The velocity scaling lookup tables can be programmed using
sysex commands. 0 is the original, non-reprogrammable mapping. It is recommended
to allways use 122, which contains an optimised mapping.

Technical specifications:
- size: 400mm heigth, circular, diameter: 430mm, <Snar> fits in a flightcase
together with <Toypi>
- weight: ca.. 15kg
- power: 230V ac / 220W (max.) [the instrument is not fused!]
- control: Midi IN, 5 x midi thru.
- Insurance value: 4.500 Euro
Design and construction: dr.Godfried-Willem
Raes
Collaborators on the construction of this robot:
- Kristof Lauwers
- Moniek Darge
- Johannes Taelman (PIC2 coding)
Music composed for <Snar>:
- Godfried-Willem Raes "Picrada Study for Snar", for a nude performer
and radar interface (premiered 27.04.2006)
- Godfried-Willem Raes "Gestrobo Study for Snar", for a nude performer
and invisible instrument (premiered 14.09.2006)
- Godfried-Willem Raes "007 Marsch", for <Bako> and <Snar>
(01.01.2007, premiered 10.01.2007)
- Sebastian Bradt "Bolero, after Maurice Ravel" (2008)
- Yvan Vandersanden 'Kar'n and Snor"[MP3
download]
- Alain Van Zeveren 'Roro Tango', for <Roro> and <Snar> (2021)
Nederlands:
<Snar>
In het M&M robot orkest hadden we behoefte aan een pittige
snare drum, ter vervollediging van de trommelmachine <Troms>.
Daarom ontwikkelden we deze automatische snaartrom. Deze centrale komponent
van het slagwerk geldt voor velen als de echte kern van het slaginstrumentarium.
De ontelbare nuances zowel op gebied van dynamiek, als van kleur die op de snaartrom
zijn te realiseren zijn niet te vergelijken met wat op andere trommen en slaginstrumenten
haalbaar is. In de klassieke muziek is die rol weliswaar wat marginaler - de
grote uitzondering, met name Maurice Ravel's 'Bolero'- daar gelaten, maar zowel
in de geavanceerde jazz als in de vrije improvisatiemuziek is hij niet weg te
denken. We hebben dan ook het onderste uit de kan gehaald om bij bouw en ontwerp
van deze automaat recht te doen aan de muzikale mogelijkheden. Daarom voorzagen
we we trom van niet minder dan dertien verschillende kloppertjes. Deze dertien
sticks werden binnenin de trom aangebracht en slaan, elk op een verschillende
plaats, van onderuit tegen het slagvel. Aangezien de sticks op een recht profiel
evenwijdig met de diameter van de trom werden geplaatst, kan al naargelang de
geaktiveerde klopper, een verschillende plaats op het membraan worden bespeeld..
Uiteraard is dit van grote invloed op de verkregen 'sound'. Roffels met een
groot dynamisch bereik en kleureffekten zijn op deze wijze goed te spelen. Nadeel
van een dergelijke konstruktie is natuurlijk dat de kloppers zo voor het publiek
niet zichtbaar zijn, tenzij een -op snaartrommen niet vaak voorkomend- transparant
mylar vel wordt gebruikt, een mogelijkheid die we hier niet onbenut konden laten.
Het grote voordeel is evenwel de erg snelle reaktietijd en de snelle repetitie
die op deze wijze kan worden bereikt. Om ook rimshots te kunnen laten klinken
voorzagen we in twee wel zichtbare houten sticks, uiteraard eveneens voorzien
van elektromagneten, goed zichtbaar gemonteerd op de buitenkant van de trom.
Door de onrechtstreekse aandrijving kan dit mechanisme kwa snelheid echter niet
wedijveren met de intern geplaatste kloppertjes. Echte drummers kunnen echter
ook geen snelle rimshots roffels ten gehore brengen...
De snaren tegen het onderste membraan kunnen via een elektromagneet
naar verkiezen worden aangedrukt of losgelaten. Dit kan op graduele wijze gebeuren
en daartoe implementeerden we midi controller 11.

Hoewel snaartrommen met een diepe houten klankklast bij heel wat
de drummers tot de favorieten behoren, hebben we toch geopteerd voor een instrument
met een geheel metalen ketel. Dit bleek heel wat meer garanties in te houden
voor de noodzakelijke vormvastheid die immers toch wel in het gedrang was wanneer
zovele relatief zware mechanismen in de trom moeten worden gemonteerd. Het spreekt
verder vanzelf dat die vele mechanismen en de schakelingen die in de trom werden
gemonteerd een zekere demping van het voortgebrachte geluid met zich brengen.
Dat bleek evenwel niet te vermijden.
Voor de besturing werd gebruik gemaakt van twee PIC controllers:
een eerste voor de interne kloppers, de beide rimshot magneten en het lampje
in de trom, een tweede voor de besturing van het snaarmechanisme en voor de
twee lampjes in de voet van de automaat.
Overzicht en bedradingsschema van de schakelingen:

Godfried-Willem Raes

Construction Diary:
- 20.03.2006: first selection of suitable quality snare drums.
- 21.03.2006: research into suitable solenoids.
- 22.03.2006: start construction of solenoid carrier chassis. This should
hold 13 beaters. Two beaters mounted at the outside of the drum will take
care of the implementation of rimshots, using sticks.
- 23.03.2006: soldering midi input and buffer board.
- 28.03.2006: M14 x 1.5 moeren geleverd.
- 04.04.2006: M14 moeren op maat geslepen..
- 05.04.2006: further soldering work PIC controller board.
- 07.04.2006: Snare drum selection session. Moniek Darge found a suitable
snare drum at Thoma Okaze and brougth it home. Mounting of 13 solenoids for
the normal skin beaters. Construction of snare push/release mechanism..
- 08.04.2006: Mounting on stand. Wiring solenoids. Final design works. Skins
replaced with transparent mylar.
- 09.04.2006: Electronics mounted. 12V power supply added. Base welding works.
Lights mounted, both inside and outside the drum. All lights are LED spotlights.

- 10.04.2006: Programming work for PIC1 (beaters inside drum). Midi note map
implemented. Wheels mounted, with breaks. Bright white LED lite mounted on
midi hub board. <Snar> plays its very first riffs..... PWM circuit for
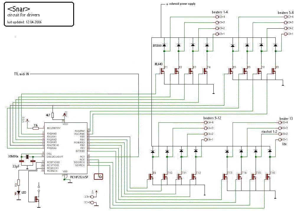
snare solenoid now uses IRLZ44 logic level mosfets and BY229 (TO220) diodes.
This circuit is also mounted on the midi hub board. Upperskin replaced with
a transparant Remo mylar skin. Rimshot experiments.
- 11.04.2006: Rimshot mechanism build. Mounting is removable and adjustable.
Now we use nylon sticks with a counterbalance weigth. Other materials such
as wood are possible as well. The velo-scaling for the rimshots is very different
than the scale usable for the regular beaters under the skin.

- 12.04.2006: PIC1 reprogrammed with new velo scales calculated with PBCC
program written for this purpose.. We now use different velocity lookups for
the skin beaters, the rimshots and the flashlight inside the drum. (cfr..
snar1.lut, snar2.lut, snar3.lut ). Tested with 40V, but this can be raised
to 48V now.
- 13.04.2006: bespreking met Johannes Taelman voor implementatie PIC firmware
2.
- 14.04.2006: Werksessie met Johannes Taelman. PIC2 firmware afgewerkt: PWM
gemapt op midi controller 10 voor de snares solenoid. Midi controller 11 geimplementeerd,
voor later gebruik (demper of licht). Licht op midi noten 76,77 geimplementeerd.
Voor latere expansie eveneens voorzien: licht op noten 78, 79, 80, 81.
- 27.04.2006: Eerste publiek koncert met deelname van snar: Premiere van de
Picrada studie (#12) voor <snar>.
- 10.05.2006: snares controller changed to 11 instead of 10. Nr. 10 is mostly
used for panning and some sequencer programs (Cakewalk, Cakepro, Sonar) insist
on always resetting it to value 64...
- 25.04.2007: <Snar> presented on the Jauna Muzika festival in Vilnius.
Back in Ghent on may 2nd.
- 23.05.2008: <Snar> presented in concert in Amsterdam.
- 16.05.2009: <Snar> demonstrations at Technopolis, Robocup. In combination
with <Korn> and <Ob> and controlled by our Picradar gesture sensing
devices.
- 11.07.2010: <Snar> demonstration for Pat Metheny.
- 02.10.2010: Skin replaced as it was damaged during transportation from Breda.
- 09-10.10.2010: <Snar> plays on the opening of the STAM museum on the
Bijloke campus: 12700 visitors...
- 06-09.10.2011: <Snar> presented and demonstrated on ArtBots Gent 2011
in the UFO building of Ghent University. In combination with the <Korn>
robot.
- 18.12.2011: <Snar> presented at the Childrens University, held on
the praemisses of the Ghent Conservatory.
- 03.01.2012: and today, my 60th birthday, <Snar> made it even into
a cake by Helen White:

- 13.09.2012: Failure of the snares mechanism reported. We could not find
a failure neither in the solenoid (9 Ohms DC) nor in the driving Mosfet. Maybe
a stuck PIC controller on the midihub board? After resassembling en rebooting,
everything seems to work fine again.
- 14.03.2013: Construction of a flightcase accomodatin both <Snar> amd
<Toypi>. Size 900x500x660. There is even place for a laptop, wiring
and associated interactive electronics.

- 20.04.2013: <Snar> survived the trip to Glasgow very well! We expect
him back in Ghent on monday 22nd of april.
- 22.04.2013: <Snar> came back in perfect condition from Glasgow.
- 09.10.2013: <Snar> left this morning for its appearance on the Venice
Biennale on october 12th...
- 03.11.2013: <Snar> presented at Bozar, Brussels for Zonzo.
- 27.02.2014: We got an order for a second snare drum along the <snar>
recipe for Aphex Twin.
- 02.03.2014: <Snar> makes his first appearence at Concertgebouw Brugge,
together with <Korn> and the player piano. Notation festival, all day
long.
- 19.10.2015: Check-up session on <Snar>. Apperently the PWM control
PIC (hub board) can crash under some circumstances.
- 05-08.11.2015: <Snar> played four days continuously at 30CC in Leuven,
Rode Hond Festival.
- 29.07.2019: <Snar> returned safely from Tomorrowland, where it played
6 days long.
- 07.11.2019: <Snar> on the road to Tallinn (Estland).
- 06.02.2021: Snares solenoid appears not working... Problem reported by Alain
Van Zeveren working on a piece for the complete orchestra: 'Equilibrium'.
- 08.02.2021: Apparently, the PIC on the hub board can crash... Symptoms:
snare solenoid not working, lights not working. Simply power cycling solves
the problem. Nothing wrong with the hardware anyhow. Careful examination revealed
that the drumskins need to be replaced; not abnormal taking into account they
have been in daily use for 15 years by now...
- 02.07.2021: <Snar> on the road for Luxemburg
- 15.07.2021: Innundations in the abbey where <Snar> is installed...
Awaiting news.
- 26.07.2021: <Snar> arrived back from Luxemburg. All circuitry and
power supplies on the low platform on the robot are covered with a thick layer
of mud...
- 27.07.2021: Start clean-up and repair session, first with a toothbrush and
a soft brush, than with compressed air. After about three hours of thorough
cleaning, we performed some electric measurements and decided to fire it up...
Indeed it started up properly. Hooked it up to the laptop again, started the
GMT test application and indeed it works again!
- 30.07.2021: Upper drumskin replaced with a brand new one.
- 14-15.05.2022: <Snar> set up in an interactive radar controlled installation
in Rennes (France).
- 14.09.2023: <Snar> op reis naar de Deutsche Oper Berlin voor de Zeroth
Law produktie in de Tischlerei aldaar.
- 02.10.2023: <Snar> heelhuids teruggekeerd vanuit Berlijn.
- 28.11.2025: <Snar> naar Keulen voor een koncert met Nicolas Hein.
Geen van kloppertjes blijkt nog te werken.
- 29.11.2025: Bij aankomst en nameten in onze werkplaats in Gent bleek de
Siemens Sitop voeding (48V - 4A) het te hebben begeven. Die voeding was sedert
2006 zo goed als ononderbroken ingeschakeld. Waarom ze het na slechts 19 jaar
opgaf is ons een raadsel. Meteen een nieuwe voeding besteld bij Farnell. Levering
op 2 december... Een Traco TSP180-148. Hier
is het datablad.
Last update: 2025-11-29
by Godfried-Willem Raes
Technical drawings and data
sheets:
Midi input board and PIC controller:
PIC-processor board: MidiPulse Rev.2, 2004. (same board as used for <Vacca>)
Circuit drawing:

Solenoid data:
Linear tubular solenoids, push type, diameter 20mm. Two types/brands can be
used:
1.- Saia Burgess type 195225-229, STA, 9.4V dc @ 100% - 7Watt, nominal traject
5.1mm, maximum traject 17.8mm. Length:39mm, Plunger: 15.3g. Total weigth: 87.3g.
DC-resistance: 12.8 Ohm. Maximum power @ 10% duty cucle: 70Watt, 11.9N. Mounting
thread: M14 x 1.5.. Lifetime: 25 miljoen cycli. (= 86 dagen ononderbroken roffelen
aan 8 cycli per sekonde).
2.- Black Knight, type 121-420-620-620, 12V dc @ 100%. DC resistance: 20 Ohm.
Mounting thread: 18UNF - 0.562" (13,8mm)
Solenoid used for the snare pushing mechanism: Black Knight, type 124-420-620-620,
12V dc @ 100%
Solenoids used for the rimshot sticks: Saia Burgess type 195225-229, STA, 9.4V
dc @ 100% - 7Watt
Drumskins:
- drumhead: Remo PS-0314-00, Pinstripe, drumhead film: Clear, Drumhead notes:
Batter, Drumhead size: 14", replaced with: Remo BA-0314-00, Ambassador,
Clear (08.2021)
- resonant head: Remo SA-01114-00, Ambassador. Drumhead film: Hazy, Drumhead
notes: Snare, Drumhead size: 14"
PIC microcontrollers:
- PIC1: 18F252-I/SP
- PIC2: 18F2525-I/SP