|
Cowbell Robot
|
|
Prof.dr.Godfried-Willem
RAES
2005 /
2006
|
|
<La Vacca>

revision
2013

School
of Arts
|
The <Vacca> robot automates the playing of 48 cow bells, ranging in size
between 40cm and 8 cm in width. <Vitello>, its calf, another set of 32
bells. The reason why we wanted to automate this kind of sound has to do with
the always growing collection of automata in the M&M orchestra: we had already
quite a few bell-like sounding instruments with long sustaining sounds (<Belly>,
<Llor>, <Tubi>,
<Vibi>) , but no really short and dry metal sounds.
Here cowbells appeared to be the perfect outcome. The bells in this robot are
struck with wooden balls and/or hardened felt covered piano hammers driven by
solenoids. The original iron clappers were removed from all the bells. The assortment
of bells we have collected over many years, and in the last weeks before the
start of the construction also acquired through eBay and donated by friends,
allowed us to build this automaton as a genuine microtonal instrument. However,
microtonality is not consistent over the entire ambitus of the instrument. The
exact tuning of each bell has been measured and a database is made available.
The cowbells used are of three basically different types: the 'classical' Swiss
type ('Almglocken'), the Austrian type (more spherical in shape and commonly
described as 'Froschmaul' in german), the commercial and a bit vulgar sounding
type as made by Latin Percussion (a linear rectangular cone). Since we had also
some old real Indian elephant bells in our percussion collection, we decided
to integrate them as well. Elephant bells have a shape like goat bells: cylindrical
and made of much thinner steelplate and treated with a layer of burned-on brass.
The three elephant bells form a part of the 'bass' notes of the instrument and
they found a place, suspended, a bit hidden underneath the instrument, together
with the 6 LP type cowbells. The lowest pitched cowbell in <Vacca> measures
40cm and sounds midi note 45.
The mechanism for the beaters looks like:
Note that the hammer falls back on a black felt cushion. This construction minimises
bouncing. The trajectory of the hammer should be alligned by adding/removing
layers of felt from this fallback cushion. Some lights were added during a major
mechanical as well as electronic revision in october/november 2013. An extra
PIC processor was added at this occasion and the power supply was completely
rebuild. As cows are supposed to graze, we provided in two green spotlights
that can be used to generate some grass on the ground...
- Design & construction: Dr.Godfried-Willem Raes
- PIC microcoding: Johannes Taelman
- Collaborators: Moniek Darge, Kristof Lauwers, Sebastian Bradt, Bert Vandekerckhove,
Xavier Verhelst
- Bell donators: Thomas Smetryns, Emanuel Dumoulin, Els Roosens (+), Sebastian
Bradt, Moniek Darge, Peter Jacquemyn
Music for <La Vacca>:
- Steve Reich "Clapping Music" (arr. Kristof Lauwers)
- Sebastian Bradt "EV"
- Godfried-Willem Raes "Object for Vacca"
- Godfried-Willem Raes "Changes for Vacca"
Midi Mapping and implementation:
- midi note on + velo, listening to channel 4. Note off not required.
- Program change 0, 122-127 select different velocity lookup tables. The velocity
scaling lookup tables can be programmed using sysex commands. 0 is the original,
non-reprogrammable mapping. It is recommended to allways use 122, which contains
an optimised mapping.
- Controller 66: used to switch the high voltage power on or off.
- controller 66 with value 0, switches off all lights as well as the high
voltage power supply for the solenoids.
- controller 66 with value 1, switches off all lights but leaves the high
voltage switched on.
- controller 66 with any value > 63 , switches power ON
- Using the MidiPlayer that is part of our <GMT> software, Vacca can
operate in two modes, toggled by controller 72.
- If controller 72 is set to 0, midi notes 48 to 95 are mapped to a bell each,
but with a pitch not corresponding to the midinote. Check the table
at the bottom of this page for the exact pitches.
If controller 72 is set to a value higher then zero, an 'intelligent' mapping
is applied: the software tries to find a bell that has a pitch approximating
the correct pitch of the given midi notes. If this bell is found it is played,
otherwise nothing is played. The value of controller 72 determines how much
in cents the pitch may deviate. Note that if you put this value too low, very
few notes will result in a sounding bell. Check the table
at the bottom of this page to see which pitches are available.
In the making (2013]: lights, to be mapped on the note range 24-35

The lights are mapped on notes according to following table:
- Note #24: White LED strip
- Note #25: Left tungsten light (E10, 12V)
- Note #26: Right tungsten light (E10, 12V)
- Note #27: Frontal light.
- Note #28: Back light (E10, 12V)
- Note #29: Green light front left (3.3W, LED)
- Note #30: Green light front right (3.3W, LED)
The velo-byte steers the flashing speed for notes 24 to 28. With value 127
the light is simply switched on. With value 0 it is fully switched off. For
the lights 29 and 30, the velo byte steers the PWM signal for the driving
voltage, thus these lights can be dimmed.
Controller 123, with value 0, is implemented and switches all bells as well
as all lights off. It leaves the robot powered on though.
Technical specifications:
- power: 230V - 260Watt (peak)
- Size: (estimated) 1750 x 450 x1400
- Weigth: 150kg (estimated)
- As yet we do not have a flightcase for this robot.
- Data input: Standard midi or differential midi RS485. There are three midi
thru connectors.
- cost in production (insurance value): 13.500 €.
Pictures taken during construction:
07.04.2005
10.04.2005
10.04.2005
02.05.2005
26.05.2005
26.05.2005


01.11.2013
<Vitello>
After finishing <Vacca> we found ourselves still left with a quite large
collection of cowbells, large and small. So we decided to make a second, smaller
cowbell robot, the calb: vitello, in italian. This robot automates the playing
of another 32 cow bells, ranging in size between 35cm and 5cm in width. The
bells in this robot are struck in ther same way as in <Vacca> although
here, generally somewhat softer beaters where used. The original iron clappers
were removed from all the bells. The exact tuning of each bell has been measured
and a database is available. The cowbells used are of three basically different
types: the 'classical' Swiss type ('Almglocken'), the Austrian type (more spherical
in shape and commonly described as 'Froschmaul' in german) as well as the heavy
real-bell shaped bells as found in the canton of Basle.
Read more: go to special <Vitello> page for all
details, specs and history.
Nederlands:
<La Vacca>

De <Vacca> automaat is opgebouwd uit 48 koebellen. Dit type bel wordt
vervaardigd uit staalplaat (meestal op de oppervlakte voorzien van een laag
messing of braseerkoper) en wordt gekenmerkt door zijn korte galm. De bellen
worden aangeslagen met houten kogels en/of piano hamers aangedreven door snel
aansprekende elektromagneten. De oorspronkelijke gesmede weekijzeren klepels
werden overal uit de bellen verwijderd. Omdat de gebruikte piano hamers (opgebouwd
uit vilt) toch wat te zacht bleken, hebben we ze wat harder gemaakt door ze
te drenken in een dunne vernis. Aangezien we een vrij grote verzameling koebellen
in voorraad bleken te hebben, ontstond de mogelijkheid dit instrument mikrotonaal
te maken, tenminste toch voor een gedeelte van de beschikbare tessituur. De
laagste noten worden onder meer meegespeeld door heuse antieke olifanten bellen
uit India, opgehangen onderin het instrument. De eigenlijke koebellen, en enkele
erg grote exemplaren werden in de automaat opgenomen, behoren tot vier naar
vorm en klankkleur onderscheiden kategorien: het klassieke Zwitserse model,
verkoperd en met gekromd trapezoidaal lichaam, het Oostenrijks model (Froschmaul)
, sterk sferisch gevormd en met een ovale opening veel kleiner dan de grootste
diameter van de bel, het tiroler type, en het amerikaans slagwerk model zoals
onder meer gemaakt door Latin Percussion (LP), met een veel eenvoudiger vorm
en een wat doffe en vulgaire toon. Van dit type bestaat ook een autentieke variant,
die konisch of antikonisch is gebouwd, wat ronder klinkt maar minder penetrant.
Een wat aparte vijfde kategorie wordt gevormd door de olifant- en geitebellen
veelal afkomstig uit India en Pakistan. Deze zijn min of meer cylindrisch en
net zoals de Europese types meestal verkoperd, wat gezien het gebruik om de
nek van het vee logisch is omdat ze anders veel te snel zouden roesten. Ze bestaan
uit vrij dunne staalplaat en hebben een veel geringer dynamisch bereik dan de
Europese modellen. Het staal waaruit ze zijn gemaakt is ook niet gehard, wel
meestal gebraseerd of verkoperd. Ze zijn bovendien heel wat goedkoper. We hadden
nog een grote verzameling kameel-, geite- en koebellen uit hard hout (eerder
klappers of rammelaars, voorzien van 1 tot zes klepels) van zowel Afrikaanse
als Indonesische oorsprong, maar die weerhouden we eventueel voor een latere
automaat... De luidst klinkende koebellen zijn ongetwijfeld de 'klassieke' Zwitserse.
De meest ronde klank wordt voorgebracht door de froschmaultypes wat mede wordt
veroorzaakt door het feit dat het volume van de ingesloten lucht zich als een
Helmholtz-resonator gedraagt afgestemd (bij goede klokken altans) op de zoemtoom.
De bellen van het Tiroler type klinken uitgesproken kort en metaliek. Ze zijn
ook vaak niet verkoperd, maar van een laagje vernis voorzien, wat erop kan wijzen
dat ze eigenlijk in eerste plaats voor toeristen gemaakt worden. Een typologie
van de koebel, weergegeven in de vorm van een kleine reeks typische fotos, geven
we in onderstaande geillustreerde tabel:
| Swiss type |
Froschmaul type |
Goatbell / Herdeschelle |
Linear type |
Tiroler type |
 |
 |
 |
 |
 |
Het laswerk voor <La Vacca> was geen eenvoudige klus vanwege de enorme
diversiteit aan afmetingen, vormverhoudingen en materiaalsamenstelling van de
zeer heterogene verzameling koebellen. Geen gewoon TIG seriewerk dus, maar bel
per bel afmeten, passen, positioneren, korrigeren , lassen...
De elektronische aansturing van deze verzameling leverde daareentegen geen
bijzondere problemen op, daar we konden terugvallen op hardware reeds eerder
onwikkeld voor robots zoals <Llor>, <Troms> en <Puff>. Ook
hier wordt de aanslaggevoeligheid dus bereikt door een preciese regeling van
de pulsduur van de magneetbekrachtiging waarvoor een spanning wordt gebruikt
die 3.75 maal de nominale werkingsspanning (24V) beloopt voor de gebruikte elektromagneten.
De schakeling
voor de voeding kon uiterst eenvoudig worden gehouden, aangezien stabilisatie
van de 90V spanning niet nodig bleek vanwege de heel korte duur van de bekrachtigingspulsen:
De stabilisatie van de 5V spanning is geintegreerd in het midi-hub board vanwaaruit
alle andere boards zowel hun voeding als hun data input signaal betrekken. Voor
de lampjes werd een afzonderlijke 12V voedingsmodule ingebouwd. Aangezien een
koe toch moet kunnen grazen, voorzagen we <Vacca> van twee afzonderlijk
bestuurbare groene spotjes waarmee wat gras op de bodem kan worden gegenereerd.
Midi Mapping:
- midi note on + velo, luistert naar kanaal 4. Geen note off nodig (behalve
voor de lampjes).
- Als de midifile vanuit onze <GMT> software afgespeeld wordt, kan Vacca
in twee modi opereren, waartussen gekozen kan worden via controller 72:
- Als de waarde van controller 72 op 0 gezet wordt, worden midinoten 48 to
95 elk naar een bel vertaald, waarbij de toonhoogte wel niet overeenkomt met
de noot! In deze tabel vindt je terug welke toonhoogte
je dan wel krijgt.

Als controller 72 een waarde hoger dan 0 heeft, wordt een 'intelligente'
mapping toegepast, waarbij de software een bel zoekt die wel de juiste toonhoogte
heeft. De waarde van de controller bepaalt hoeveel cent afwijking hierbij
toegestaan is. Als er geen passende bel gevonden wordt, wordt er dan wel ook
niets gespeeld!
- Controller 66 (met een waarde > 0) moet worden gestuurd opdat de stroom
voor de bellen zou ingeschakeld worden. Wanneer waarde 0 wordt verstuurd,
wordt de stroom uitgeschakeld. Die moet in elk geval gebeuren alvoren de stroom
met de schakelaar op Vacca wordt uitgeschakeld. Ter kontrole monteerden we
op het hub-board naast het schakelrelais een oranje LED. Wanneer die brandt
is de stroom ingeschakeld, zoniet is hij uitgeschakeld en moet controller
66 worden verstuurd alvorens de koebellen tot klinken kunnen worden gebracht.
- Controller 123, met waarde 0 schakelt alle elektromagneten evenals alle
lampjes uit. De stroom blijft daarbij evenwel ingeschakeld.
- Program Change is implemented to select different velocity scaling lookup
tables. Use value 122 for optimum range. Legal values are 0 (no lookup used)
and 122 to 127.
-
De lampjes kunnen worden aangestuurd via volgende midi noten:
- Note #24: Witte LED strip bovenaan
- Note #25: Links gloeidraad lampje (E10, 12V)
- Note #26: Rechts gloeidraad lampje (E10, 12V)
- Note #27: Frontaal licht
- Note #28: Achterste gloeidraad lampje. (E10, 12V)
- Note #29: Groene LED spot links voor.
- Note #30: Groene LED` spot rechts voor.
Het velo-byte stuurt de flitsfrekwentie voor de noten 24 to 28. Met waarde
127 worden deze lampjes permanent ingeschakeld, zonder knipperen. Uitschakelen
kan via een note-off kommando. Voor de groene spots gemapt op de noten 29
en 30, stuurt het velo byte het toegevoerd vermogen aan de spotjes. Deze
spots kunnen dus ook worden gedimd.
Overzicht van de gebruikte bellen:
|
Bedradings nummer
- 1-16 = PIC board 1
- 17-32 = PIC board 2
- 33-48 = PIC board 3
- 49-54 = PIC board 4 - Vitelllo
|
Midi Note (absolute) |
toonhoogtes (pitches) (in midi) |
type bel |
bouwdiepte in mm / inklusief beugel |
breedte/hoogte |
breedte/hoogte
galmopening
|
gewicht / herkomst / notas |
| 1 |
48 |
45 / 52 |
Froschmaul |
370 |
400 / 290 |
234 / 205 |
kont bel |
| 2 |
49 |
50 / 67 |
Tiroler |
290 |
300 |
255 / 190 |
Kupsch |
| 3 |
50 |
51 / 68 |
Froschmaul |
320 |
350 / 220 |
230 / 130 |
kop - Botha |
| 4 |
51 |
53.3 |
Froschmaul |
305 |
340 / 250 |
205 / 190 |
Hotel |
| 5 |
52 |
54 |
Olifant |
400 |
|
220 |
India |
| 6 |
53 |
57/60 |
Froshmaul |
243 / 270 |
261 / 178 |
163 / 120 |
Zickwolf |
| 7 |
54 |
57 |
Olifant |
380 |
|
215 |
India |
| 8 |
55 |
59 |
Olifant |
|
|
180 |
India |
| 9 |
56 |
48 / 72 |
|
|
|
|
|
| 10 |
57 |
48/ 60 |
Froschmaul |
225 |
250 / 140 |
190 / 75 |
mounted on the right backside |
| 11 |
58 |
68 |
|
|
|
|
|
| 12 |
59 |
69.5 |
|
|
|
|
|
| 13 |
60 |
70 |
Tiroler |
150 |
140 |
110 / 83 |
Kupsch |
| 14 |
61 |
71 |
LP |
|
|
|
|
| 15 |
62 |
72 / 88 |
Tiroler |
130 |
140 |
100 / 75 |
|
| 16 |
63 |
72.5 |
LP |
|
|
|
|
| 17 |
64 |
72.5 |
Zwitsers |
|
|
|
|
| 18 |
65 |
72.8 |
Zwitsers |
|
|
|
|
| 19 |
66 |
73.5 |
|
|
|
|
|
| 20 |
67 |
74 |
|
|
|
|
|
| 21 |
68 |
73 |
LP |
|
|
|
Latin Percussion |
| 22 |
69 |
75.2 |
|
|
|
|
|
| 23 |
70 |
75.8 |
|
|
|
|
|
| 24 |
71 |
76 |
|
|
|
|
|
| 25 |
72 |
76.5 |
Tiroler |
105 |
130 |
79 / 57 |
|
| 26 |
73 |
78 |
Froschmaul |
|
110 / 70 |
75 / 50 |
|
| 27 |
74 |
76.8 |
|
|
|
|
|
| 28 |
75 |
77.9 |
|
|
|
|
|
| 29 |
76 |
79 |
Zwitsers |
|
|
|
rommelmarkt 21.05 |
| 30 |
77 |
78.5 |
|
|
|
|
|
| 31 |
78 |
80 |
Zwitsers |
|
|
|
|
| 32 |
78 |
80.5 |
80.5 |
Zwitsers |
|
|
|
| 33 |
80 |
81 |
Zwitsers |
|
|
|
|
| 34 |
81 |
81 |
|
|
|
|
|
| 35 |
82 |
81.6 |
|
|
|
|
|
| 36 |
83 |
81.8 |
Zwitsers |
|
|
|
|
| 37 |
84 |
82 |
Zwitsers |
|
|
|
|
| 38 |
85 |
82 |
|
|
|
|
|
| 39 |
86 |
81.5 |
|
|
|
|
|
| 40 |
87 |
83 |
Tiroler |
|
|
|
|
| 41 |
88 |
83.5 |
Zwitsers |
|
|
|
|
| 42 |
89 |
84 |
|
|
|
|
|
| 43 |
90 |
84.1 |
|
|
|
|
|
| 44 |
91 |
86 |
Zwitsers |
|
|
|
|
| 45 |
92 |
84.5 |
Zwitsers |
|
|
|
|
| 46 |
93 |
86.6 |
Froshmaul |
|
|
|
exchanged 25.05.2008 |
| 47 |
94 |
87 |
Tiroler |
|
|
|
|
| 48 |
95 |
88 |
Froschmaul |
|
|
|
|

elephant
bells



`
<Vitello>
Nadat <Vacca> was afgewerkt hadden we nog een erg ruime verzameling koebellen
op overschot. Daarom besloten we de koe ook een kalfje te gunnen, waardoor <Vitello>,
italiaans voor kalf ontstond. <Vitello> omvat 32 koebellen van drie verschillende
types, waaronder een type dat niet in <Vacca> is terug te vinden: de ronde
tamelijk zware gegoten klokken zoals we die aantreffen in het kanton Basel.
Een afzonderlijk pagina over <Vitello> geeft gedetailleerde
informatie, bouwgeschiedenis en specifikaties.
Bouwdagboek:
- 25.03.2005: eerste verzameling en sortering van de in voorraad zijnde koebellen.
- 26.03.2005: eerste tekeningen en berekeningen.
- 29.03.2005: eerste inventarisatie beschikbare koebellen. Opmeting grondtoonhoogtes.
- 31.03.2005: strooptocht naar koebellen in brocante en rommelwinkels. Geen
buit.
- 01.04.2005: Moniek ving buit bij Thoma: enkele LP cowbells.
- 02.04.2005: Jacht op koebellen bij zowat alle rommelzaken in en rond Gent.
Geen buit, behalve enkele kleinere exemplaren op de prondelmarkt aan Sint
Jacobs.
- 03.04.2005: Ontwerp elektronische besturing. Twee assen gedraaid op draaibank
en voorzien van gleuven voor omega-ringen ter borging van de wielen. Aslengte:
400mm, diameter 25mm gehard staal. De wielbasis en opbouw wordt ontworpen
voor uitvoering in inox.
- 04.04.2005: Inox bestelling geplaatst bij Demar Lux. 50x30 profielen voor
wielvork gezaagd en geboord. Extra elektromagneten besteld bij August Laukhuff.
Konstruktie drager voor olifantbellen en 6 LP cowbells. (Inox 15x15x2x920)
- 05.04.2005: Ontwerp stuurstang. Eerste montage wielstel. Konstruktie houten
kloppers voor de olifantbellen.
- 06.04.2005: Het door Moniek bestelde koebelletje via e-bay is geleverd.
Ook de inox levering van Demar Lux is nu binnen. Het werk aan het wielstel
gaat voort: voor- en achtervork gelast. Aansluiting met T stuk, draaibaar,
voor stuurstang voorzien. Montage pianohamers op elektromagneten.
- 07.04.2005: konstruktie draagprofiel onderstel, tevens verbinding tussen
beide assen. Levering elektromagneten Laukhuff.
- 08.04.2005: Ontwerptekeningen bovenbouw, beldragers onderste gedeelte. Vandaag
geen koebelbuit op de rommelmarkt.
- 09.04.2005: Een koebel buitgemaakt op rommelmarkt. (noot 78, Froschmaul-type).
Moniek zet haar speurtocht op e-bay de hele dag voort. Buit tegen 20u30: twee
heel grote koebellen.. Koebel fotos toegevoegd op deze pagina. Laswerk binnenkader
(510 x 940mm) afgewerkt. Montage elektromagneten olifantbellen. Deze elektromagneten
zijn op 'stoeltjes' bevestigd met twee inox M4 x 16 inbus boutjes.
- 10.04.2005: Laswerk en montage dragers elektromagneten voor de LP koebellen.
Plaatsing elektromagneten voorzien van vilten pianohamers hierop. Montage
rem op een van de wielen (M12 draad, getapt). Konstruktie kruisdisselbesturing
(Inox, plat 30x10). Reeds 9 bellen voorzien van aandrijving en dus in principe
speelklaar. Meetwerk bevestiging eerste reeks bellen. Moniek's speurtocht
op e-bay gaat onverminderd voort.
- 13.04.2005: doorlopende e-bay search en opbieden voor koebellen...
- 14.04.2005: Moniek heeft nog 5 koebellen verworven via e-bay...
- 18.04.2005: Zwitserse koebel geleverd. Uit Basel. Bruikbaar voor noot 60,
maar moet nog wat bijgestemd worden.
- 19.04.2005: Twee pakken met 3 hele grote koebellen geleverd: noten 45, 51,
60. Het bieden op e-bay gaat nog steeds door.
- 20.04.2005: 30cm koebel op spoor via ebay.
- 21.04.2005: klepels verwijderd uit alle bellen.
- 22.04.2005: ontwerp schikking kleine koebellen op drager.
- 23.04.2005: eerste schikking grootste bellen. Nieuwe aankoop koebel door
Moniek via eBay.
- 27.04.2005: nieuwe aankoop koebel op eBay door Moniek.
- 30.04.2005: Moniek gaat door met de jacht op eBay. Ze is klaarblijkelijk
bezeten door de idee dat wanneer ik meer koebellen heb dan nodig, ik een kalfje
bij de koe maak. Laswerk bochten op de twee inox dragers voor de kleine koebellen.
Buislengte 1000mm, diameter 25mm.
- 01.05.2005: Twee rijen van 11 koebellen (L1-L11 en R1-R11) op inox drager
gelast. Voor het TIG-lassen van de (stalen) koebellen op de inox drager werd
toevoegmateriaal W19123L81 gebruikt. 11 elektromagneten voorzien van hoge
en harde pianohamers en gemonteerd op plat inox 4mm dikte voor de bellen L1-L11.
- 02.05.2005: Bellenrij L1-L11 en R1-R11 afgewerkt en op chassis gemonteerd.
Nu zijn er reeds 31 bellen gemonteerd en van een elektromagneet voorzien.
Nieuwe werkfotos toegevoegd op deze pagina.
- 03.05.2005: Eerste afregeling hamertjes. Hamerkoppen moet klaarblijkelijk
rondgezet worden.
- 06.05.2005: Drie pakken met koebellen toegekomen, aangekocht via ebay door
Moniek.
- 09.05.2005: Levering Andreas Kupsch toegekomen. Drie groter tirolers. Pak
met 3 froschmaul bellen toegekomen. Een gescheurde bel dichtgebrasseerd.
- 10.05.2005: Aflevering 2 koebellen. Gift geitebel vanwege Emanuel Dumoulin.
- 11.05.2005: Gift koebel Thomas Smetryns. Bestelling extra elektromagneten
bij Laukhuff.
- 12.05.2005: Design en tekenwerk voor bovenetages bellen.
- 14.05.2005: Zaagwerk draagstruktuur elektronika en voeding.
- 15.05.2005: Laswerk dragers elektronika. Plaatsing microprocessorprinten.
- 16.05.2005: Laswerk grootste koebel (45) op achterdeel, hangend. Laswerk
stuurstang. Argon leeg...
- 17.05.2005: Inox lasbochten 25mm geleverd. Nieuw Argon gas. Konstruktie
midi-input board en 5V dc voeding voor de PIC boards. Grote koebel geleverd,
gekocht via ebay.
- 18.05.2005: eindmontage en bedrading voedingsblok en midi I/O. Elektrische
tests voedingsspanningen en midi I/O o.k. Gatenklok uit Tirol geleverd.
- 21.05.2005: drie lage frontklokken gemonteerd en voorzien van elektromagneten.
Extra koebellen gevonden op rommelmarkt gent.
- 22.05.2005: tweede etage koebellen opgelast. Kopbel gemonteerd.
Alle
48 koebellen in <Vacca> zijn nu gemonteerd en vastgelast. Nog 6 aanslaghamers
blijven te monteren en te lassen. Eerste bellenselektie gemaakt voor <Vitello>.
- 23.05.2005: Ontwerp en bouw klopper en elektromagneet voor de kopbel. Deze
wordt uitgerust met een zware houten bol als klopper. Op het kontaktpunt komt
een laagje leder.
- 24.05.2005: Alle hamers gemonteerd en gelast. Nieuwste reeks voorzien van
M4 inox hex-inbus stelschroeven voor de trajektbegrenzing.
- 26.05.2005: Frontale steunen aangelast (25mm inox buis). Stoppen op stuurstang
gelast. Staartstuk geplooid en gelast. Alle laswerk is nu in principe klaar.
De bedrading is de volgende stap. Konstrukiefotos toegevoegd op deze sitepagina.
- 29.05.2005: Voorlopige veer gemonteerd op stuurstang.
- 31.05.2005: Start wiring. Lowest 25 bells are fully wired now.
- 01.06.2005: Bedrading <Vacca> helemaal afgewerkt. Nu juist nog de
PIC firmware en de afregeling van de hamertjes kan beginnen. Fotos van de
afgewerkte automaat toegevoegd op deze webpagina.
- 02.06.2006: Na heel wat PIC's te hebben opgeblazen met Johannes, speelt
Vacca nu toch zijn eerste voorlopige toonladdertjes. De firmware voor de pulsduur
moet nog wat gerescaled worden en de scaling aangepast aan het gebruikte type
elektromagneet. Het werk aan de afregeling en intonering van de hamers kan
nu beginnen.
- 03.06.2006: begin afregeling hamers. Changes for Vacca test.
- 09.06.2006: lederschijfjes gekleefd op de zware houten hamers voor de grootste
koebellen.
- 10.06.2005: afregeling hamertjes. Verharding vilten.
- 11.06.2005: verdere afregeling. Achterste bellen moeten nog een resonantievrij
steunpunt krijgen. Redaktie testkode in GMT. Opstelling lookup tabellen voor
velocities. PIC-reset bug ontdekt. <PicraVacca> toegevoegd aan de PicRada
suite. Update tabel bellen en midi-map.
- 12.06.2005: Velocity scaling tabellen opgesteld. Nieuwe firmware voor de
PIC's (V2.0) gebrand met in de hoogte begrensde pulsduren. De minima zijn
nu evenwel niet meer bruikbaar.
- 13.06.2005: Hamertjes voor de hoge bellen nog wat harder gemaakt.
- 16.06.2005: <Vacca> speelt zijn eerste koncert in het M&M robotorkest...
- 10.07.2005: Nieuwe PIC's geprogrammeerd (met sysex implementatie voor velocity
scaling).
- 17.07.2005: plaatsing nieuwe PIC's en toevoeging testkode in GMT voor toonladders.
- 19-20.07.2005: Vacca premiere in Ruemlingen, Zwitserland.
- 01.09.2005: besturingsfunkties toegevoegd in GMT. Implemenatie in de GMT-player
door Kristof Lauwers.
- 03.03.2006: Vacca laat een steek vallen... Een elektromagneet volledig doorgebrand
en gesmolten. Oorzaak???
- 06.03.2006: Herstelling doorgebrande magneet op Vacca. (LP cowbell, midi
noot 68, pitch 73, bedradingsnummer 21.)
- 07.03.2006: Herstelling mosfet op vacca print 2 (mosfet nr..5) IRL640
- 16.07.2006: 12V-230V inverter opgebouwd voor openlucht akkugevoede performances
met Vacca op de Gentse Feesten.
- 17-18.07.2006: <Vacca> speelt op de Gentse Feesten in het Baudelopark.
- 21.07.2006: <Vacca> opnieuw op de Gentse Feesten in het Baudelopark.
- 23.07.2006: <Vacca> voor de laatste keer op de Gentse Feesten in het
Baudelopark.
- 18-19.11.2006: <Vacca> op reis naar Den Bosch, November Music Festival..
- 16.02.2007: afregeling en bijstelling hamertjes.
- 23.05.2008: Vacca op transport naar Amsterdam (Orgelpark).
- 24.05.2008: Een koebel afgebroken (gemerkt, 86+) naast de lasnaad in transport.
De bel aan de tegenovergestelde zijde bleek ook intern beschadigd. Vacca werd
toch wellicht door iemand bij die bellen opgetild...
- 25.05.2008: Herstelling en vervanging koebel, gemapt op midi noot 93. Werkelijke
toonhoogte: 86.5. Gezien de afwijkende maat (de vroegere bel was een zwitsers
type dat we nu vervingen door een Froschmaul exemplaar), dienden we ook de
hamer te vervangen. Het vilt moet wel nog gehard worden.
- 27.03.2009: Afregeling hamertjes. <Vacca> speelt een demo op 'Gent
Scheppende Stad' in de Vooruit.
- 20.04.2013: <Vacca> survived the trip to Glasgow very well! We expect
her back in Ghent on monday 22nd of april.
- 23.04.2013: The hammers need readjustment. Maybe an occasion to revize and
improve the fallback of the hammers.
- 24.10.2013: <Vacca> urgently in need of readjustment. We will temporary
take it out of the orchestra and maybe even add some lights on <Vacca>...
However this entails adding an extra power supply as well as a midi-hub board.
Redesign of the hammer fallback mechanism: letting the backside of the hammers
fall on a thick piece of felt not only improves mechanical self resonance
problems but also makes much higher repetition speeds possible. Two mechanisms
changed in accordance to the new design. The fallback felt holder being made
from 2mm thick stainless steel. Looks like a complete revision of the robot
will take us a couple of weeks. This revision, taking profit of the results
of our research project for the School of Arts as applied for instance in
our <Temblo> robot, is envisaged to become
part of our ongoing research project.
- 25.10.2013: A full day of work on Vacca: the entire left side readjusted,
fallback holders made and mounted, solenoids for the three LP cowbells exchanged
for models with retainers. Also the hammers for these bells are now hard rubber,
so the sound will be softer than with the original hardened felt hammers.
The broken off bell replaced with a small Froschmaul type and securely welded
(midi note 93). One other bell had a handle that got loose, so we also welded
it.
- 26.10.2013: Start work on the right side of Vacca. Also here we added a
small E10 lightbulb. Upper row bells done. 14h00: Fourteen more bells to go...
16h20: Eight more bells to go... This what the mechanism looked like before
our changes during this working session:
.
And, this is the improved version with the fallback felt:
Repetition speed is greatly improved as a result of this modification.
- 27.10.2013: All hammers revized. The LP-cowbells on the right side are now
also played with hard rubber balls and here also we replaced the solenoids
completely. Vacca is in perfect playing condition again. Yellow LED spotlight
added to the front, two E10 fitting bulbs (must be 12V types) left and right
on the front side and a bright white LED strip-light between the bells. Design
of a PIC circuit to drive the newly added lights on Vacca, It might be a good
idea to implement ctrl.66 for power on/off via a hefty relay. We will have
to add a new 12V power supply though.
- 28.10.2013: 12V power supply ordered from Farnell as well as some suitable
12V bulbs.
- 29.10.2013: Circuit drawing and soldering midihub board. The power relay
will be mounted on the board. The XP Power modules from Farnell came in. Version
1.0 of the firmware written and programmed in the PIC controller. Source code
made available here. Frontal
light mounted.

- 30.10.2013: Opening the black box enclosing the power supply revealed that
the electrolytic capacitors in there where at the point of exploding... We
experienced a similar problem with the same type of power supply (Velleman)
applied in our <Thunderwood> robot. We
will have to rebuild the power supply completely. We preserve only the original
toroidal transformer. Decision made to add two green lights ponting to the
floor on the head side of the robot. Cows ought to graze after all. Original
midi-in circuitry removed and replaced with the circuitry provided on the
new midi hub board. We removed the 74HCT14 chip from the first pulse board,
as we now feed midi from the hub board.

- 31.10.2013: Wiring and mounting of new circuitry finalised. Green lights
mounted on the front. Test of the renewed <Vacca>. Cttrl.66 functions
fine, lights work as predicted. Seems o.k. New circuitry documented and added
to this webpage together with some pictures.
- 01.11.2013: Testing of existing pieces for <Vacca>. Filing of the
felt on some of the hammers to improve resonance. The striking point should
be minimum 60 mm away from the edge of the bell for a decent sound. Hammer
for bell hardened with some varnish. Extra support bar welded on back bell
(midi note 57) and fall-back mechanism with felt added.

- 02.11.2013: New velo lookup tables should be placed in the eeproms using
midi sysex. We will confine this task to Kristof Lauwers.
- 05.11.2013: Kristof Lauwers work on reprogramming the sysex settings for
the velocity scaling. These can be applied by sending program change 122 over
midi.
- 01.07.2023: Vacca helemaal getest en o.k. bevonden.
- 14.09.2023: <Vacca> gaat samen met <Vitello> en zowat het hele
robotorkest naar de Deutsche Oper Berlin.
- 02.10.2023: <Vacca> komt terug aan in Gent vanuit Berlijn. Afgezien
van enkele verbogen ophangbeugels van de bellen, geen noemenswaardige beschadigingen.
- 05.11.2023: De M5 bout waarmee de grootste olifantenbel vastzit blijkt te
zijn losgekomen. Er zijn echter twee mensen nodig om dit te herstellen...
Last update: 2023-11-06 by Godfried-Willem Raes
Servicing and spare parts information:
<Vacca>:
Piano hammer solenoids: August Laukhuff, Weikersheim. Katalog nr. 300110, 24V
- 140 Ohm (171mA), without varistors and wires. Pulling force at lowest drilled
hole in anchor: 9.8N for a displacement of 2.5mm, at highest hole 4.9N for a
displacement of 5 mm.
For the very large cowbells and for the elephant bells, another Laukhuff-type
was used: Trakturmagnet, 24V 0.5A @ 100%DC - 10 Newton
All solenoids run from a 90V DC supply, so 3.75 times their rated voltage.
12V power: XP Power, type ECL25US-E, 12V, 2.1A (Farnell)
Wheels: Kaiser & Kraft.
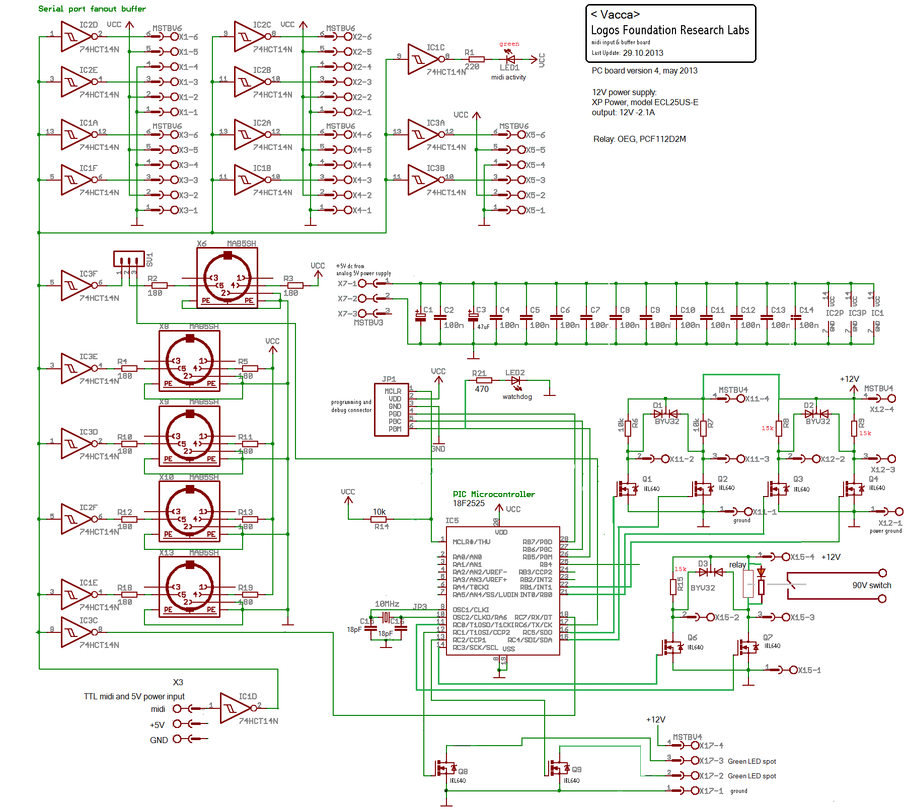
Power supply circuit:

Hub-board circuit diagram:

Source code for hub firmware.
(PIC 18F2525)
Source code for the solenoid PIC's
(ZIP file)
Lights:
- E10 bulbs: 12V- 3W (Farnell)
- Paulman Green LED spot, 3.3W (Conrad bestelnr.133-128-41, 578396, 1-615-066)
- LED-smd strip, white 12V (Farnell)
- Yellow LED spot, 3W (Conrad)
If replacing bulbs, make sure that the total power stays under 24W, as this
is the maximum deliverable power for the 12V power supply.
Historisch materiaal m.b.t. het gebruik van koebellen:
Zwitsers koebellen
orkest...
Appenzell,
postkaart opgenomen in het archief van Stichting Logos.
terugkeer van de alpenweide met koeien en klokken rond de eeuwwisseling 19e-20e
eeuw.