Dr.Godfried-Willem RAES
Kursus Experimentele Muziek: Boekdeel 2: Live electronics for composers and musicians
Hogeschool Gent - Departement Muziek en Drama
| Terug naar inhoudstafel: <Index kursus> | Terug naar tijdsmeting/pulsopwekking | Naar delers |
2041
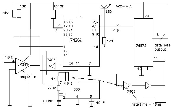
FREKWENTIEMETING
Toepassing :
Nodige inputsignalen : periodieke pulstrein
Gewenste output : numerieke waarde
Een interne klok waarvan de frekwentie nu veel lager moet zijn dan die van het te meten signaal, genereert in dit geval een start-puls en een stoppuls , bvb. elke sekonde. (de zogenaamde 'Gate'-puls). Gedurende die tijdsafstand telt een teller elke binnenkomende puls. De bereikte tellerstand bij het ontvangen van de stoppuls, komt exakt overeen met de frekwentie van het ingangssignaal. De numerieke waarde van de gemeten - of getelde- frekwentie , kan dus slechts na afloop van elke gate- puls uitgelezen worden. In een muzikale kontekst dient men echter heel voorzichtig te zijn met het interpreteren van het meetresultaat als toonhoogte ! Immers de gemeten frekwentie zal slechts dan met de juiste toonhoogte overeenstemmen, wanneer het ingangssignaal kwa toonhoogte gedurende het meetinterval absoluut konstant bleef. Dit is met akoestische muziekinstrumenten en hun bespelers slechts zelden het geval : niet alleen kunnen kleine glissandi en vooral vibrato veel roet in het eten gooien, maar bovendien kan de boventoonstruktuur van een muzikale toon zo zijn dat de fysisch-akoestisch sterkst aanwezige komponent helemaal niet met de muzikale grondtoon overeenstemt. Daarom is het altijd nuttig voor frekwentiemetingen steeds eveneens een oscilloscoop te gebruiken, waarop de golfvorm kan worden geevalueerd. Hiermee kunnen immers eenvoudig het aantal nul-doorgangen van de golfvorm bekeken worden. Wanneer het spektrum gedurende het verloop van de toon sterk verandert - bvb. bij een lage pianosnaar, pizzicato's of bij gongs e.d.m., zijn frekwentiemetingen bijna steeds volkomen onbetrouwbaar. Een muzikaal veel betere meetmethode bestaat er dan in , een elektronische toongenerator, aangesloten op een frekwentiemeter te gebruiken en deze af te stemmen op de audio-perceptorisch waargenomen toonhoogte van de klank waarvan we de frekwentie willen weten. Met andere woorden, we stemmen onze toongenerator gelijk met de klank ( geen zwevingen) , waarna we op de frekwentiemeter de frekwentie kunnen aflezen.
Een praktisch uitgewerkt ontwerp, waarin met al dergelijke komplikaties werd rekening gehouden, is terug te vinden in de bouwbeschrijving en het ontwerp van onze <Rodo> robot.
Om het principe van de frekwentiemeting duidelijk te maken werkten we een konkrete elementaire schakeling uit , die overigens sterke gelijkenissen vertoont met de tellerschakeling.

Wie graag een uitgebreide frekwentiemeter wil gaan bouwen, inclusief een multidigit display verwijzen we naar de uitgebreide elektronische literatuur terzake. Een eenvoudig en nabouwzeker ontwerpje is te vinden in:302 schakelingen, uitgever: Elektuur, p.104-106.
Frekwentiemeters zijn ook koerant als bouwpakket leverbaar via de onderdelenhandel. In een ietwat meer uitgebreide multimeter treffen we ze de laatste tijd ook aan, ook al is het meetbereik dan beperkt tot maximaal zo'n 20kHz, wat voor audiogebruik wel kan volstaan. Moderne digitale oscilloskopen beschikken vandaag steeds over ingebouwde frekwentiemeters. (Rigol, Fluke, Tektronix).
Terug naar inhoudstafel: <Index kursus>
Terug naar tijdsmeting/pulsopwekking
Naar delers
Naar homepage dr.Godfried-Willem Raes