| " Vox Humanola" |
|
Godfried-Willem RAES 1996 |
|
[Nederlandstalige versie] ARCHIVAL VERSION for newest version click here! |
<Vox Humanola> is the oldest organ automate (Module 1) in our modular large barrelorgan project. Its construction started in 1996. It went through a complete revision in 2005. This page documents the original version only.
This register module was first finished and in playing condition on 10th of august 1998. This module uses Vox Humana register pipes, recycled and restored from an old organ dating from the end of the 18th century, as well as a set of computer controlled authentic Spanish castanets...

The register consists of 56 reed-pipes in the range 36 to 91 (midi-notes as reference). The castanets, 8 pairs, are mapped into the midi range 120-127. The module is fully polyphonic. The midi-notes 0 to 6 are mapped to an electronic control circuit controlling the rotational speed of the compressor. Note 7 is mapped on a large and very loud horn sounding low G. The module can work under midi control and can be set to receive on any midi channel (1 to 16).
Midi notes 0 to 6 are used for expression control: they control the rotation speed of the compressor. Midi note 6 resets the speed to 'normal'. The midi notes 8 to 15 can be used to control the solenoids pushing the bellows for the lowest windchest, whereas the notes 16 to 23 are used for the highest windchest. These pushers can be used as a Tremulant but also to play accented notes.

The wind is provided by a Laukhuff 'Ventus'-type axial compressor
working on a 200mm WK windpressure (=0.196 Bar = 19620 Pascal = 0.203 Atm) at
2 cubic meter per minute. Motor specifications are: 230V/1.5A or 400V/0.9A,
2800 rpm, 0.33HP or 0.24kW. The bellows (one for each windchest) are made from
flexible ventilation tubing. The windchest is a welded steel construction and
uses modified industrial M&M solenoid valves with orifices in the range
4mm to 10.5mm. The anchors have been shortened a bit (1 a 2 mm) and at their
bottom end covered with felt. We used a grinder for this pretty tedious job.
Furthermore, the tension of the return spring was halved by cutting of 3 turns
of the helical spring and stretching it again after this operation.
The <Vox Humanola> module is transportable on its own wheels. It weights ca. 250kg. The electric connection requires 3-phase current: 3x 400V. Power consumption: ca.350Watt.
| Back to Logos-Projects page : projects.html | Back to Main Logos page:index.html | To Godfried-Willem Raes personal homepage... | To Instrument catalogue | Piperola |
<Vox Humanola> is de oudste module in ons geautomatiseerd modulair draaiorgel projekt. De bouw begon in 1996 en de automaat werd pas in 2003 helemaal voltooid. Zijn eerste noten kon hij reeds spelen sedert 1998, maar de mogelijkheden werden in de daaropvolgende jaren, beetje bij beetje, gevoelig uitgebreid. Deze webpagina beschrijft alleen de oorspronkelijke versie van de hardware.

Het eerste orgel register
waarvoor we een automatisering ontwikkelden was de oorspronkelijke 'Voix Humaine':
een tongwerk over 5 oktaven uitgevoerd als 8-voet. Naar oude Gentse gewoonte,
waren de registerbenamingen uitsluitend in het frans op het orgel aangebracht...
Wellicht ook niet toevallig dat we als uitgangspunt uitgerekend dat register
uitkozen waarvoor binnen de 'autentieke' (door pseudo-barok opvattingen gedomineerde...)
orgelwereld vandaag zowat de grootst mogelijke afkeer bestaat. Een module opgebouwd
uit twee afzonderlijke windladen werd voor deze pijpen gebouwd, een eerste voor
het onderste bereik van twee oktaven (24 pijpen), een tweede voor de overige
32 pijpen. Experimenten tijdens de bouw en ontwikkeling van deze module wezen
uit dat velocity sturing voor tongwerken, geen goede resultaten oplevert, al
voegden we toch twee afzonderlijke tremulanten toe in 2003. Wanneer een sterke
overdruk wordt gebruikt kunnen de pijpen weliswaar de gekste geluiden voortbrengen,
maar de stemming gaat dat geheel verloren... Daarom beslisten we voor deze module,
de implementatie van een velocity sturing geheel te laten vervallen en te vervangen
door een globale druksturing via regeling van de druk in de beide windladen.
De module werd opgebouwd als een rek, voorzien van wielen, met twee rijen pijpen.
Een volkomen zelfstandig geheel, inklusief voedingen, windvoorziening en midi-komputer,
gebaseerd op een kit van Pavo. Als extra, overigens in overeenstemming met een
traditie in de orgelbouw die teruggaat op de 18e eeuw, voorzagen we in een heuse
tremulant. Deze wordt gestuurd door een gelijkstroommotor die via de beide balgen
voor modulatie van de luchtstroom instaat. De balgen hadden we toch al nodig
om de luchtdruk te stabiliseren. We bouwden ze gebruik makend van fleksibele
ventilatieslang (diameter 27cm) en de afgeslepen uiteinden van een afgedankt
ekspantievat. Voor de windvoorziening bestelden we aanvankelijk een radiale
kompressor bij orgelbouwer Ghuislain Potvlieghe, die ons tevens adviseerde in
verband met de keuze van het juiste type: een Laukhuff, 'Ventus' 3m3/95mm lopend
op 2800rpm en gevoed door een rustig driefazenstroompje. Bij de eindmontage
bleek echter over de ventielen een drukverlies van ca. 50% te ontstaan, zodat
we uiteindelijk onze toevlucht namen tot een wat hogere winddruk 200mm en een
andere kompressor. Het 95mm WK type gebruikten we dan maar voor onze tweede
orgelmodule, de Piperola.
Gebruikte ventielen:

Alle ventielen werden omgebouwd alsvolgt: van de ankers werd 1mm staal afgeslepen, terwijl op het vaste gedeelte van de spoelkern een vilten kussentje van 0.5 mm dikte werd aangebracht. Hierdoor werd het trajekt van het anker met 0.5mm vergroot, waardoor de druk beter kon worden geregeld. De veerspanning werd zo aangepast, dat de ventielen bij een aangebrachte druk van 1 Bar en zonder bekrachtiging van de spoelen, net begonnen te lekken. Dit bleek even essentieel als adekwaat voor het dempen van de anders oorverdovende klikgeluiden die deze ventielen maken wanneer ze worden geschakeld. De voedingsspanning voor de ventielen werd genomen op de laagste waarde, waarop ze nog allemaal zeker opengaan en daarbij een tempo van minstens 16 schakelingen per sekonde kunnen halen. Afhankelijk van het type ventiel, tussen 15 en 22 Volt. De werkdruk voor deze module werd genomen op 200mm waterkolom.
Voor de intonering, restauratie van het pijpwerk en de regulering van de windvoorziening deden we beroep op organist/klavecinist Marc Maes, die zich intussen tevens is gaan toeleggen op de professionele studie van de orgelbouw. Ook de stemming van het instrument (la=440 werd gekozen omwille van de mogelijkheid tot samenspel met andere instrumentenen automaten van het M&M orkest) werd door hem verzorgd.
Aangezien de komputerschakeling (de schakeling van
het interface, gesteund op een Pavo kit (een 6805 processor) , hebben we hiernaast
afgedrukt) in staat is om tot 127 ventielen polyfoon en onafhankelijk te schakelen
en omdat de Vox Humana pijpen slechts 56 ventielen gebruiken, bedachten we een
'extraatje': automatische kastagnetten! Hiervoor gebruikten we 8 elektromagneten
die elk een paar kastanjetten kunnen doen klapperen. De kastagnetten werden
gerangschikt naar scherpte van klankkleur, zodat een genuanceerd spel mogelijk
wordt. Ze werden gemapt op het midi nootbereik 120-127. Onnodig te zeggen dat
de spelmogelijkheden die van een menselijke speler verre overtreffen... Door
deze toevoeging, kreeg de Vox Humana meteen een knipoog naar het draaiorgel
en de orkestrion. Vandaar de naam die we voor deze module bedachten: de Vox
Humanola, het heeft iets van een pianola en klinkt een beetje spaans, wat dan
de aanwezigheid van de castagnetten verklaart.

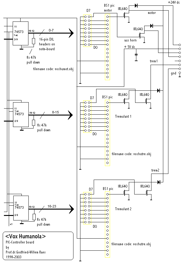
De besturings PIC processorschakeling is te zien op het schema hierboven. Het bedradingsdetail, hier toegevoegd ten behoeve van onze technici wanneer deze met de machines op toernee zijn, staat hieronder:

De lamp in serie met de toeter werkt als spanningsgestuurde weerstand. Wanneer vervanging nodig zou zijn, moet een Osram Halolux Ceram type nummer 64467KL - 230V geplaatst worden (met bajonetfitting). Het in de nul-doorgangen schakelend 3-fazen relais is verkrijgbaar bij Conrad Electronics. De elektromagneten komen van de firma August Laukhuff. De wipsschakelaar met drie standen is op het frontpaneel van de automaat gemonteerd.
Afmetingen:
Elektrische aansluiting:
Gedetailleerde dimensionering voor de bouw van de Vox Humana register module:

hartafstanden boorgaten ventielen (gemonteerd in bolvormig uitgefreesde rubberhulzen, gevat in roodkoperen cilinders met een buitenmaat van 22mm, waarop de pijpen winddicht kunnen rusten):
| windlade hoog (32 pijpen) | windlade laag (24 pijpen) |
|
|
| Oppervlakte doorlaat windlade= 402.1239 mm^2 | Oppervlakte doorlaat windlade = 1378.374 mm^2 |
| Diameter windvoorziening windlade >= 22.6mm | Diameter windvoorziening windlade >= 41.9mm |
Normale werkingsdruk in diverse gangbare eenheden (de
praktische werkingsdruk kan +/- 50% varieren):
- druk in Bar = .1962 Bar
- druk in Pascal = 19620 Pascal
- druk in atmosfeer = .2027 Atm
- druk in Torricelli = 149 Tor
- druk in mm waterkolom = 200 mm waterkolom
Maximaal luchtverbruik per windlade (bij klusters):
Motor specs: 0.33HP or 0.24kW (230V/1.5A or 400V/0.9A) 2800 rpm
| (Terug) naar logos-projekten: projects.html | Terug naar Logos' index-pagina | Naar Godfried-Willem Raes personal homepage... | Naar katalogus instrumenten gebouwd door Godfried-Willem Raes |
Last update: 2005-07-21 by Godfried-Willem Raes