|
automated
pipe organ module
|
|
<Piperola> dr.Godfried-Willem
RAES 1998-2007 |
<Piperola>
<'Piperola> became the second organ module of our large scale automated barrelorgan project, later to become the Logos robot orchestra. The first working version was finished in july 1998, and made its first official public appearance in my street opera production 'Rednick'. On saturday 20th of june, however, the module played its first -then out of tune- scale...
This module uses 2"-flute register pipes, recycled from the same old (end 18th century) organ from which we also recycled the 'Vox Humana' pipes used for the <Vox Humanola> module. The original register was labeled 'Octavin'.
The register consists of 49 metal flue-pipes in the range 60 to 108 (midi-notes as reference). The notes 60 to 71 use semi-stopped lead-pipes (modified waldfloete), in order to save in size, whereas the notes 72 to 108 use open flue pipes. The pipes stand freely on the valves, held in place by a thick wooden pipeholder. The module is fully polyphonic.
For maintenance, the open pipes could originally be tuned with a small slit in the upper end of the pipes, whereas the stopped pipes had a slidable cap covering their end. Instead of the usual paper, teflon was used to make the slides airtight. Teflon came out to be a by far superior material in these applications than the more traditional stuff, blue paper. In 2007 we changed and improved the pipework of <piperola> and used closed pipes for the lower octave. These no longer have slidable endcaps and can only be fine-tuned with the beards. The slots in the high pipes where abandoned as well, so now tuning -if ever required- should be performed with tuning cones.
The wind is provided by a Laukhuff 'Ventus'-type radial compressor working on a variable (under computer control) 95mm WK windpressure. The windchest is a welded steel construction and uses modified industrial M&M solenoid valves with orifices of 4 mm diameter. The achors have been shortened a bit (1 mm) and at their bottom end covered with felt. Furthermore, the tension of the return spring was halved by cutting off 3 turns of the helical spring and stretching it again after this operation. For the notes 60 to 71 we drilled out the valves to a diameter of 5 mm, since the stopped pipes needed more wind. In 2003 we added the 3-phase pulse width modulation control circuit for the compressor, as well as a heavy duty solenoid pushing the bellows, making a wide variety of dynamic variations and articulation possible on this automat. (see technical notes at the very end of this page and the references to the history of the construction of this automat). In 2005 we further improved the wind control by using two dedicated microprocessors (PIC controllers) and a frequency converter for the motor. Thus the instrument, since 2005, no longer requires 3-phase current for operation.
As a little extra feature, we added a mechanical drum-playing machine ('Turkish Music'), mapped
to the highest midi notes 120-127, as well as the vibrato and expression mechanism.
In 2005 some small lights have been added as well (mapped on notes 118, 119).
The entire piperola module is mounted on four large wheels and thus is very transportable. To prevent people from touching the pipes and eventually detuning them, we covered the entire windchest with pipes with a welded metal cage. Not the utmost beauty, but highly effective... A nicer looking cage is on our to do list.


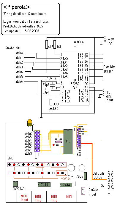
In 2005 we modified and improved the circuitry of <Piperola> completely. The new circuits now look like this:

Detailed drawings for the PIC controller boards :

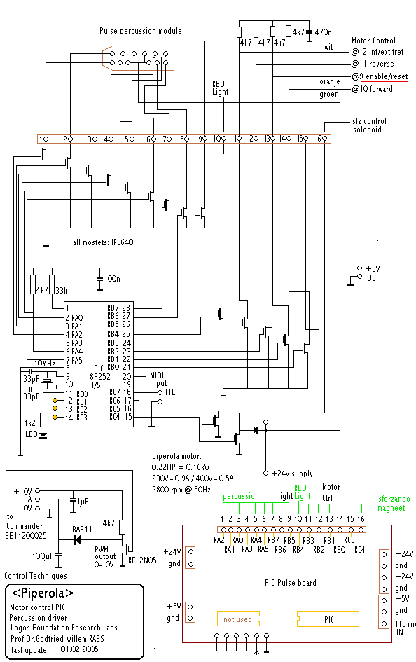
And this became the motor control PIC board, that at the same time takes care of the small percussion set in <Piperola>:

A complete midi implementation table can be found at the end of this page. A quick musical overview is:

Technical Specifications and sizes:
| Back to Logos-Projects page : projects.html | Back to Main Logos page:index.html | To Godfried-Willem Raes personal homepage... | To Instrument catalogue | ![]() |
<Piperola>

Dit register loopt van midi noot 60 tot en met 108. De
opbouw maakt gebruik van ventielen met een doorlaat van 4 mm gemonteerd op een
enkele stalen windlade. Omwille van de kompaktheid werden de ventielen om en
om gemonteerd, zoals blijkt uit de technische tekening hiernaast. De afstand
tussen de aslijnen van beide rijen boorgaten is 8 mm, zodat de bronzen behuizingen
van de ventielen in elkaar kunnen haken. De minimale afstand tussen de aslijnen
van de ventielen onderling is 20 mm. Uiteraard, wordt deze maat groter wanneer
de diameter van de in te zetten pijpen groter wordt dan deze minimale maat.
(Zie tabel). De gebruikte ventielen zijn van het type M&M C249DBL, omgebouwd
zoals uitvoering beschreven bij de <Vox Humanola> module. We gebruikten
voor de noten 71 tot 108 pijpen uit een register genaamd 'Octavin 2'. De lagere
(noten 60 tot 71) werden ontnomen aan het Waldfloete register (roerpijp), maar
gemodificeerd door de pijpen volledig te dekken. Door deze ingreep kon ook de
bouwhoogte worden beperkt. De oorspronkelijke smalle buisjes op het deksel van
de pijpen werden verwijderd en de potdeksels dichtgemaakt. De afdichting tussen
pijp en afsluitdeksel -traditioneel steeds uitgevoerd met een speciaal soort
blauw papier- voerden we aanvakelijk uit in het moderne en heel wat duurzamer
materiaal Teflon (PTFE). Dit kwam alvast de stemvastheid van deze pijpen ook
aanzienlijk ten goede. In 2007 onderging het pijpwerk van Piperola een grondige
restauratie en bij die gelegenheid soldeerden we de pijpen van het onderste
oktaaf geheel dicht. Het bijstemmen moet nu middels de baarden gebeuren. Voor
die laagste pijpen bleek het nodig de ventielen iets uit te boren. 5mm leek
nog net haalbaar. Om turbulenties op te vangen in de pijpvoet, werd de uitlaat
van deze ventielen bovendien ook konisch uitgeboord. 
De pijpen rusten rechtstreeks op de ventielen en worden op hun plaats gehouden door een houten pijphouderplank waarin de pijpen op 2/3 van hun voetlengte (205 mm) vastzitten. Voor de afdichting tussen ventiel en pijp gebruikten we, al naar gelang de diameter van de pijpvoet, rubber of bijenwas, zoals gebruikelijk voor de montage van de doorslaande tongen in akkordeons. Zoals we in de <Vox Humanola> module castagnetten toevoegden, zo voorzagen we hier in een klein automatisch trommelspeelwerk. De verwijzing naar de 'Flute et Tabor' kombinatie uit de oude volksmuziek is daarmee kompleet. Zoals in de <Vox Humanola> werden ook hier de perkussiegeluiden gemapt op het midi nootbereik 120 tot 127. (zie midi-implementatietabel)
Een heuse tremulant, waarvoor gebruik gemaakt werd van een zware elektromagneet die op de blaasbalg duwt, werd toegevoegd en afgewerkt in 2003. In datzelfde jaar werd ook de pulsbreedte besturing van de motor, en daarmee dus van de winddruk, afgewerkt. De besturing van de winddruk maakte na deze wijziging gebruik van de midi noten 0 tot 6, terwijl met noot 7 (de diepe G), de elektromagneet in werking kon worden gesteld. Deze toevoeging maakt niet alleen het effekt van een tremulant mogelijk, maar laat eveneens toe noten van echte en kontroleerbare dynamische aksenten te voorzien. Op elk inzet van een noot waarop een sfz aksent gewenst is, moest dan tevens noot 7 worden meegespeeld, maar dan wel met hele korte duur-waarden. Omdat deze aanpak voor komponisten toch iets klungeligs had, onderwierpen we piperola in 2005 aan een grondige herziening of upgrade. Het bestaande mikroprocessorbesturingssysteem werd helemaal opnieuw ontworpen en maakt nu gebruik van twee PIC kontrollers: een voor de noten en eentje voor zowel de windsturing, de tremulant, het turks slagwerk en de enkele lampjes die Piperola bij die gelegenheid eveneens toegevoegd kreeg.
Een overzicht van de nieuwe schakelingen ziet eruit als:

De besturingsschakeling voor de noot-ventielen en de ingangsschakeling voor het midi-gedeelte met bedradingsplan kwam eruit te zien als:

De schakeling waarmee de besturing van de motor-kontroller, het slagwerk, de tremulant en de lampjes werd gerealiseerd kwam er tenslotte uit te zien als:

De piperola module wordt in tessituur gekomplementeerd door <Bourdonola>, die het gebied van 36 tot 62 dekt. In deze kombinatie beschikken we over een instrument met volle 6 oktaven tessituur. Een zachter geintoneerd alternatief voor de piperola/bourdonala kombinatie wordt gevormd door <pos> (2018) of door <ror> (2021).
De volledige midi implementatie tabel is onderaan deze pagina te vinden.
Medewerkers aan de konstruktie van deze muzikale automaat:
Afmetingen & andere technische specifikaties:

Gedetailleerde dimensionering en bouwdokumentatie van de <Piperola> register module:
Ter beperking van de bouwhoogte en vooral omwille van de transporteerbaarheid
werden voor het laagste oktaaf tinpijpen, (midi noten 60 tot 70) half gedekte
pijpen gebruikt. In 2007 soldeerden we deze geheel dicht en werd het gehele
pijpwerk grondig gerestaureerd.
hartafstanden boorgaten ventielen, diameters van de pijpen
| windlade hoog (49 pijpen, 4 oktaven)
pijpdiameter na labium/ boorafstand |
pijplengte vanaf labium |
| Gedekt (van hoog naar laag) | |
|
|
| Open (van laag naar hoog) | |
|
|
| Oppervlakte doorlaat windlade>615mm2 | |
| Diameter windvoorziening windlade>28mm |
Maximale werkingsdruk in diverse gangbare eenheden:
Maximaal luchtverbruik per windlade (bij klusters):
Piperola is equiped with a small percussion section, mapped on the midi note range 120 to 127. The mechanism uses solenoids removed from old Revox G36 taperecorders. Each recorder has two 24V/300mA solenoids and a single 24V/100mA solenoid. They are very nicely finished and very reliable.
We used parts from old upright pianos to realize the
mechanism to strike the percussion instruments. Midi notes 120 and 121 strike
a small drum with a strong attack. These should be used in alternation for fast
rolls. Midi note 122 strikes the same drum, but at a much softer level (herefore
we used the 100mA solenoid) and in the center of the small drum. A rimshot,
mapped on midi note 123, was realized using a rotational solenoid driving a
long brass rod striking the drumskin parallel to its surface. Slit bells sound
when midi note 124 is played, We mounted 6 bells on the moving part of a Lucas
Ledex tubular solenoid (same type as used in <Vibi>). Notes 125 and 126
strike very small oxenbells whilst note 127, finally, strikes gently a very
high pitched chinese templeblock. As a visual feature, a 24V/5W bulb was mounted
above the unit. This lamp is mapped on midi note 119. This percussion section
forms a module of its own in the Piperola. It was mounted under the windchest
and can easily be removed for maintenance and repair.
The notes from 36 to 62 can be complemented to piperola by combining the automat with our <Bourdonola> module, thus forming a full 6 octave instrument.
Revision in 2005/2007:
Although Piperola performed very well over the years of its existence, in 2005 we improved some aspects of the control and the circuitry. First of all, the need for 3-phase current was eliminated by using a motorcontroller. Thus the wind control was highly improved: the compressor can now operate both under overpressure and underpressure. The midi mapping was changed in accordance and now uses the standard volume controller nr. 7. The normal setting for this controller (2005) must be 100, corresponding to 50Hz motor frequency. If you overdrive, the pitch may rise a bit. Maximum motor frequency was limited to 60Hz (controller value 127). In 2007 we increased the pressure a bit in order to improve the loudness balance between the low and the high notes. So since 2007, after reprogramming the motor controller, the normal (midi) setting for the wind controller has become 85. With this value the motor runs at a frequency of 60.0Hz.
The sforzando mechanism with the solenoid on the bellows also got a better implementation. Now it is possible to use the channel pressure command to either cause an overpressure accent on a note, or an underpressure dip. The selection between the modes of operation can be controlled with midi controller 10. If bit 3 is set, channel pressure will be activated. If bit 0 is set, overpressure mode is active, if bit 1 is set, underpressure mode is active. (bits 0 and 1 are exclusive). If bit 2 is set in controller 10's value, the velo byte with a note in will be used for sfz. accents. The meaning of bits 0 and 1 remaining the same. If bit 4 is set, all other modes are disabled and we can use the solenoid as a tremulant. The frequency can then be controlled using controller 11.
Last but not least, the Pavo controller was disposed of and replaced with two much faster PIC microcontrollers.
Complete Midi Implementation table for <Piperola> 2005:
| Command | meaning / effect |
remarks (+= implemented) |
| NOTE OFF (128 +k) | release value disregarded |
+ equivalent to note on with velo=0 |
| NOTE ON (144+k) |
note range 60-108
velo mapped on sfz if appropriate controller is set note 109-118= lights
note range 120-127: percussion unit (velo implemented)
|
+ |
| POLY AFTERTOUCH (160_k) | Not implemented | No |
| CONTROLLERS: 176+k | ||
| nr. 7 |
wind pressure (0-127) default value 85 for normal operation and tuning |
+ |
| nr. 10 | value 0 = NO sforzando mode active | + |
| value 5 = sfz active and pulse values derived from velo-values with note on commands (overpressure mode) | accents will be synchronous with note on's | |
| value 6= sfz active and pulse values derived from velo-values with note on commands (underpressure mode) | accents will be synchronous with note on's | |
| value 9 = sfz active and pulse values derived from channel pressure commands (overpressure mode) | accent applied on reception of channel pressure command | |
| value 10 = sfz active and pulse values derived from channel pressure commands (underpressure mode) | accent applied on reception of channel pressure command | |
| value 16 = tremulant is active. Other modes disabled. Frequency determined by controller 11. | + | |
| nr.11 | Tremulant frequency (if ctrl 10 set to 16) | + |
| nr.65 | Motor ON/OFF switch | + |
| nr.123 | All notes OFF | + |
| nr.127 | PIC reset | + |
| PROGRAM CHANGE 192 + k | Not implemented | No |
| CHANNEL PRESSURE 208 + k | Controlls sfz magnet, if ctrl 10 is set to value 9 or 10. | + |
| PITCH BEND 224 + k | Not implemented | No |
| 240 and higher | Not implemented (no SysEx, no real time msg's) | No |
| (Terug) naar logos-projekten: | Terug naar Logos' index-pagina: | Naar Godfried-Willem Raes personal homepage... | Naar katalogus instrumenten | Composers guide to the M&M orchestra |
The <Piperola> automat can be heard on the Logos Public Domain CD <Automaton> (LPD007). <Piperola> also is a fixed member of the Logos robot orchestra, and as such can be heard on the Logos Public Domain CD <M&M> as well.
Last update: 2023-10-07 by Godfried-Willem Raes
Maintenance and contruction log: <Piperola> Version 2 - 2005-2007
Program data motor controller (Digidrive)
| PARAMETER Nr. | Functional desciption | <Piperola> setting | remarks or default setting of factory |
| 1 | Minimum motor frequency | 10Hz | 0 |
| 2 | Maximum motor frequency | 75Hz (was 60) | 50Hz |
| 3 | inrush speed | 5s / 100Hz | 5s/100Hz |
| 4 | slowdown curve | 20s / 100Hz | 10s/100Hz |
| 5 | reference for motor speed | A1.A2 | A1.A2 |
| 6 | nominal motor current | 0.9A | 1.5A |
| 7 | nominal motor speed | 2800 rpm | 1500 rpm |
| 8 | nominal motor voltage | 230V | 230V |
| 9 | cos phi | 0.83 | automatically calculated by controller on start up |
| 10 | access to level 2 params. | L2 | L1 |
| 23 | display unit | Fr (frequency) | Fr |
| 30 | decelleration mode | 2 (DC inject) | 1 |
| 31 | stop mode | 2 | 1 |
| 32 | dynamic U/f | off (may be on) | off |
| 37 | switching frequency | 12kHz | 6kHz |
| 39 | nominal motor frequency | 50Hz | 50Hz |
| 40 | motor nr. of poles | Auto | Auto |