|
<Llor>
an automated shell carillon Godfried-Willem RAES 2004 / 2017 |
<Llor>
This very heavy musical robot uses eleven large stainless steel (AISI 304L) shells of different diameters as sound sources, as well as a single antique bronze bell of similar shape. These twelve shells are either struck by strong electromagnets with a heavy beater, or with felt covered piano hammers driven by much smaller and less powerfull solenoids. The first method covers the f to fff loudness range, whereas the piano hammers cover ppp to mf and even allow for quasi sustained sounds by grace of their relatively high repetition rate capability. Although the sounds of this automat have definite pitch content in the inharmonic bell like sound, we do not classify nor use it as a pitched percussion instrument. The name given to this robot is a tribute to our friend and colleage composer/performer Llorenc Barber, who we saw playing shell like bells at so many occasions within the last 25 years. However, Llorenc's bells are made of normal iron (taken from gas containers) and suspended in a wooden frame.
The constructional parts for this robot, apart from the very sturdy wheel base, are all made from stainless steel. All welding was performed using the full manual TIG process, using pure Argon gas.
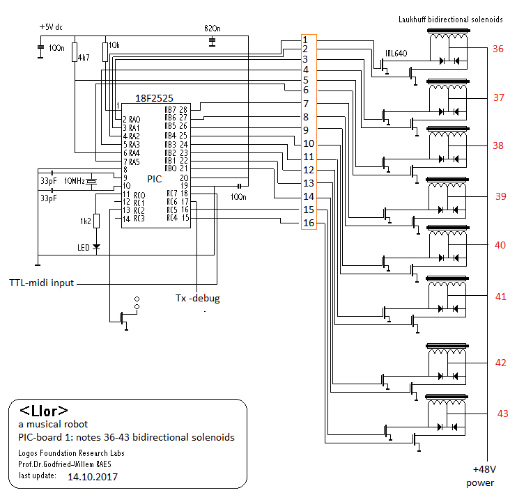
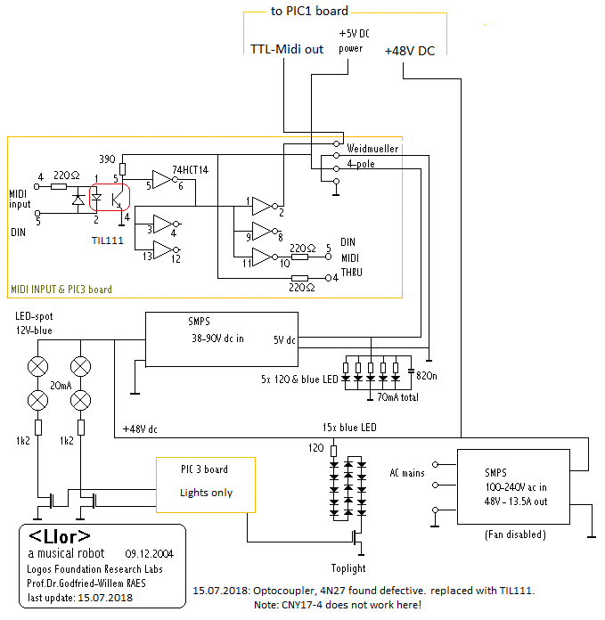
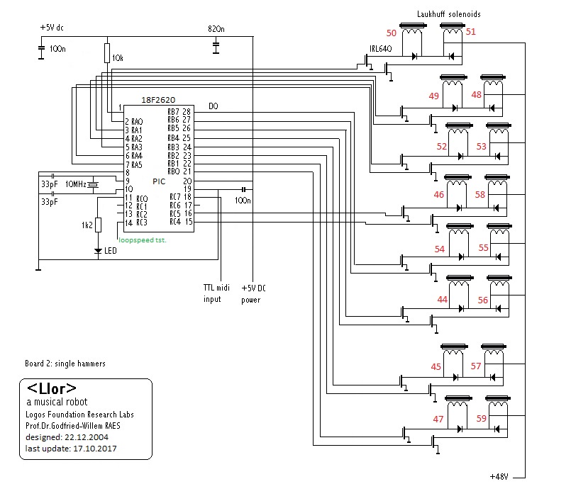
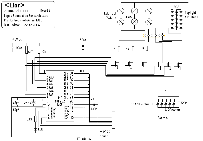
The entire circuitry for this robot makes use of three fast PIC controllers: Microchip PIC18F252 - I/SP type. The first one only controls the blue LED lights fitted on different places all over the instrument. The second microcontroller takes care of the largest eight solenoids and controls not only the striking force, but also the backwards (return) movement. The third micro steers all the smaller solenoids. The power supply is rated 48 V / 12.5 A, allowing for full polyphonic operation even at high striking forces and repetition rates. The dynamic range of the instrument is very wide. In 2017 we upgraded the firmware and exchanged the 18F252 processors -as they became obsolete parts- with 18F2520 types. This upgrade did not entail any change of the hardware.

Mapping:
Midi note range: 36-59 (hard-beaters on 36-47, soft beaters on 48-59) , lights
(blue) mapped on notes 1,2,3,4,5. For those who like to see this in traditional
music staff notation in the way we hear it: 
After FFT analysis, we get the following result:

(More detailed spectral analysis data can be found in the table further down on this webpage).
For midi files played by our <GMT> software, there is an 'intelligent' playing modus available, which you can switch on by sending controller 72 with a value higher then zero (value 0 resets to absolute mapping as described here above). In intelligent mode, our software will try to find a note that corresponds to the correct pitch of the given midi note, where the value of the controller determines the allowed deviation in cents. If, in this modus, no matching note is found, nothing will be played.
Midi implementation table:
The midi channel for Llor is 11 (counting 0-15)
| Midi status | byte 1 | byte 2 | function | notes |
| 128 + channel | note (1-5= lights, 36-59= beaters) | note release byte | release for notes 36 to 43 | if non-zero, this steers the speed wherewith the bidirectional solenoids will return on reception of the note-off command. |
| 144 + channel | note | velocity byte | for the lights, the velocity byte has no function | |
| 160 + channel | note | key pressure | steers the repetition rate | note repetitions are stopped with the note-off command. Note that the actual rate may depend on the velocity in use as well as on the setting for controller 31. The repetition rate can never be faster than the sum of the attack pulse and the return pulse. |
| 176 + channel |
#30 #31 #66 #72 |
global repetition rate global return speed power on/off pitch mapping mode |
#30 sets the repetition rate for all notes to the same value. By default this controller is set to zero. #31 sets the return speed for all bidirectional solenoids to the same value. However return speed will always be >= the velocity value wherewith the note was sounded. The default value for this controller is zero. #66 = 0 resets all controllers and repetition rates. On cold boot, this controller is allways zero. #66 >= 1 enables the robot for playing #72: enables automatic pitch mapping in the GMT player. This controller cannot be used in sequencers. |
|
| 192 + channel | program change | - | not implemented on Llor | |
| 208 + channel | channel aftertouch | - | not implemented on Llor | |
| 224 + channel | lsb | msb | pitchbend | not implemented on Llor |
Technical specifications:
Design, research and construction: dr.Godfried-Willem Raes (V1.0: 2004-2005 / V2.0: 2017)
Collaborators on the construction of this robot:
Music composed for <Llor>:
pictures by Benn Deceuninck (+)
| Back to Logos-Projects page : projects.html | Back to Main Logos page:index.html | To Godfried-Willem Raes personal homepage... | To Instrument catalogue | ![]() |
![]() |
<Llor>
Deze robot werd opgebouwd met zware inox schalen als klankbronnen. Dergelijke schalen (holle bodems) worden industrieel gebruikt voor de vervaardiging van kompressieketels, gasflessen en drukvaten. Omdat ze naar vorm overeenkomen met de schaalbellen waarmee onze vriend Llorenc Barber sedert vele jaren de wereld afreist, doopten we deze robot niet <shell>, maar wel <Llor>. Uit te spreken zoals in het spaans natuurlijk. De schaalbellen gebruikt door Llorenc zijn evenwel vervaardigd uit gewoon staal (deksels van gewone gasflessen) en opgehangen in een houten gestel voor manuele en orale bespeling. Inox heeft het grote voordeel heel wat harder te zijn dan gewoon staal en daardoor dus ook beter en langer te klinken. Onze schalen zijn vervaardigd uit Inox AISI 304L (werkstof nummer 1.4306, austenitisch). Het geluid lijkt een beetje op dat van lage klokken, maar het lage en zelfs subsonische gebied van het spektrum is hier heel wat sterker aanwezig. Daarom vormt <Llor> een ideale uitbreiding naar de laagte toe van <Belly>, onze klokkenautomaat. Vanzelfsprekend krijgen we ook in dit instrument te maken met klanken met een uitgesproken inharmonisch spektrum, wat op kompositorisch vlak natuurlijk heel wat nieuwe mogelijkheden biedt. Zoals blijkt uit onderstaande tabel liggen de subharmonische grondtoon (de zoemtoon, die vooral hoorbaar is wanneer de schalen zacht worden aangeslagen) en de meest prominente slagtoon een oktaaf plus (ongeveer) een kwart, tritonus of kwint uiteen. Het precieze interval wisselt overigens van schaal tot schaal in funktie van de niet konstante vormverhoudingen (diameter tot hoogte).


Afmetingen, exakte toonhoogtes en schikking van de gebruikte inox schalen:
|
diameter, wanddikte, hoogte (in mm) |
positie in Llor (1= onder) |
sterkste spektraalkomponenten (slagtoon en harmonischen) in fractionele midi getallen, in aflopende orde van sterkte. |
midi-noot mapping hard / soft |
midi command | aantal kloppers |
Weidmueller konnektor pin PIC 1 Board |
Weidmueller konnektor pin PIC 2 Board |
| 606 x 3.0 x 136 | 3 |
64.43 54.19 70.97 75.81 79.78 [24 - 40] |
36 / 48 |
36 and 48: note + velo for 36: noteoff + release |
2 | 1, 2 PIC 1 |
1 RA2 |
| 556 x 3.0 x 84 | 4 |
53.72 70.61 63.65 75.99 36.42 |
37 / 49 |
37 and 49: note + velo for 37: noteoff + release |
2 | 3, 4 PIC 1 |
2 RA1 |
| 506 x 3.0 x 110 | 2 |
59.96 70.29 41.33 60.02 60.16 |
38 / 50 |
38 and 50: note + velo for 38: noteoff + release |
2 | 5, 6 PIC 1 |
3 RA0 |
| 456 x 3.0 x 95 | 6 |
62.37 44.68 72.25 78.76 74.40 |
40 / 52 |
40 and 52: note + velo for 40: noteoff + release |
2 | 9 , 10 PIC 1 |
5 RA4 |
| 406 x 3.0 x 90 | 1 |
64.99 65.09 47.76 80.62 74.60 |
39 / 51 |
39 and 51: note + velo for 39: noteoff + release |
2 | 7, 8 PIC 1 |
4 RA3 |
| 356 x 3.0 x 80 | 7 |
52.84 70.40 75.83 64.79 31.35 |
42 / 54 |
42 and 54: note + velo for 42: noteoff + release |
2 | 13, 14 PIC 1 |
7 RB7 |
| 306 x 3.0 x 65 | 8 |
58.22 76.31 31.35 |
43 / 55 |
43 and 55: note + velo for 43: noteoff + release |
2 | 15,16 PIC 1 |
8 RB6 |
| 256 x 3.0 x 60 | 9 |
64.02 82.01 48.93 68.24 92.59 |
44 / 56 |
44 and 56: note + velo |
2 | - |
9, 10 f: RB5 p: RB4 |
| 205 x 2.5 x 46 | 10 |
70.07 87.85 31.35 |
45 / 57 | 45 and 57: note + velo | 2 | - |
11, 12 f: RB3 p: RB2 |
| 155 x 2.5 x 40 | 11 | 79.11 | 47 / 59 | 47 and 59: note + velo | 2 | - |
13, 14 f: RB1 p: RB0 |
| 130 x 2.5 x 34 | 12 |
72.86 79.02 |
46 / 58 | 46 and 58: note + velo | 2 | - |
15, 16 f: RC5 p: RC4 |
| historic bronze bell: | |||||||
| 447 x 12 x 164 | 5 |
68.80 51.91 79.02 31.35 |
41 / 53 |
41 and 53: note + velo for 41: noteoff + release |
2 | 11, 12 PIC 1 |
6 RA5 |
| LIGHTS (all blue) | - | - | midi note | connector pin | voltage | ||
|
LICHT LIGHTS |
Frontaal grondlicht Frontaal opwaartslicht Achter bovenlicht Achter onderlicht (may be always on) Centaal bovenlicht |
1 2 3 4 5 |
note on / noteoff note on / noteoff note on / noteoff note on / noteoff (under investigation) note on / noteoff |
1 2 3 4 5 |
2x12V = 24V 2x12V = 24V 2x12V = 24V 5V on logic supply 48V |
Elke schaal is voorzien van een hoofdklopper opgebouwd uit een Laukhuff 24 Newton bipolaire traktuur elektromagneet en een bakeliet M8 kogelknop voor de 8 grootste schalen. Deze acht elektromagneten worden bestuurd door de eerste PIC mikrokontroller (PIC1 board): hiermee kan niet alleen de aanslagkracht worden gestuurd, maar eveneens de kracht en snelheid waarmee de magneet terugkeert naar zijn terug-positie. De 4 kleinere maken gebruik van enkelvoudige elektromagneten. De besturing maakt gebruik van de tweede PIC controller (PIC2 board) waarmee de duur van de toegevoerde bekrachtigingsspanningspuls nauwkeurig kan worden geregeld. De terugslag (snelheid/kracht) wordt hier niet door de mikrokontroller geprogrammeerd en bestuurd, maar gebeurt met behulp van een veer. De terugslagkracht voor de grote magneten kan worden bestuurd middels controller #31 en ook middels het note-off kommando voor de betreffende schaal. De besturing van de terugslagkracht is dus alleen mogelijk bij die schalen die door bipolaire elektromagneten worden aangestuurd. Dat is dus voor de midi noten 36 tot en met 43. Deze kloppers zijn, vanwege hun grote massa, niet in staat tot heel snelle repetitie. Om ook dat te bereiken, monteerden we op alle schalen ook minder krachtige maar aanzienlijk snellere extra kloppertjes, met een zachte aanslag. Hiermee kunnen ook lang aangehouden klanken worden voortgebracht. De hiervoor gebruikte elektromagneten betrokken we eveneens van de firma Laukhuff maar bouwden we om, door er enerzijds een vilten pianohamer op te monteren en anderzijds zowel een terugslagveer als een met een M3 boutje instelbare trajektbegrenzing.
Van alle afzonderlijke schalen werd een geluidssample opgenomen en aan een spektraalanalyze onderworpen. Komponisten die Llor in eigen werk willen gebruiken kunnen daarvan gebruik maken. De samples evenals de analyse data worden ter beschikking gesteld.
De derde mikrokontroller PIC3, gemonteerd op het midi-input board, staat in voor de besturing van de lichteffekten waarmee deze automaat is uitgerust. Hiervoor werden uitsluitend blauwe high-efficiency LED's gebruikt. De lichten werden in de midi implementatie gemapt op de noten 1 tot en met 5.

Bouwdagboek:
Omdat ons vaak wordt gevraagd hoeveel werk en tijd kruipt in, en nodig is voor, het bouwen van een muzikale robot, hebben we ook voor <Llor> een beknopt bouwdagboek bijgehouden:
| (Terug) naar logos-projekten: | Terug naar Logos' index-pagina: | Naar Godfried-Willem Raes personal homepage... | Naar katalogus instrumenten | ![]() |
Last update: 2023-10-17 by Godfried-Willem Raes
Technical data sheet and maintenance instructions:





