Pianet
Robot
Research project on
the development of new tools for musical expressionnt
|
|
<Pianet>

an automated Hohner Pianet-T
dr.Godfried-Willem
RAES
2021-2024
|
An automated Hohner 'Pianet'. This instrument is a five octave keyboard instrument
using tuned steel blade springs, clamped at one end, as tone generators. At
rest, a rubber damper rests on the springs. This rubber damper is released as
soon as a key is depressed. The attack of the sound can be influenced by the
speed and force wherewith the key is depressed. So it is touch sensitive to
a certain extend. However, due to the electromagnetic pick-ups (small solenoids
wound on a permanent magnetic core, all coils connected in series) , the sound
is quite one-dimensional and in that respect similar to the electric guitar.
On this picture the mechanism can clearly be seen:
The
electromagnets (transducers) and their series connection are clear on this picture:
The circuit used to implement velocity sensitivity came out like this:
This circuit being identical to the one used for earlier robots such as
<RorO>, <Pos>, <Per>,
<HarmO>, <Qt>...
we do not give any comments here but ask the interested reader to consult the
web-pages dedicated to these older projects.
Here is an overview over the circuitry:
The solenoids used here have an external return spring compensating for the
weigth of the anchor at rest. At the push side we gave them the 'fingers' we
designed long ago for our player piano. Here is a picture of the prepared solenoids
before mounting on the chassis:
The solenoids are rated for 12V operation
The midi implementation was worked out such as to make this robot compatible
with existing midi files for our player piano. Hence the use of midi channel
0. The note repetition mechanism also is compatible with our player piano. However,
the mechanics of this instrument being fundamentally different than those of
a piano, one cannot expect the velocity scaling to be compatible with that of
the piano. Of course we dropped all support for a pedal, as this instrument
does not have one. Technically speaking it would even be impossible to provide
a pedal in this case.
Source code and hexdumps for the PIC microcontrollers:
In 2024 we decided to add internal amplification and speakers to this robot
such that it could become a stand-alone robot not requiring any external equipment.
This lead to the addition of two new controllers in the midi implementation:
controller #7, for volume and controller #10 for panning, in this case steering
the amplitude relationship between the front and back Altec dome speaker. The
design of the PWM-controlled volume makes use of two fast Silonex vactrols.
This is the circuitry used:

Midi Mapping and implementation:

Note-off, no release
Note-on, velocity implemented
Key pressure: used for automatic note repeats. Each note can be programmed
with an individual repetition rate. Key pressure can also be used to modify
light flashing speed.
Lights:
- Note 120: Tungsten lights, backside (E10 fittings)
- Note 121: Blue LED strip inside mechanism, backside
- Note 122: Blue LED spotlights front
- Note 123: Blue LED strip vorsetzer mechanism
- Note 124: Orange rotating flashlight
Controllers implemented:
#6: Leslie tremolospeed: amplitude modulation of alternating front and back
speakers. This mechanism overrides the panningcontroller #10. Default setting:
OFF.
#7: With the internal the audio system connected, this controller can be used
to steer global volume of the amplifiers. By default this controller is 0, so
sending it prior to playing is a requirement.
#10: This controller steers the 'panning' between the front and the back speaker.
By default this controller is set to 64.
#30: Global repetition rate controller. Value 0 disables repetitions. Note
that repetitions will be synchronous and in sync only if the notes to which
they are applied start at the same time. By default set to OFF.
#66: Power on/off switch. This resets controllers and switches the power supplies
for the solenoids. Value 0 switches OFF, any other value is ON. Switching this
controller also resets all controllers to their default values on cold boot.
#69: Switches automation of the lights on or off. Values 1 to 7 select different
light mappings. Value 0 switches the mechanism off. By default, automation is
switched ON.
#123: All notes OFF. (Includes the lights).
Program change: not implemented
Channel aftertouch: not implemented
Pitch Bend: not implemented
Technical specifications:
- size: 850 x 45 x 750
- weight: 45 kg
- transportation: needs a small van or truck.
- power: 230V - 350 VA (peak)
- Tuning: Fixed A= 440Hz
- Ambitus: 29 to 88, 5 octaves.
- Polyphony: >= 6 notes (limited by the capacity of the power supply only).
- control: MIDI-input
- MIDI channel: 0 (or 1, if counting 1-16)
- Insurance value: 16.000 Euro
Design and construction: dr.Godfried-Willem
Raes
Collaborators on the construction of this robot:
- Mattias Parent
- Bert Vandekerkhove
- Alain Van Zeveren
- Kristof Lauwers
Music composed for <Pianet>:
none specific sofar. However, <pianet> is often used for concerts at
venues that do not have a piano available. It also can replace the spinet (<Spiro>
as well as <Sper>) in quite a few orchestrations.
Pictures taken during the construction in our workshop:



Nederlands:
<Pianet>
Dit automatiseringsprojekt ging van start op vraag van
Alain Van Zeveren. Het maakte oorspronkelijk dan ook geen deel uit van ons grote
projekt rond de bouw en ontwikkeling van het robotorkest bij Stichting Logos.
De belangrijkste reden waarom voor dit projekt geen plaats was binnen het robotorkest,
heeft te maken met het werkingsprincipe van dit instrument dat, hoewel het geluid
veroorzaakt wordt door vrij trillende stalen tongen, immers onmogelijk kan klinken
zonder toepassing van een externe versterker en dito luidspreker. De afwezigheid
van luidsprekers voor versterking was nu eenmaal een paradigma achter het Logos
robotorkest.
Niettemin, omdat na de automatisering van het Hohner
pianet, het projekt wat verweesd in onze werkplaats was achtergebleven, beslisten
we het toch tot een autonome robot uit te bouwen en af te werken. Dus ontwierpen
we een deugdelijk wielstel met kruisdisselbesturing evenals een versterkersystreem
uitgerust met twee antieke University Sound -de voorloper van JBL-Altec- speakers.
De <Pianet> robot kan nu worden ingezet op plaatsen waar een beroep gedaan
wordt op het robotorkest maar waar geen vleugelpiano aanwezig is. Ook als vervanger
voor het spinet, is het erg geschikt.
Bouwdagboek - Construction & Research Diary:
- 27.05.2021: Alain Van Zeveren brengt een Hohner T-pianet binnen met de vraag
of het automatiseerbaar zou zijn...
Dit is het mechanisme:
Er zit duidelijk wat korrosie (roest) op de veerstalen toonlamellen. Wegnemen
van het roest dreigt wel de stemming in diskrediet te brengen. De tongen zijn
met een instelboutje bevestigd op kleine cyclindrische permanente magneten.
Daardoor zijn de lamellen
zelf magnetisch. In rust duwen zachtrubberen dempers de tongen uit hun evenwicht.
Via de toetsen worden de dempers van de tong weggetrokken waardoor die vrij
kan gaan trillen. De trilling wordt omgezet in een elektrisch signaal met
kleine spoeltjes die vlakbij het uiteinde van de tongen zijn aangebracht.
Alle spoeltjes zijn in serie geschakeld en om-en-om gewikkeld.
Een
kleine audio transformator staat in voor de impedantieaanpassing naar een
instrumentversterker ingang.
- 28.05.2021: De simpele 'oplossing' om het wegtrekken van de dempers terplekke
met elektromagneten te doen is volstrekt onhaalbaar, vanwege de nabijheid
van de elektromagnetische pick-ups onder de toonlamellen. Alle aanslag zou
gepaard gaan met een niet te vermijden via induktie overgedragen elektromagnetische
harde knal.

- 01.06.2021: Opmeting toetsen voor ontwerp Vorsetzer. Mattias Parent.
- 02.06.2021: Aanmaak van een boormal in multiplex door Mattias Parent.
- 04.06.2021: Bestudering van de mechanische problemen inzake automatisering.
Willen we die responsiviteit optimaliseren, dan moeten we toch vrij sterke
magneten toepassen. De Black Knight types 121-420-620-620 die we gebruikten
voor meerdere vroegere robots, blijken niet meer op de markt aanwezig. Een
mogelijk vervangtype zou kunnen zijn: Intertec ITS-LZ-1949-D-12V. Deze hebben
een diameter van 20 mm, een werkspanning van 12V en een nominaal vermogen
van 7 W. Dergelijk type, maar dan een fabrikaat van Lucas-Ledex, pasten we
ook toe voor <HarmO>. We bestelden er alvast honderd van bij Conrad.
(Bestelnummer 502747). Voor de besturing zouden we vijf -pulse/hold boards
met veertien uitgangen kunnen gebruiken, ofwel vijf stuks van onze nieuwere
1-oktaaf puls/hold boards.
- 08.06.2021: Elektromagneten geleverd door Conrad. Hier
is het datasheet.
- 11.06.2021: Proefopstelling met elektromagneet voor de bepaling van de minimale
houdspanning, de nodige velo-spanning in funktie van de aandrukplaats op het
klavier.

- 17.06.2021: Metingen houdspanning en minimale spanning voor indrukken toets
met behulp van proefopstelling
Voor deze metingen
werden niet gemodificeerde elektromagneten gebruikt, dus, voorzien van de
terugkeerveer en zonder neopreen vingertjes.
- 18.06.2021: Projekt in opbouw getoond aan Alain Van Zeveren.
- 24.06.2021: Zagen van twee L-profielen (roestvrij staal) voor het chassis
van de elektromagneten. Één L-profiel voor de elektromagneten
van de zwarte toetsen en één voor de elektromagneten van de
witte toetsen. Voorboren van de gaten met M6.
- 06.07.2021: Voorboren van de gaten in de L-profielen met diameter 11 mm.
Boren van gaten met definitieve diameter: 14,5 mm.
- 27.10.2021: Etsen en boren van twee PCB's voor puls-hold schakelingen. De
schotelverwarmer die we al jaren gebruikten voor het verwarmen van ons etsbad
gaf met een flinke steekvlam en algehele kortsluiting de geest... Nieuw exemplaar
besteld. Met thermostaat deze keer. Narekenen van de komponentwaarden in het
puls-gedeelte van de schakelingen.
Weidmueller
konnektors besteld bij Farnell.
- 28.10.2021: Soldeerwerk twee puls-hold PCB's.
- 29.10.2021: Levering Weidmueller konnektors: soldeerwerk. De berekende waarde
voor de drain weerstand van de VP0109 P-kanaal MOSFET (1k3) vervangen door
standaard 1k2 weerstandjes. Twee puls-hold boards nu volledig afgewerkt. Nu
wachten op levering van een nieuwe etsbadverwarmer.

- 28.11.2021: PCB-produktielijn opieuw opgestart: drie ontbrekende puls/hold
PCB's geetst. De nieuwe verwarmer met thermostaat werkt weliswaar, maar heeft
geen uitlezing van de ingestelde temperatuur...
- 29-30.11.2021: Print boor- en soldeerwerk...
En toen vielen we zonder onderdelen voor print 5...
- 01.12.2021: Bestelling geplaatst bij Farnell.
- 03.12.2021: Begin ontwerp van de firmware voor de vijf microcontrollers.
- 04.12.2021: Versie 1 van de firmware klaar. We implementeerden meteen ook
automatische noot-repetities.
- 05.12.2021: Verder werk aan het hoofdchassis voor de elektromagneten. Zijstukken
(120 x 50 x 10) uitgezaagd en voorzien van diepgeboorde gaten, 5 mm in de
50 mm richting. Hiermee moet fijnafstelling van de afstand tussen toets en
elektromagneet mogelijk zijn. De reeds geboorde 30 x 30 x 3 inox profielen
voor de elektromagneten lasten we vast op deze vertikale opstanden.
Alle laswerk uitgevoerd met manuele TIG op de lastafel. Koeling met perslucht.
- 06.12.2021: Voorbereiding van enkele elektromagneten zo dat we onze voor
de piano vorsetzer ontworpen rubber vingertjes kunnen gebruiken.
De
vingertjes waren ontworpen voor ankerstaafjes van 3 mm. De hier gebruikte
elektromagneten hebben echter staafjes van 2.4 mm diameter. Een stukje van
10 mm krimpkous rond die staafjes volstaan om ze ook hier te kunnen toepassen.
Weidmueller 2-polige stekkerkonnektors besteld. We hebben er 60 nodig... behoorlijk
duur. Montage van de PCB's op een geplooid stuk staalplaat met Ettinger M3
schokdempertjes.
- 07-09.12.2021: Firmware voor de vijf PCB's ontworpen en versie 1.0 getest
op de boards. Voeding voor de hold-spanning besteld: XP ECM100US09, 9V - 11.1A.
Voor de negatieve spanning hebben we nog een 24V - 6.4A voeding op voorraad.
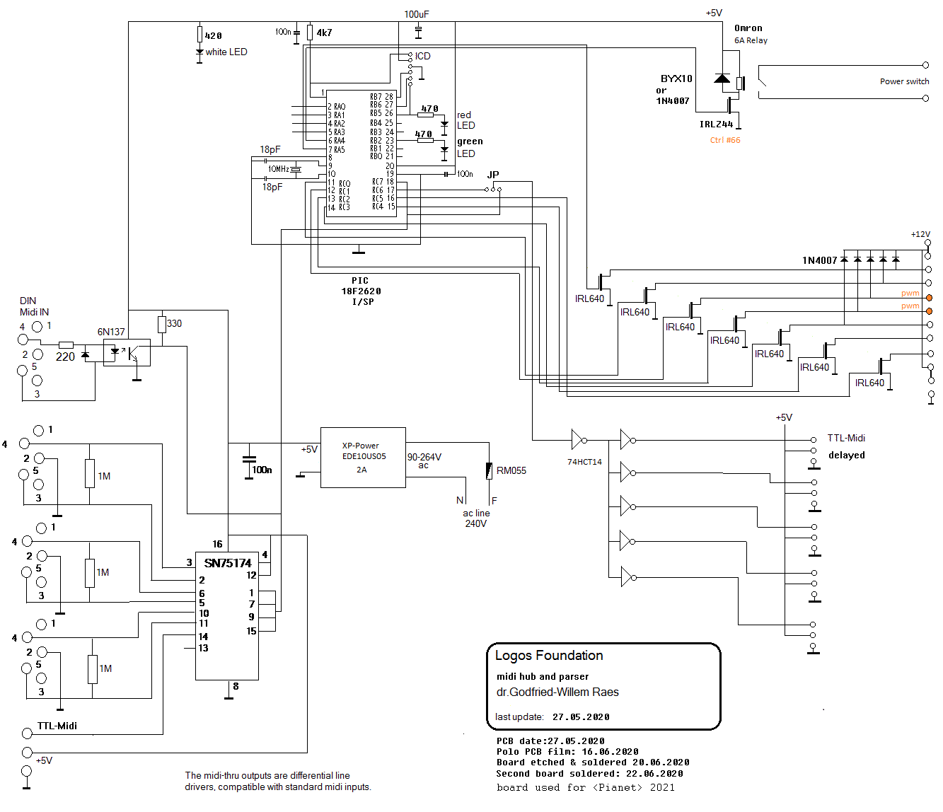
Het overzicht over de schakelingen ziet eruit alsvolgt:
De voedingen en het midi-hub board komen in een afzonderlijke behuizing die
onder het instrument kan worden geplaatst.
- 10.12.2021: Alle zestig elektromagneten voorzien van een stukje krimpkous
om ze te doen passen op de rubberen duwvingertjes die we ontwierpen voor de
player-piano. Werkje uitgevoerd met de hulp van Bert Vandekerckhove.
- 11.12.2021: Montage van de PCB's op het chassis en aanmaak van de vermogensbedrading.

- 12.12.2021: Konstruktie van de zijkant stukken in bakeliet voor de montage
van de 12-polige konnektor met meskontakten. Het 12 mm dik bakeliet recykleerden
we uit een patch-panel uit een oude opnamestudio. Op dit paneel waren 1/4"
jack konnektors voor gebalanceerde audiolijnen bevestigd. Bedrading van de
12-polige konnektor:
Montage
van alle 60 elektromagneten op het chassis en aansluiiting ervan op de PCB's
met tweepolige Weidmueller konnektors. Waarom die nu zwart zijn i.p.v. het
vroegere oranje, mag Joost weten.
- 13.12.2021: Levering van de bestelde voedingsmodules aangekomen vanuit Farnell.
We kunnen een begin maken met de konstruktie van de midi-input en voedingsmodule.
Samenzoeken van de nodige hardware komponenten voor de konstruktie van de
behuizing.
- 15.12.2021: Konstruktie van de voedingseenheid en het midi-hub board. Deze
module wordt met de Vorsetzer verbonden via een 12-polige multikabel.
Aanmaak van de multikabel
en bedrading van de konnektor. We maken deze kabel 1 meter lang, een kompromis
tussen wendbaarheid (zo lang mogelijk...) en elektronische betrouwbaarheid
(zo kort mogelijk..).
- 16.12.2021: Bedrading van de hub- en voedingsmodule. Zekering (4A, snel)
in de zekeringhouder van de IEC konnektor geplaatst. Eerste tests... door
verkeerd polen van de 9V voeding, gaf de 24V voeding de geest. (Why didn't
we provide protection diodes, ... they would have saved our power supply.)
Dat type, een XP-Power LCL150PS24 wordt niet meer gemaakt en is ook niet meer
leverbaar. Dus een ander 150 Watt type besteld bij Farnell. Met onze labo-voeding
aangesloten aan de -24V blijken vier van de vijf board perfekt te werken.
Board 1 heeft een probleem, ook de rode LED geeft hier niet het gebruikelijke
signaal maar lijkt te oscilleren. Wellicht is de PIC niet goed geprogrammeerd.
Het blijkt belangrijk de metalen delen van het mechanisme te verbinden met
de massa van de Vorsetzer om brom op de uitgang te vermijden.
- 17.12.2021: Een slechte soldeerverbinding op de print was de oorzaak van
het niet werkende board 1. Verdere ontdekte fouten: noot 47 (board 2) geeft
geen hold-spanning. Noot 73 (board 4) heeft geen velo puls. Noot 88 (board
5), geen velo puls. Alle fouten bleken terug te voeren op fouten in de boards:
noot 47: slechte soldeerverding, noot 73: haarscheurtje in een printbaan,
veroorzaakt door een kras in het etsbad. noot 88: draadbrug vergeten aanbrengen.
De hardware -afgezien van de nog niet vervangen -24V voeding- is nu helemaal
in orde. Nu moeten we eerst en vooral de positie van de vorsetzer vastleggen.
Daarna kunnen we metingen doen teneinde de optimale scaling van de velocities
te bepalen.
- 18.12.2021: Het blijkt zelfs mogelijk om voor iedere noot een afzonderlijke
velocity scaling in de firmware te voorzien. Hiermee zouden we kunnen tegemoet
komen aan de grote ongelijkheid tussen de toetsen onderling op dit instrument.
Het uitmeten en berekenen van zestig look-up tabellen is evenwel een substantiele
arbeidskost... Versie 1.1 in alle 5 pulse-hold pic's geplaatst en getest.
Videotje met een kleine demo op Facebook geplaatst.
- 19.12.2021: 24V power supply vervangen door een 9.16A exemplaar, zelfde
type als gebruikt voor <Plus-Minus>. XP-Power, model AHE220PS24. Meting
van de houd-spanning over de spoelen: 8.4V, wat natuurlijk te wijten is aan
de 600mV spanningsval over de seriediode. We moeten de houdspanning op de
voeding dus afregelen tot minimaal 9.6V. Het optimaal bereik voor de duur
van de velocity pulsen is tussen 3.8 en 10 ms. Speeltests tonen aan dat het
nodig zal blijken om de rubberen vingertjes met cyaanacrylaatlijm deugdelijk
vast de plakken op de ankers van de spoelen. Daarzonder durven ze door de
terugslag met de veer wat afschuiven waardoor de aanslag onbetrouwbaar wordt
en de hold niet kan worden bereikt.
- 20.12.2021: We zouden kunnen overwegen om een beveiliging in te voeren tegen
te grote polyfonie, een stroombegrenzing. Dit kan het best gebeuren op het
nivo van de midi-hub. Twee mogelijke strategien: bij overbelasting relais
uitschakelen ofwel nieuwe noot-aan kommando's weigeren... Als we dit niet
doen, moeten we uitsluitend betrouwen op de geclaimde kortsluitvastheid van
de voedingsmodules. Demonstratie van het instrument voor dr.Ignace De Keyser.
- 21.12.2021: Bij het loslaten van de toetsen zijn er meer mechanische bijgeluiden
dan wenselijk is. Om dit te verhelpen zijn er diverse mogelijkheden:
- a. de terugkeerveren op de spoelen hetzij volledig verwijderen , hetzij
vervangen door veel zachtere exemplaren.
- b. Het aanbrengen van een stevige lijst boven de twee rijen magneten
voorzien van M3 schroefdraden en afregelboutjes met dikke viltschijven
in lijn met de boven kant van de magneetankers.
- c. een elektronische oplossing waarbij de na het beeindigen van de houdtijd
van een elektromagneet we deze niet plots uitschakelen, maar dat geleidelijk
aan doen via een RC kring in de gates van de hold-MOSFET's. Onze puls-hold
schakeling wordt dan:
De
dimensionering van de RC kring (hier getekend als 10nF en 1M) moet experimenteel
uitgezocht worden in funktie van de schakelkurves van de gebruikte MOSFET's.
Dat gedrag is immers allesbehalve linear. De diodes moeten minstens Schottky
types zijn en zelfs germanium diodes kunnen hier in aanmerking komen.
Het BAT86 type heeft een spanningsval van slechts 225 mV.
- 22.12.2021: Demonstratie van het pianet in opbouw op het laatste publiek
koncert in de Logos Tetraeder van dit jaar. Voor die demo gebruikten we een
oude pianorol van de El. Choclo tango van Viloldo uit het begin van de 20e
eeuw.
- 24.12.2021: Bij wijze van test verwijderden we in het middenoktaaf de terugkeerveren
van de elektromagneten. De bijgeluiden ondergaan daardoor een merkbare verbetering
en het wegduwen en afschuiven van de vingertjes is ook beter.
- 25.01.2022: Test PCB gemaakt met de slow release versie van de schakeling.
- 22.02.2023: <Pianet> ingeschakeld in het temakoncert rond toetsen.
Hier gebruikten we het in de orkestratie van Mauricio Kagel's 'Westen'.
- 15.07.2023: M5 tigen ingeboord en gemonteerd om de Vorsetzer op het klavier
vast te zetten. Aan de bovenkant voorzien van twee M5 kogelknoppen zodat het
mechanisme kan losgenomen worden zonder werktuigen. <Pianet> kan nu
worden gebruikt in de tango produktie op 21 juli om daarin <Spiro> te
vervangen.
- 08.11.2023: Ontwerp van een sokkel en overweging om de nodige versterker
en speaker in te bouwen.
- 04.12.2023: Tests en experimenten met voorversterkers, eindversterkers en
diverse types luidsprekers. Twee antieke JBL Altec Lansing horn speakers klinken
behoorlijk goed in deze toepassing.

- 13.01.2024: Verder werk aan de audio versterking. Hier een geteste versie
met een LM386 power op-amp:
Het ruisnivo van deze schakeling laat echter veel te wensen.
- 15.01.2024: Laswerk aan het wielstel met kruisdissel en goedkope wielen
ingekocht bij Farnell.
- 16.01.2024: Firmware voor het hub-board aangepast aan de nieuwe mogelijkheden
voor besturing van volume en panning. Zo zou de hardware er moeten uitzien
nu:

- 17.01.2024: Ontwerp van de montage van de besturingsschakeling op de nieuwe
wielbasis.

- 18-19.01.2024: Verder werk aan onderstel.
- 20.01.2024: Ontwerpen van een stuurstang. Testmontage met het pianet zelf.
- 21.01.2024: Verdere berekening van het VCA ontwerp met de Silonex vactrol
of foto-resistor optocoupler. Een interessant artikel terzake gevonden op
het internet: hier is een link. Wanneer
we de LED uitsturen met een stroom van maximaal 1mA (de gemeten spanningsval
over de LED is 1.6V, hoewel het datasheet 2.5V opgeeft bij 25mA) moeten we
een serieweerstand van 10k Ohm monteren. Voor de afsluitweerstand, gaan we
voor 2k Ohm. Het volledige schema ziet er dan zo uit:
De
12V voeding moeten we wel nog toevoegen en monteren. Ze is vooral nodig wanneer
we de robot ook nog van enkele LED-lichtjes willen voorzien. Strips boven
het mechanisme zou mooi kunnen zijn. Gezien de volkomen onlineaire en tamelijk
grillige karakteristiek van het weerstandverloop van de NSL32SR3, zal het
aangewezen zijn om in de firmware de resolutie van de PWM aansturing op 10
bits te brengen in plaats van de gebruikelijke 8-bit resolutie die we tot
hiertoe meestal toepasten op deze 8-bit processoren.
- 22.01.2024: Amp PCB afgewerkt, uitgaand van een bestaand prototype versterkerboard:
Indien nodig of nuttig,
ontwierpen we ook een gelijkaardig board waarop Weidmueller konnektors de
in het prototype gebruikte kroonluchtersteentjes vervangen. Door gebrek aan
middelen nemen we dit voorlopig echter niet in produktie.
- 23.01.2024: OP27 opamp ingezet voor de voorversterker. Hier is het
datablad van deze beroemde en onvolprezen komponent. Montage van een eerste
blauwe LED strip binnenin het mechanisme van het Pianet.
- 24.01.2024: Konstruktie houden blauwe frontlichten. (60mA per stuk bij 12V)
- 26.01.2024: Laswerk achterwielstel afwerken. Montage versterkermodule en
bedrading speakers.
- 27.01.2024: Bedradingswerk. Aanleg kabelbomen.
- 28.01.2024: Verdere bedrading. Aanpassing PIC firmware aan de bedrading
van de lampjes.
- 29.01.2024: Eerste tests: de vactrol regeling laat te wensen en de stroom
door de LED moet zeker een factor tien kleiner worden genomen. De lookup berekening
in de firmware maakten we alvast exponentieel. De versterkingsfaktor van de
OP27 preamp moet wellicht eveneens verkleind worden. Het rijden met het karretje
is allesbehalve komfortabel: het stuur zit veel te laag en de veer is te sterk.
Ook moeten we uitvissen waarom de velocity pulsen zo onregelmatig zijn...
- 30.01.2024: Test kode in GMT aangepast. De leslie met controller 6 blijkt
goed te werken. Wat kode optimalisatie toegepast. De pulse/hold pics moeten
nu ook opnieuw geprogrammeerd worden.
- 01.02.2024: Voorversterker aangepast met een 2n3 kondensator in the feedbackloop.
Het regelbereik voor de VCA's is ook met 100k serieweerstanden nog steeds
veel te klein. Met de huidige waarden ziet het schema er nu zo uit:

- 02.02.2024: Bestudering van de datasheets van enkele potentieel bruikbare
VCA-chips: SSI2162, SSI2161, AS3360, PGA2311P, SSM2118, VCA810...
- 03.02.2024: Het probleem met de soms niet werkende hold's had duidelijk
alleen te maken met de mechanika: verwijderen van alle spiraalveren op de
elektromagneten was de oplossing van de problemen. Firmware upgrades uitgevoerd
maar die bleken dus niet relevant voor het probleem van de shaky velo-hold's.
Overblijvende problemen:de erg beperkte regelmogelijkheden van de vactrol
schakeling voor controller 7 enerzijds en anderzijds de oversturing die we
krijgen bij aanslag van meerdere toetsen tegelijkertijd. Het wordt zaak uit
te zoeken waar de clipping/oversturing optreedt.
- 21.02.2024: Eerste test met <Pianet> in de kontekst van het robot
orkest: In 'Chutes #4' voorzagen we in een partij voor <Pianet>.
- 04.2024: Pianet gebruikt in het tango programma met Francoise Van Hecke
in Brugge, ter vervanging van <Spiro>.
- 01.12.2024: Partij voor <pianet> in Magic Square #5.
- 13.07.2025: Sterke vervorming van het geluid opgemerkt... Elektronika heeft
grondig nazicht nodig. Ook de dokumentatie van de lampjes is erg gebrekkig.
- 14.07.2025: Lichtjes dokumentatie in orde gebracht en getest.
Last update: 2025-07-13
by Godfried-Willem Raes
The following information is not intended for the general public nor for composers
wanting to make use of the <Pianet> robot, but is essential for maintenance
and servicing of the robot by our clients and collaborators. It also might be
usefull for people that want to undertake similar projects.
Technical drawings, specs and
data sheets:
Power supplies:
- +9 V - 11 A (XP type ECM100US09)
- -24 V - 9 A (XP type AHE220PS24)
- +5 V - 2 A (on the midi-hub board)
- +/- 15V - 30VA (on amp board)#
- +12V - 2A (XP type used for the lights and the Vactrols only)
Fuse in the power entry: 4 A. A spare fuse can be found in the little drawer.
Wiring & circuit details midihub board:

By changing the jumper on this board it is possible to select between parsed
midi mode (1 ms delay) and direct mode. Direct mode may lead to much higher
jitter on the timing precision, depending on overall midi density. The protection
diodes (1N4007) for inductive loads have been ommitted in the practical realisation
as the mosfets are only used to switch lights here.
PCB for this board:

Circuit details solenoid driver board:

board 1 using 12 IRF620 MOSFET's for the pulses
board 2 using 10 IRF530 MOSFET's for the pulses, 1 IRF540, 1 IRF1310
boards 3 to 5 using 12 IRF3710 for the pulses
All boards use IRL640 for the holds.
summary of data-sheet values for MOSFET's used:
| type |
Umax |
Imax |
Ug |
RdsON |
Ci |
| IRF530 |
100V |
14A |
10V |
0.18 Ohm |
|
| IRF540 |
100V |
28A |
10V |
0.08 Ohm |
1.7nF |
| IRF620 |
200V |
5A |
10V |
0.8 Ohm |
|
| IRF1310 |
100V |
24A |
10V |
0.036 Ohm |
1.9nF |
| IRF3710Z |
|
|
|
|
|
| IRL640 |
200V |
18A |
5V |
0.18 Ohm |
1.7nF |
| IRLZ34 |
55V |
30A |
5V |
0.046 Ohm |
880pF |
| FQPF20N06E |
60V |
15A |
3V |
|
|
If repair and replacement is required, all N-channel mosfet's can be replaced
with IRL640 types.
Solenoids: Intertec ITS-LZ-1949-D-12V.
Datasheet. Nominal voltage: 12V , Power: 7W (Hence Rdc= 20.57 Ohm). With
the 9V hold-voltage only, the current drawn is 437 mA. During the velo-pulse,
current rises to 1.6 A.
Audio amplifier circuit:
PCB: 
Mechanical construction drawings and welding plan:
Tentative cost calculation:
| tubular solenoids: |
60
|
13,50-
|
810,-
|
| PCB's P/H boards: |
5
|
250,-
|
1.250,-
|
| Hub board |
1
|
200,-
|
200,-
|
| Power supply: 9V - 11A |
|
110,-
|
110,-
|
| Power supplies 24V - 6A / 9A |
|
210,-
|
210,-
|
| Chassis Vorsetzer |
|
200,-
|
200,-
|
| Konnektors 2pole Weidmueller |
60
|
1,60-
|
96,-
|
| Ettinger M3 shock absorbers |
20
|
3,60-
|
72,-
|
| Rubber fingers |
60
|
2,80-
|
168,-
|
| Metal plated wood |
1
|
8,20-
|
8,20-
|
| M6 bakeliet knoppen |
4
|
2,70-
|
10,80-
|
| |
|
|
|
| Material cost estimate |
|
|
3.800,-
|
Labor (estimated at 4 weeks): 6.300,-
Total estimated cost: 10.100,- [16.12.2021]
Additional costs for the construction of the trolley and the amplifier system:
6.000,-
Total estimated end cost: 16.100,- Euro.
References:
Raes, Godfried-Willem, "Expression
control in musical automates", 1977/2025,
