Logos foundation

Laboratory for research on experimental musical instruments and interfaces

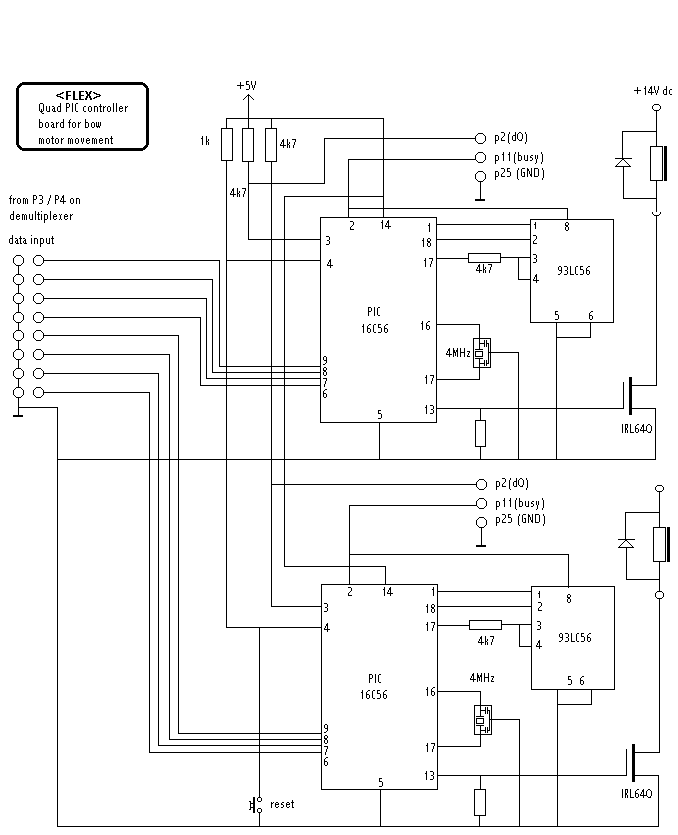
Basic Stamp projects index


We have put all source code for some of our stamp projects in this directory on our website.

Files with extension BS1 are clearly Stamp 1 related, BS2, stamp 2 related.

Some projects use many stamps and even combine BS1 and BS2's in networked configurations.

Files that can be downloaded are:

Application & context information can be found via our website main page. For some projects full schematics and PC board designs can be download from this page as well. To see the directory listing, click on the Hyper-Index link below.

We have following PC board layouts available:

 

To Main Index To up-link selection table To Godfried-Willem Raes' website To Hyper Index for this \logos\stamps site

First published on the Web September 20th 1996. Last update: February 5, 2003 by Dr.Godfried-Willem Raes