<Slow sham rising>
for viola and live electronics
by
Godfried-Willem Raes
2000/2001
This piece was written on request from Champ d'Action for their viola player, Dominica Eyckmans. Although conceived as a solo piece, an electronics operator is required for performing the piece. Elements of music theatre / performance art are essential components here, induced by the magic of the technology used and designed as part of the composition. The movement sensing devices used here go back on earlier research and artistic projects such as found in <Holosound> (1980), <A Book of Moves> (1992), <Songbook> (1995) etc. The piece was premiered on friday 26th of january 2001 at the Logos Tetrahedron in Ghent by Dominica Eyckmans.
Technology
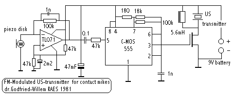
Since electronic circuitry is an integrating part of this composition, we start the description of the score with a complete description of the electronic circuitry: The viola has a contact microphone connected to the bridge of the instrument. This piezoelectric element (5mm x 10mm in size and attached to the viola bridge with some sticky paste) is to be connected to a circuit as follows:

This small circuit should be mounted on the tailpiece of the viola. The battery pack (two 9V alkaline batteries, but two 5.6V photocamera type batteries could be used as well) may be worn as a necklace, a belly or arm strap, a head ornament or whatever idea the performer may show up with. Batteries are just too heavy to be safely mounted on the viola as well as the circuit… For every performance a set of fresh batteries should be used. Operation of the ICL8038 is only guaranteed from 10V supply voltage on. Thats why we did not design a single supply circuit which would have enough with a single 9V battery... The capacitor on pin 10 (1nF) should be trimmed such as to obtain 40kHz, without modulation on the FM input. An alternative circuit, using only a single 9V battery looks like:
Here, again, the frequency determining
resistors between the 555 pins 6 and 7 need to be trimmed for 40kHz exactly.
In 2015, we designed a new FM modulation circuit with a much higher sound level
output. Here is the circuit drawing as well as the PCB designed for it:
Thus the viola sound is used as a source for frequency modulation of a battery powered ultrasonic transducer. The signal is received by three transducers situated on the ground and connected to a demodulation circuit. This holosound demodulator board consists of three circuits depicted below. Note that high precision components should be used here. The input signal should not be clipping at any point. If the signals from the transducers appear clipped on the input of the circuit below, the distance between transducers and viola should be increased. If no output from a channel (not even hiss) is obtained, than the distance is so small that the input amplifiers are saturating and locking up occurs. The signals on pins 1 and 3 of the AD633 multiplier should be of equal rms voltage for proper operation of the AM/FM circuit. (Adjust for a maximum 5V rms signal on pin 6 of the OP27's). Technically speaking, the circuit is a dual slope balanced demodulator or phase detector.

The signal fed to the circuits depicted above comes from special transducers and preamps build after following schematic:

DIN connectors are used to connect the transducers to the demodulator circuit. The distance between viola and transducers should be adjusted such as to obtain only the bottom LED (yellow) or the lowest center LED's (green) lighting up. If the signal is too strong, the upper LED (red and marked high in the schematic) will be lit and the signal distorted. The output of these three demodulators (housed together in a single unit 19" cabinet) are fed to a mixer board and projected in the performance space through at least 2 but optimally 3 loudspeakers.

Of course, the entire circuit requires a decent balanced power supply. It can be build after following circuit design:
![]()
The required hardware for this piece, as described above, may be obtained from the author on request. Cost approximates 3200 Euro.
Music:
The viola should be retuned as follows:
Tuning should take place prior to entering the stage.
This piece requires an extreme control of bowing technique, since the first section (marked octava basso) ought to be played in the suboctave of the string. The sounding interval will generally be somewhat smaller than an octave, but scratchy noise sounds with indeterminately pitched sounds are to be avoided. As a final resort, if unsuccessfull in obtaining the required technique, one may consider to use an electronic pitch transposer for this first section. However, this should be considered a case of emergency solution.
Basically the score is a single extremely slow glissando, starting on the C string and rising upwards far beyond whats possible. As soon as F# is reached on the C-string the player should enter the G string (tuned F#). For a while, both strings should sound together and overlap. This point may be used to change fingerings as the player moves upward the glissando on the adjacent strings.
The first four bars of glissando should be played with increased bow pressure such as to make the strings sound a full octave lower. The duration of the glissando should be no shorter than ten minutes. Take about 60 seconds per staff as a point of departure. However, there is no need to consider this to be the tempo. Tempo does not have to be constant throughout a performance. Obviously the score should be memorized, since there cannot be a music stand on stage.
This musical input should be modulated by a shamanistic performance, involving increasing body movement . These gestures and movements will be at the same time the subtle modulating source for the musical input. The maximum frequency shift due to the doppler effect on the viola notes is in the order of 1%. So, at slow movements soft beats may be heard, slight phase shift vibrato at faster speeds. However, the movement itself will cause strong doppler shifts on the carrier wave leading to audio noise in the frequency band 0-800 Hz. High pitched doppler sounds may be produced by fast movements through the air with the bow (marked salto dell arco in the score, at the end of each bar).

Theatrics:
Costume: the best costume to perform this piece is no costume at all. Be nude, only dressed by the prepared viola and weaponed by its bow, if theatrical circomstances permit it. The vulnerability induced by this setting is intentional, just as is the ritual character of the piece. Body painting (white powdering) may be considered. In no case loose clothes should be worn.
Theatre spotlights may be used. Optimally, use 2 profile spots left and right on ground level, using them to project shadows of the performer on the back and/or left and right stage walls (if any, and if not black). In some theatres, consider lighting using two profile spotlights from behind the player projecting back-lighting and projecting shadows on the stage floor. Obviously, a performance area of about 4 meters in diameter should be completely cleared: no music stands, no obstacles around...
The player enters the performance space slowly and with decisive grace. Make sure the viola circuit is switched on! As soon as she arrives and stands still in the middle of the triangle formed by the three transducers, the electronics operator fades in the signals from the holosound engine. The first minute or so, there should be no viola playing, but only short brusk and abrupt gestures. As an alternative, the viola may be left switched on but alone on the stage ground, the performer approaching the instrument as part of the opening. Since all the performers movements will be audible, this magic -as well as the induced vulnerability- should be part of the piece.
Performances:
Notes:
One of the problems with the technology as described above is that the ultrsonic transducer on the viola is quite directional. The working of the piece would be greatly improved by using an omnidirectional transmitter. Another problem is that the transmitter used here is not a good choice for FM modulated signals as its frequency response is too limited to achieve good FM in the audio range. So, ideally a wideband omnidirectional transducer should be used. So far, we have not found workable alternatives.
Gent, 12.2000/01.2001
rev. 08/2015
Back to Godfried-Willem Raes' score catalogue
Last update: 2015-08-08