Troms
automated percussion
by Godfried-Willem Raes
july/august 2000
This instrument is a computer controlled assembly of seven single skin drums of increasing sizes (from 70cm to 7 cm) . Each drum has a set of different beaters. Since the smallest drums do not have enough place to put a large number of beaters, this number decreases with the size of the drums. The beaters are arranged such that the rightmost beater always hits the center of the drumskin. The leftmost beater is positioned such as to obtain a rimshot. Other beaters occupy intermediate positions. The drums are mounted in an assembly with an angle of 36 degrees, on a sturdy three-wheel base.
The complete structure is made of steel and was almost entirelly welded using TIG technology. The instrument can be played by standard MIDI commands, using our GMT software but is also capable of listening to pure algorithmic commands.
The picture above gives an idea about the way the instrument is build. Although the picture was taken when the instrument was fully functional, it was not completely finished. Still some elements had to be properly welded and the whole skeleton still needed to be painted. The lead battery compartiment -required for playing the instrument on the street- is missing on the picture.
This instrument was made and designed to be a part of the project realized for 'Web Strikes Back' at the occasion of the Tromp biannual, october 2000 in Eindhoven, the Netherlands.
uses dedicated hardware, designed for musical automats such as player pianos, percussion instruments, organs and even bowed instruments. Details can be found in our course on experimental music (book 2) on this same website.
The hardware consists of following printed circuit boards:
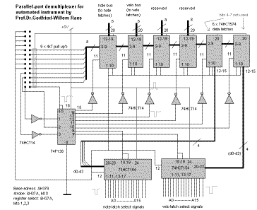
1. a parallel bus-board, designed for many of our automated instruments. (cfr. Klung, Player Piano, Harma, Springers, Troms, ThunderWood, Gorgel...) This board gets its input from a parallel printer port from a stardard wintel PC running Window98 with MMX command set and multimedia timer features. However, it is also possible to use any other microprocessor or controller as long as it can implement centronics like outputs. The circuit, a demultiplexer, looks like:

2. Velo driver board. This pc board houses the power mosfets used to steer the solenoids used for activating the sound sources. [ comment on these circuits, first developed for our player piano and also used in automats such as , can be found at http://www.logosfoundation.org/logos/kursus/2116.html. ] The solenoids used are rated 12/14V @400mA (resistance 30 Ohms) for 100% duty cycle. Since we use them only in pulsed mode, we could safely double the operating voltage to minimum 24V.
The power mosfets we used for controlling these solenoids are Harris RFP4N12L , since these switch on TTL levels. Note that when the power suppy is switched on, all latches will go to a high state, thus sounding al notes and drums at the same time. To avoid this, either first start the computer and the appropriate GMT program and then switch on , or start Troms with the provided dummy connector inserted in the input port.
3. The power supply for this instrument is rated for 300Watts. The instrument can also be taken on the road, running from a 24V car battery. The power supply circuit is straightforward, although dimensioned for the high currents involved when all hammers do strike. The BDX67 is a hefty darlington power transistor in TO3 housing capable of handling 20 Amps with adequate cooling. The 7824 can be a small model (78L24) since it only serves to steer the darlington. We used a classic in TO220 since we had a bunch of these handy. The 7905 needs to be cooled. A small fin will do. If you have a TO3 package, it can be used without heatsink here. Although we used a BZY91 to drop the voltage fot the 7805, it would be cheaper to use a separate small (7.5V/1A) mains transformer
The construction drawing for the wheel base looks like:

Music:
If you are using under Power Basic, you can use all specific hardware control functions and procedures provided in our library. A midi command converter is being written right now by Kristof Lauwers. The midi mapping is:

Bass-drum: midinotes 24,25,26,27,28,29
[beaters from center to rim]
Tenor-drum: midi notes 30,31,32,33
[beaters from center to rim]
Side-drum: midi notes 34,35,36,37
[beaters from center to rim]
Low-bongo: midi notes 38,39,40
[beaters from center to rim]
High-bongo: midi notes 41,42,43
[beaters from center to rim]
Low LP mini bongo: midi notes 44, 45
[center beater and rimshot beater]
High LP mini bongo : midi notes 46,47
[center beater and rimshot beater]
Coding samples will be published as soon as is fully functional...
Construction workshop & low level coding collaborators:
Kristof Lauwers (GMT coding)
Filip Switters (TIG welding)
Xavier Verhelst (purchasing)
Kurd Van de Velde (maintenance assistent)
Dimensions:
width: 2500 mm
height: 1860mm
depth: 600mm
weigth: 140kg
power consumption: 300Watts / 230V AC
data input: centronics parallel port from Wintel PC