Godfried-Willem RAES

Kursus Experimentele Muziek: Boekdeel 2: Live Electronics

Hogeschool Gent : Departement Muziek & Drama


<Terug naar inhoudstafel kursus>

2310:

Aanraakkontakten

 

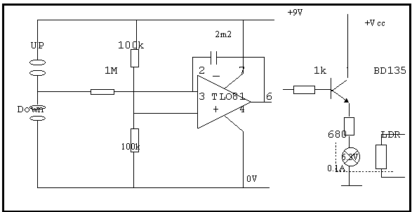
Vele musici zullen zich in live-performance konteksten wel al hebben geergerd aan de vele knopjes en schakelaars die op diverse toestellen bediend dienen te worden tijdens het spelen.

In sommige gevallen is het heel goed mogelijk potmeters (volumeregelaars, pedalen, klankfilters...) te vervangen door eenvoudige aanraakvlakjes op een stukje printplaat. Aanraking van het ene vlakje verhoogt dan de uitgangsspanning van de schakeling, terwijl aanraking van het andere vlakje ze weer kan verlagen. De mate van verhoging/verlaging van de uitgangsspanning is een funktie van de tijd van de aanraking van de vlakjes.

Schakeltechnisch, vergt zo’n opzet de toepassing van een integrator met een lage RC-tijdkonstante. Dit kan heel eenvoudig opgebouwd worden met een enkele op-amp, drie weerstanjes en een MKM-kondensator (beslist geen elko gebruiken, want dit type kondensator lekt erg veel).

De uitgang van de opamp in de schakeling blijft hangen op de ingestelde waarde. Het bereik hangt af van de aangelegde voedingsspanning. Met een TLO81 loopt ze vanaf 0 tot minder dan 1Volt onder de positieve voedingsspanning. Merk op dat voor deze toepassing van een enkelvoudige voeding gebruik wordt gemaakt.

Met een batterijtje van 9V kan op deze wijze een prima kontrole-orgaan gemaakt worden voor de sturing van spanningsgestuurde komponenten uit analoge synthesizers.

Met een buffertransistor, een bazisweerstand en een lamp + LDR kombinatie is een eenvoudige volumereging te maken.

Hierbij het schema:

 


Terug naar inhoudstafel kursus

Naar homepage dr.Godfried-Willem RAES