Prof.dr.Godfried-Willem RAES
Kursus Experimentele Muziek: Boekdeel 2: Live Electronics
<Terug naar inhoudstafel kursus>
|
Schema Single power supply |
Schema dual power supply |
Schema Tracking Supply |
Naar andere voedingen... |
Vanzodra we een aktieve elektronische schakeling bedenken en bouwen zal die nood hebben aan een of andere energiebron. Alleen passieve schakelingen (schakelkastjes, passieve verzwakkers, eenvoudige RC of LC filters...) ontsnappen aan deze noodzaak. Bij de aanvang van onze experimenten kunnen we daarvoor uiteraard een beroep doen op batterijen of akkus, maar snel zal blijken dat niet alleen deze stroombronnen zelf snel uitgeput raken, maar ook onze geldbeurs! Immers batterijen en akkus zijn van alle elektriciteitsbronnen zowat de allerduurste. 1kWh ontnomen aan het publieke stroomnet kost ongeveer 15 eurocentimes, maar diezelfde 1kWh indien we die zouden halen uit alkaline cellen kost ons zo'n slordige 800 Euro! Immers, een 1.5V alkaline baby cel (en dit zijn naar prijs energiehoeveelheidsverhouding nog de goedkoopste) heeft een kapaciteit van ca. 4Ah. Om 1kWh energie te verkrijgen hebben we dus 250 dergelijke batterijen nodig, wat aan zo'n 3 Euro per stuk het genoemde bedrag oplevert. Als je bovendien nog de milieukost inrekent (batterijen bevatten heel wat voor het miljeu schadelijke chemikalien) dan moet je toch echt wel bijzonder ernstige redenen hebben om batterijen als energiebron te willen gebruiken.
De netspanning zoals we die van de elektriciteitscentrale aan huis toegeleverd krijgen is slechts in weinige gevallen zomaar te gebruiken voor het voeden van onze elektronische schakelingen. Enerzijds is het wisselspanning (50Hz), anderzijds is de spanning ervan veel te hoog voor onze arme transistoren en chips...
Maar, precies omdat we met wisselspanning te maken hebben, kunnen we een transformator inschakelen om die spanning wat te temperen. Dit levert ons bovendien nog een groot veiligheidsvoordeel op. Immers een transformator (uiteraard met gescheiden primaire en sekondaire wikkelingen) vormt een goede galvanische scheiding tussen net enerzijds en onze schakelingen anderzijds.
De transformator alleen volstaat echter niet! Immers aan de sekondaire kant blijven we gekonfronteerd met zuivere wisselspanning. Om deze wisselspanning nu naar de gewenste gelijkspanning om te zetten roepen we de hulp in van een of meer diodes. Diodes immers zijn geleiders voor stroom in een bepaalde richting en isolatoren voor stroom in de tegengestelde richting. Een enkele diode in serie met een wisselspanningsbron zal dan ook enkele de positieve helften (of, indien ze anders gepoold wordt, enkel de negatieve helften) van die wisselspanning doorlaten. De spanning die we zo verkrijgen is nu wel unipolair, maar zal nog steeds pulsvormig verlopen. Om die pulsatie -in de maat van de netfrekwentie- af te vlakken roepen we de hulp in van een grote kondensator, in deze toepassing 'afvlakkondensator' genoemd. Deze werkt als een soort reservoir waarin de spanning wordt opgeslagen in de tijd dat de binnenkomende spanning 0 is. Bij elk nieuwe spanningspuls wordt hij een stukje bijgeladen.
De allereenvoudigste voedingen voor elektronische schakelingen bestaan ook in de praktijk uit niet veel meer dan een transfo, een of meer diodes en een afvlakkondensator. Hoewel dit soort voeding voor onkritische en eenvoudige schakelingen of toestellen soms toereikend is, kleven er nogal wat bezwaren aan vast.
Even narekenen:
Stel dat we een transformator hebben die de netspanning van 230V naar 10V transformeert en dat deze transformator een stroom kan leveren van 1A (Een 10VA of 10Watt transformator dus). De 10V waarover we het hier hebben dient gezien te worden als de RMS waarde van een wisselspanning. Noemen we de maximale waarde van de positieve sinushelft van de wisselspanning Upos en de negatieve Uneg dan geldt: Urms= (Upos + |Uneg|)/ [2 * SQR(2)].
Waaruit we berekenen Upos = 10V * SQR(2) = 14.14 V, en aangezien de sinusspanning symmetrisch is Uneg = -14.14V. De piek tot piek waarde is dus: Upp = 28.28V.
Wanneer we nu beide helften van de sinusspanning gelijkrichten middels een bruggelijkrichter bestaande uit 4 diodes dan zal de nageschakelde kondensator opgeladen worden tot de spanning van 14.14V. Belasten we deze voeding nu met een weerstand van 10 Ohm, dan zou er op het eerste zicht een stroom vloeien van 14.14V/10Ohm = 1.414Ampere... Dit kan echter niet want enerzijds stelden we het vermogen van onze transformator op 10W waardoor dergelijke stroom in elk geval niet kan geleverd worden, anderzijds kan ook de 14.14V over de kondensator bij deze belasting onmogelijk blijven bestaan, want de kondensator zal zich nu sneller ontladen dan hij door de transfo en de diodeschakeling kan worden bijgeladen.
Om dit goed te begrijpen moeten we ons voorstellen dat de belasting eigenlijk moet gedacht worden als bestaande uit de pure belasting in serie geschakeld met de inwendige weerstand van de stroombron (in dit geval de wikkelweerstand van de transformator, de ijzerverliezen...). In werkelijkheid zal over onze 10Ohm weerstand een spanning staan van hooguit 10Volt, namelijk de rms waarde van de aangeboden wisselspanning. In de wereld van de realistische elektronika zal deze spanning nog iets kleiner zijn: de diode zelf veroorzaakt immers ook nog een spanningsval varierend volgens het type van 0.3V tot 1.2V.
In elk geval blijkt uit deze beschouwing dat de spanning van deze voeding er afhankelijk zal zijn van de grootte van de belastingsweerstand. Stel even dat de belasting een audioversterker is, dan zal dit voor gevolg hebben dat de voedingsspanningsvariaties hoorbaar zullen zijn in het door de versterker afgeleverde luidsprekersignaal. We zullen dit beslist niet op prijs kunnen stellen...
Om deze belastingsafhankelijkheid van de uitgangsspanning van deze allereenvoudigste voeding weg te werken wordt gebruik gemaakt van een spanningsregulator. Dit is een in chipvorm verkrijgbare standaardkomponent die intern bestaat uit een tamelijk ingewikkelde opamp schakeling die steeds nauwgezet de uitgangsspanning in de gaten houdt en konstant poogt te houden. Als extras hebben regulator IC's nog een thermische beveiliging en een stroombegrenzing ingebouwd.
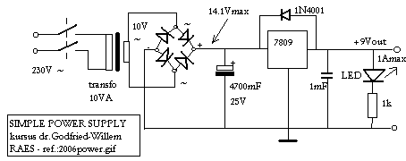
De eenvoudigste voedingen van enige kwaliteit zien er dan ook uit als op onderstaand schema:
We herkennen direkt de transformator, de bruggelijkrichter, en afvlakkondensator (4700mF) en de regulator (het blokje met inschrift 7809). Hier is bij wijze van voorbeeld een voeding met een uitgangsspanning van 9V getekend. Met de 78xx regulators kunnen allerlei verschillende uitgangsspanningen worden bekomen -uiteraard mits aanpassing van de sekondaire spanning van de transformator. De uitgangsspanning volgt uit de laatste twee digits van het typenummer. Zo hebben we de standaard chips: 7805, 7806, 7808, 7809, 7810, 7812, 7815, 7818, 7824. Ze bestaan ook voor negatieve uitgangsspanningen, in welk geval de eerste twee digits in plaats van 78, 79 worden. De reeks is dan: 7905, 7906, 7908, 7910, 7912, 7915, 7918, 7924. Ook types met instelbare uitgangsspanning zijn koerant verkrijgbaar (LM317 en LM337 bvb.). De behuizing hangt af van de gewenste maximale stroom. Het kleinste type levert slechts 100mA, de TO220 behuizing tot ca. 1A, de TO3 behuizing kent types van 1A tot en met 10A.
De kondensator in het schema getekend na de regulator, onderdrukt oscillatieneigingen die zouden kunnen ontstaan. De weerstand en de LED in serieschakeling over de uitgang is er alleen om ons te melden of de voeding al dan niet aan staan. De diode over de regulator is een terugvloeibeveiliging. Deze diode beschermt de regulator tegen mogelijk onheil dat zou kunnen ontstaan wanneer de voeding -zelf niet aangesloten- zou worden aangesloten aan een belasting onder spanning. Immers in dat geval zou de stroom in ongekeerde richting vloeien. Door de diode zal deze stroom nu naar de afvlakelko lopen en verder geen schade kunnen aanrichten.
Logische schakelingen hebben meestal nood aan een 5V voeding. Wanneer in ontwerpen logische schakelingen naast vermogenselektronika (sturing van elektromagneten, motoren, lampen...) optreden, is het absoluut taboe de spanningen voor de voeding van de lgische schakelingen uit dezelfde bron te betrekken als die voor de vermogenselektronika. De sterk varierende belasting die deze laatste vormt veroorzaakt steeds spanningspieken op de voeding die tot heel wat ellende aanleiding kunnen geven in de logika. Daarom ontwierpen we een uiterst eenvoudige schakeling met bijhorende print, waaruit drie 5V voedingsspanningen kunnen worden betrokken:

Het bijhorende eurokaart printje ziet eruit als:

De print biedt plaats aan de voedingstransormator evenals aan de U-vormige koelvinnen waarvan de 7805 regulatoren (in TO220 behuizing) zijn voorzien. De bij de uitgangen gemonteerde LED's laten een snelle kontrole van de uitgangsspanning toe.
Voor het voeden van schakelingen waarin van operationele versterkers gebruik wordt gemaakt hebben we meestal nood aan een voeding die zowel een positieve als een negatieve spanning kan leveren. (+15 en -15V zijn erg gangbaar). Een eenvoudig schema voor een dergelijke symmetrische voeding geven we hierbij:
Zoals je kunt zien is de negatieve helft een spiegelbeeld van de positieve helft. Merk op dat we hier gebruik maken van een transformator met een aftakking in het midden van de sekondaire wikkeling. Uiteraard kan een transfo met twee identieke sekondaire wikkelingen hier evenzeer worden gebruikt. Op deze wijze kunnen we ook hier volstaan met een enkele gelijkrichterbrug.
Onderaan het schema tekenden we tevens ook de aansluitingen voor de vermelde regulatorchips. Let op voor de verschillende pinning van positieve en negatieve regulators!
Hoewel dit soort voeding het gros van onze normale behoeften in audio elektronika beslist kan dekken, zijn er toch enkele bezwaren en schoonheidsfoutjes aan verbonden. In de eerste plaats zal de positieve spanning niet identiek zijn aan de absolute waarde van de negatieve spanning. Immers de grootte van beide spanningen hangt af van de individuele precisie van de gebruikte regulators. Deze is in de praktijk beperkt tot ca. 1 tot 5%. Bovendien zullen onevenwichten in de belastingen van positieve en negatieve belasting dit gebrek aan symmetrie nog verder verstoren. Dit kan ernstige gevolgen hebben voor schakelingen waarin de DC offset een belangrijke rol speelt. Dit is o.m. het geval voor gelijkspaningsversterkers, regelschakelingen en vooral, analoge komputers. Om aan deze bezwaren tegemoet te komen ontwierpen we zelf een uiterst precieze, stabiele en symmetrische dubbele voeding waarvan we hier het schema geven:
![]()
Van dit ontwerp bouwden we in de laatste jaren bijzonder veel exemplaren die het stuk voor stuk al jaren schitterend doen! Het spreekt vanzelf dat je voor dergelijk ontwerp wel goede kwaliteitsonderdelen dient te gebruiken. (Metaalfilm R's en goede C's). Vergeet ook niet de TO3 regulators van een behoorlijke koelvin te voorzien. Met de 1kOhm multiturn trimpot wordt de uitgangsspanning heel precies afgeregeld op 15.000Volt terwijl vervolgens de symmetrie wordt afgeregeld met de 10 Ohm multiturnpotmeter. Voor deze afregeling wordt best een goede tweekanaalsskoop gebruikt waarbij de ingangen op A+B worden ingesteld en waarbij uiteraard op 0 wordt afgeregeld in het gevoeligste bereik. Anders dan bij het gros van de in de elektronische literatuur gepubliceerde onrwerpen, wordt hier de spanning van negatieve uitgang geregeld in funktie van die van de positieve uitgang. Dit is gedaan omdat in bijna alle ontwerpen voor schakelingen, deze indien ze de voeding assymmetrisch belasten, dit steeds voor rekening komt van de positieve voedingsspanning. Het is dan ook heel wat logischer de negatieve spanning te regelen in funktie van de positieve dan omgekeerd. De 7915 regulator, die alleen gebruikt wordt voor de negatieve voeding van de precizie opamp (OP27) mag wellicht wat van het goede teveel lijken, maar hiervoor werd geopteerd om elk start-up probleem uit de weg te gaan.
Deze schakeling kan ook uitstekend worden gebruikt als laboratoriumvoeding. Uiteraard gebruik je dan best een op de frontplaat gemonteerde multiturn potmeter voor de instelling van de spanning. Ook het opnemen van twee digitale paneelmetertjes is in zo'n toepassing erg handig. Merk echter op dat de precisie van dit soort metertjes kleiner is dan die van onze voeding!
High Current / Power supply
Vaak hebben we nood aan een stabiele voeding die ook in staat moet zijn hoge stromen te leveren (10 tot 20 Ampere bij 12 tot 40 Volt bvb). Zo bijvoorbeeld voor automatiseringsprojekten (robots, muziekautomaten...). We geven hierbij enkele uiterst eenvoudige ontwerpen evenals de eurokaart PC board lay out:

Wil je de positieve versie gebruiken voor hogere uitgangsspanningen dan 45Volt, monteer dan een TL783C regulator in plaats van het LM317 type. De 240 Ohm weerstand moet je dan wel verlagen tot 82 Ohm en de 10mF tantaalkondensator van de regelingang naar massa komt te vervallen. Wil je de LED niet in rook zien opgaan, dan moet je wel nog de 1k weerstand vergroten zodat de stroom door de LED zeker niet groter kan worden dan 10mA. Met deze aanpassingen kan je de voeding stabiele spanningen tot 120Volt laten leveren.
Noteer dat de versie voor positieve uitgangsspanning gebruik maakt van een NPN darlington transistor, die degelijk gekoeld dient te worden. Voor de negatieve versie, wordt gebruik gemaakt van de komplementaire PNP transistor.


Deze geetste printplaten kunnen ook bij de auteur rechtstreeks of via Stichting Logos, tegen kostprijs worden verkregen. Gereed bestukte schakelingen zijn op aanvraag ook verkrijgbaar.
Laptop Power Supply
Dit voedingsontwerp is ook uitstekend geschikt voor laptop komputers waarvan de bijgeleverde voeding stuk is (dat gebeurt nogal vaak, en meestal blijkt een nieuw exemplaar niet leverbaar...). Gebruikelijke spanningen liggen tussen 15V en 24V dc bij een stroom tussen 2A en 4A. Een transformator met een sekundaire van 24V bij 4 tot 5A is prima geschikt. (bvb. Erea type E224SB100, voor voedingen tot 2A, of een toroidaal exemplaar als je het toch wat kompakter wil bouwen). Regel wel de uitgangsspanning heel precies af op de waarde die de laptop verwacht. Uiteraard doe je dit niet met een aangesloten laptop!
Uiteraard zal deze vervangingsvoeding lang niet zo kompakt en licht zijn als de oorspronkelijke schakelende voeding. Niettemin is ze in vele opzichten superieur: ze heeft zowat het eeuwige leven en werkt zonder glitches! Ze veroorzaakt ook heel wat minder elektromagnetische storingen die onze audio bederven. Een nadeel is wel dat ze zich niet automatisch aanpast aan de aangeboden netspanning. Wil je het ontwerp voor 120V netspanning kunnen gebruiken, dan zal je een daarvoor geschikte transformator moeten vinden.

Low Drop Lineaire Regulators
Alle tot hiertoe vermelde types lineaire spanningsregulators (7805, 7812,1815...evenals LM319 enz... en hun negatieve versies) kunnen slechts naar behoren werken wanneer in alle omstandigheden een spanningsverschil bestaat van minstens 3 volt tussen de ingangsspanning en de uitgangsspanning. In het technisch jargon noemt men dit de 'drop' over de regulator. Het probleem hiermee is o.m. dat deze drop-spanning leidt tot soms aanzienlijk vermogensverlies. Dit verlies is uiteraard groter naarmate de werkspanning lager wordt genomen. Stel dat we een 5V komputervoeding willen bouwen voor een stroomkapaciteit van 10A, dan moeten we aan de ingang steeds 8V aanbieden. Er zal dan minimaal steeds 3V * 10A = 30Watt in de regelaar verloren gaan als warmte. Ten opzichte van de 10A * 5V = 50Watt nuttig vermogen, kan dit niet bepaald een mooi resultaat worden genoemd. Als antwoord op dit probleem hebben de chip-fabrikanten een hele reeks nieuwe lineaire regulatoren op de markt gebracht als 'low-drop' types. Deze types kunnen werken met een spanningsverschil van slechts 1 enkele volt.
Voorbeelden van dergelijke chips zijn:
Deze types leveren een uitgangsspanning met een konstantheid van 0.015% en zijn bovendien korsluitvast.
Helaas echter zijn ze niet pin-kompatibel met de vertrouwde 3-potige regulators. (De LM2940CT types zijn wel pin-kompatibel met de 78xx reeks). De pinning voor de in het lijstje opgegeven types (zowel TO220 als TO247) is alsvolgt:

Een simpele maar effektieve laboratorium voeding bestand tegen induktieve lasten. (link naar een engelstalige app.note)
Schema:

Filedate:9709 - Last update: 2014-08-09
Terug naar inhoudstafel kursus: <Index Kursus>
Naar andere voedingen: hoogspanning, schakelende voedingen, inverters, ladingspompen
Naar homepage dr.Godfried-Willem RAES