Dr.Godfried-Willem RAES
Kursus Experimentele Muziek: Boekdeel 2: Interaktieve systemen en live electronics
Hogeschool Gent : School oif Arts
| Klankonderzoek |
2003:
Wanneer we elektrisch signaal via een kabel van het ene toestel naar het andere willen brengen -bijvoorbeeld een mikrofoon naar een mengpaneel- dan kunnen we dat op de meest eenvoudige wijze doen door bron en bestemming met twee onderling geisoleerde geleiders onderling te verbinden. Dit soort eenvoud blijkt in de praktijk echter behept met een hele resem nadelen en problemen en wordt daarom alleen gebruikt daar waar we te maken krijgen met het transport van grote stromen en/of spanningen, zoals bvb. in het geval van verbindingen tussen eindversterkers en luidsprekers. De nadelen van deze eenvoud zijn in de eerste plaats dat de verbindingskabel onvermijdelijk zal werken als een antenne en dus alle elektromagnetische golven uit de omgeving zal oppikken: in de eerste plaats -maar niet alleen- brom afkomstig van de netspanning. Wanneer we relatief zwakke signalen moeten transporteren zal deze geinduceerde stoorspanning al gauw groter blijken te zijn dan de signaalspanning die we eigenlijk willen transporteren.
Aangezien een signaaltransport noodzakelijkerwijze via 2 geleiders moet verlopen (anders zou er geen spanning als 'potentiaalverschil' kunnen bestaan) en aangezien in bijna alle elektronische schakelingen de spanningen en signalen worden verwerkt met als referentie een gemeenschappelijke 'massa' (een konventionele 0V referentie), ligt het voor de hand onze kabel koaxiaal uit te voeren: de referentie of massa wordt daarbij verbonden met de mantel van de kabel (de afscherming) terwijl het eigenlijke signaal op de centrale geleider komt te staan. Uiteraard zal onze kabel nu nog steeds als antenne funktioneren, maar door het kooi-van-Faraday effekt van de geleidende afscherming, wordt de centrale geleider voor instraling beschermd.
Dit soort asymetrische verbinding volstaat voor bijna alle korte verbindingen met niet al te kleine signaalspanningen. Daarom bestaan 'patchchords' die lijn-nivo signalen voeren in studios meestal uit eenvoudig afgeschermd snoer. Ook de interne verbindingen tussen printplaten onderling, en voorzover die audiosignalen voeren, worden uitgevoerd met eenvoudig afgeschermd snoer.
Wanneer de signalen erg klein zijn, of de transportafstand erg groot, of nog, de gewenste signaal/ruisafstand erg kritisch, voldoet dit soort verbinding niet meer: de kooi van Faraday is nooit helemaal perfekt en de geinduceerde stoorspanning neemt toe met de lengte van de verbindingskabel. Daarom bedacht men reeds vroeg in de vorige eeuw (20e) het symmetrisch signaaltransport. Hierbij wordt het signaal in tegenfaze (180 graden) op twee identieke geisoleerde geleiders geplaatst. Dit kan gebeuren ofwel via een transformator of via een elektronische schakeling. Omheen dit koppel komt dan, zoals bij enkelvoudig afgeschermd snoer, een gevlochten geleidende mantel te zitten, die ook hier weer als kooi van Faraday dienst doet.
De 'clou' van dit type symmetrisch signaaltransport zit er nu in dat de geinduceerde stoorspanning die toch nog op de binnengeleiders van de kabel terecht komt op beide geleiders in identieke faze zal zijn, terwijl het eigenlijke signaal in faze is gedraaid. Door nu gebruik te maken van een transformator of een verschilversterker voor de ontvangst van het signaal, zullen signalen die in faze op de ingangen worden aangeboden elkaar opheffen en dus niet worden getransformeerd resp. versterkt. De geinduceerde stoorspanning heft m.a.w. zichzelf op!
Werden vroeger voor de praktische uitvoering van kwalitatieve symmetrische verbindingen bijna steeds signaaltransformatoren gebruikt (een erg dure maar nog steeds valabele oplossing die de galvanische scheiding als inherent voordeel nog steeds blijft behouden...) , dan beschikken we vandaag over heel wat bijzonder handige IC's die zowel kunnen instaan voor de omzetting van een assymetrisch signaal in een symmetrisch, als voor de ontvangst ervan.
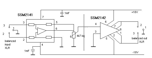
Het hieronder staande schema geeft een eenvoudig praktisch toepassingsvoorbeeld.

Het eerste IC, een opamp gekonfigureerd als verschilversterker (SSM2141) staat in voor de omzetting symmetrisch naar asymmetrisch, terwijl het tweede IC een asymetrisch signaal symmetrisch maakt. Dit laatste IC, een SSM2142, beschikt tevens over voldoende power om een lange kabel (die een kapacitieve belasting en dus principieel steeds een ietwat gevaarlijke belasting vormt voor de versterker) uit te sturen.
De schakeling zoals we ze tekenden werkt als een bufferversterker met symmetrische in- en uitgang. De twee gedeelten waaruit ze bestaat (afgescheiden met een grijze balk) zijn echter heel goed afzonderlijk te gebruiken. In plaats van de potentiometer kan ook een modulatieschakeling worden geplaatst, bvb. een galmunit, een equaliser, filters, kompressoren, ringmodulator...
De gegevens door deze chips zijn te vinden in de linear application notes van Analog Devices en van Precision Monolithics (PMI). Hier is het datasheet voor de SSM2141/
Filedate: 941229/971016/2019-04-08/2019-04-08
|
Terug naar inhoudstafel kursus: <Index Kursus> |
Naar homepage dr.Godfried-Willem RAES |