<Toetkuip>
1987 - 2005

Godfried-Willem Raes



Collaborators on the construction: Moniek Darge, Bert Vandekerckhove


Toetkuip was originaly built for outdoor use. Imagine a bunch of horns that belonged to a dozens of cars, police-cars, fire-engines and huge trucks all honking, sometimes  orchestrated, other times chaotic. This sound is still relatively easy to picture, but when they all ride into the sea and while drowning they continue playing their little concert, can you imagine? It's a sound more like screaming pigs...

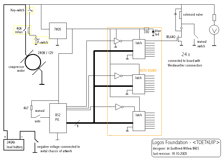
This is like how our Toetkuip sounds. The “instrument” is built onto a triangular frame and consists of a galvanised steel bathtub, 24 hooters, a strong compressor, originally an Epson HX-20 laptop computer, later replaced by a Basic Stamp controller running the same programs and since 2005 by a midi controllable PIC microprocessor, heavy duty fork-lift batteries (they allow 4 hours of uninterrupted playing) and of course a lot of water.

The whole construction ought to be mobile and is build upon a triangular, 3-wheeled vehicle. The tricycle offers 4 places: the female driver, always nude or in bikini suit, who sits in front, uses the break and is steering with the foot-steering wheel; the player behind the control panel who commands the musical programs; 2 persons on the step behind who drive it like a scooter. The trike weighs roughly 170 kg. (without water & performers)

So we have all the ingredients to make the music move, not only on the streets, but also the players’ commands: the music-programs themselves, the turning and breaking, the pushing and shaking, the height of the water, even the condition of the road is moving the sounds of the 24 underwater horns.toetkuip picture B&W

Toetkuip in action - photo: Benn Deceunick

 

drawings: Leonaar De Graeve

Download wave sound example

Back to Logos Projects Page Back to Logos Home Page
To Godfried-Willem Raes homepage Booking via email…
 

foto J.P.DUPLAN reseau POLYMACHINA

The artist, Godfried-Willem Raes at the control desk of his Toetkuip. (version 2, 2003)

version 3

Note for organisers: If <Toetkuip> is asked for exhibition projects (not for performances, since in that case it is only operated by Logos collaborators), the vehicle should be insured for a value of 5.000 Euro.



Some performances with toetkuip:

  • Ghent, City Parade, july 1987
  • Ghent, LEF Festival, august 1987
  • Zonnebeke, summer 1995
  • Wortegem-Petegem, Inauguration of the new townhall, 22.09.1996
  • Ghent City Festival, "RedNick" opera by G.-W.Raes, july 1998
  • Ghent, Sluizeken-Muide Parade, may 1999
  • Ghent, Anarchist Event against Mortier, 1.05.2002
  • Lille (France), Festival Kling Klang, 21-22.09.2002
  • Gaasbeek, Dag van het Park, 30.05.2004
  • Gent, Kultuurmarkt -Odegand, 11.09.2004
  • Gent, Watersportbaan, 16.04.2005
  • Torino, Italia, 23.10.2005 - 15.03.2006
  • Ghent: 09.11.2018: Festivities on the 50th anniversary of Logos.
 

 

Some historical pictures (07.1987):


Note for performers and exhibition organisers:

- Toetkuip should at all times be played as well as exhibited with the bathtub filled with water. The water level has to be adjusted such that it is always at about 2 to 5mm above the rim of the car horns. So, the horns have to be slightly immersed in the water. This guarantees the specific sound we had in mind in designing this project.

- The batteries should always be kept in a well charged condition!

- If placed in an exhibition, do never let the visitor play the instrument. Always use the automatic programmed operational mode instead.

Placement of the car battery:

It is very important to use the correct poling: red goes to positive voltage, blue to negative pole. When not in use, or during transportation, lock the circuit with the key on the front panel and disconnect the positive lead and alligator clamp from the battery.

 


Electric circuit overview:

last updated: 2018-10-31