 |
ARCHIVE FILE
<ThunderWood>
2000
automated percussion
by Godfried-Willem Raes
archival webpage describing
version 1.0
new
version

This instrument is a computer
controlled assembly of percussion and 'effect' intruments. All sound sources
incorporated in this instrument are non-pitched and share a vague reference
to nature sounds: we encounter thunder, rain, woodpeckers, wind, storm,
a bird, lightning crackling wood ... In this respect it could be considered
a realisation of the first category of soundsources in Luigi Russolo's
Intonarumori. Also, soundwise, this futurist reference is pretty obvious.
A bird was donated by Moniek Darge, and lives since on a little piece
of grass underneath <ThunderWood>.
The instrument can be played
by standard MIDI commands, using our GMT software but is also capable
of listening to pure algorithmic commands.
The instrument was finalized
on july 18th of 2000. Later, the lightning was added. The storm-wind module,
as well as the bird sound, was designed and finished in august 2002. High
resolution pictures are available on request.
<ThunderWood> was made
and designed to be a part of the <Slag-Werk> project realized by
Godfried-Willem Raes for 'Web Strikes Back' at the occasion of the Tromp biannual, october
2000 in Eindhoven, the Netherlands. It now is a standard robot component
in the Logos M&M orchestra.
Technical details:
The <ThunderWood> robot
uses dedicated hardware, designed for musical automats such as player
pianos, percussion instruments, organs and even bowed instruments. Details
can be found in our course on experimenal music on this same website.
The hardware consists of
following printed circuit boards:
1. a parallel bus-board,
designed for many of our automated instruments. (cfr. Klung, Player Piano,
Harma, Springers, Troms, Vibi, Belly...) This board gets its input from
a parallel printer port from a stardard wintel PC running Windows. However,
it is also possible to use any other fast microprocessor or controller
as long as it can implement centronics like outputs. The pc board for
this circuit contains the 5V regulator used for the digital signal sections
on the velo boards as well. The circuit, a demultiplexer, looks like:

2. Note driver board. This
pc board houses the power mosfets used to steer the solenoids used for
activating the sound sources. [ comment on these circuits, first developed
for our player piano and also used in automats such as <Klung>,
can be found at http://www.logosfoundation.org/logos/kursus/2116.html. ]

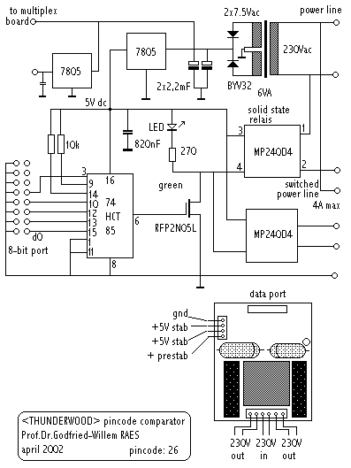
3. Pincode decoder board.
This pc board houses the comparator such that the power for the solenoids
and other devices is not switched on before the latches are cleared. The
board houses solid state relais as well as independent 5V dc power supply
for the logic and control circuitry. The schematic looks like:

There are 4 woodblocks in
the instrument, each provided with a number of solenoids driving the beaters.
The lowest woodblock has 5 beaters, the second lowest 4 beaters, the second
highest 3 beaters and the highest block got only 2 beaters. The woodblocks
are handmade from dark tropical wood and hollowed out. The slit, also
functioning as a cavity resonator, is underneeth the blocks.
In addition the instrument
has as set of low sounding bamboo windchimes, the latter are activated
the same way as the brass thundersheet, suspended in top of the instrument..
A wind-machine
was added to the instrument also. This engine uses a strong DC motor (700W
/ 12V - 210V DC) since this made precise speed control easy to implement.
The motor rotates a perforated stainless steel cylinder taken from an
old laundry machine. Over the cylinder a piece of heavy canvas hangs,
causing the wind-noise production proportional to motor speed. In the
picture to the left, the canvas is removed to better reveal the mechanism.
The motor is controlled using one of the 8 bit ports on the main PC demultiplexer
board. This data is fed to a DAC connected to a high power opamp, driving
the motor. Kevlar or Tivex may be used instead of canvas to produce the
wind noise.
A ratchet , controlled
by a synchronuous AC motor with speed reduction mechanism makes the cracling
wood sounds in this instrument. As can be seen from the picture, the wood
tongues are taken from an old metric size.
A rainmaker was
implemented by filling an RCF 300Watt loudspeaker [a 20cm woofer with
glassfiber cone as used in RCF's Monitor 8 enclosures] with fine grains
or pellets. The speaker is mounted underneeth the instrument. Over the
speaker we mounted a resonator taken from a turkish darbukkah drum. [cfr.
picture] This resonator is mounted upside down. The assembly is placed
such that the cone is horizontal. The speaker is driven just as if it
were an ordinary solenoid and causes a rain sound when driven with a series
of slow pulses. To damp any remaining speaker noises (caused by the square
waves) be did provide a simple LC low pass filter (cut off frequency at
77 Hz). Maximum allowable DC current through the speaker coil should be
limited to 1.5A at 12V maximum. With the low pass filter, we can power
this part of the circuit from 45V directly. Needless to say that the capacitors
in the circuit as shown need to be bipolar types! 
4. The power mosfets
we used for controlling these solenoids are Harris RFP10N12L (or the equivalent
IRL640), since these switch on TTL levels and are capable of dissipating
60Watts. Cooling is not required, since the current flows only in bursts
for very short times. The current rating is 10A and their Uds limit is 120V.
The rather high gate capacitance (1200pF) is not a real problem since
switching speeds in this application are inherently pretty slow. For this
reason we did not fit a resistor between gate and ground in the driver
circuit. Note that when the power suppy is switched on, all latches would
go to a high state, thus sounding al notes at the same time. To avoid
this, we provided the pincode decoder board described earlier. Note that
it is impossible to operate the instrument before sending the required
pincode to the proper register. This is taken care of automatically in
our <GMT> code and hardware library (h_nih.dll and g_noh.dll)
5. The Storm component of <Thunderwood> was
realised with a small cavity resonator coupled to a linear cone made off
brass. The fan used to implement it was taken from an old aircraft and
hence its motor runs off a 3-phase 200V 400Hz frequency. We
designed a 3-phase generator using a Basic Stamp (a BS2) to generate the
required voltage. The speed of rotation can be controlled by sending a
byte to the port this microcontroller is connected to. Due to the concept
of the firmware, the circuit will react to commands with variable latency:
when running at maximum speed ,latency will be 140ms, whereas when running
at 20Hz, latency can be as high as 2.8 seconds. Note that suction wind
is used , and therefore the horn and the cavity resonator are mounted
on the side of the fan. The strongly one-directional windflow from the
blowing side does not yield good musical results! Cavity resonators work
best when driven with a turbulent airflow.

6. For the DC motor controlling
the wind machine a special circuit was designed:
This
board connects directly to the parallel port demultiplexer board shown
above, more precize, to its first 'reserved' 8 bit board. It is a simple
8-bit DAC converter followed by an opamp to convert the current output
to a voltage between 0 and 10 Volts (Vref). This op amp in its turn steers
another opamp to convert this again into a proportional current via the
power mosfet (IRF540) to the DC motor. In the final design Rb was choosen
to be 4 Ohms. thus limiting the current to 2.5 amps. The power supply
in the final design (+/- 15 volts in the original circuit) was reduced
to +/- 12 Volt and derived from a small Analog Devices switcher, type
941. An oldie in fact, but we had some in stock... Also, in the circuit
do never forget to draw (and solder...) the diode over the motor to suppress
inductive peaks that could be harmfull or even detrimental to the power
mosfet. Also note that, since in this application the mosfet works in
a linear mode, it does dissipate quite some power. So cooling is essential!
The voltage driving the motor may be higher then 24V, but should never
exceed 100V since thats the maximum our mosfet can cope with. As to current,
there is plenty of headroom, since the IRF540 can handle up to 20 Amps.
7. The bird sounds were added
to <ThunderWood> in august 2002. The mechanism uses a small pump
driven by a solenoid. The bird sound is produced by a special anticonical
high pitched organ pipe. A mechanism making use of a threaded rod passed
and rotated through a piece of hardwood, driven by a DC motor with speed
reduction gears, was realized in a first attempt, but needed too much
maintenance (rosin!) to be reliable in this automat. The pump mechanism
implemented now, uses velocity controll for the air burst, but cannot
make long sustained sounds. The solenoid used is a Lucas Ledex type, as
used in our player piano. It is connected to the 48V power supply. The
return spring is build into the pump.
8. The power supply for this
instrument is rated for 650Watts. Thunderwood was not designed for mobile
use and therefore cannot be operated from batteries.
The
power supply is kept very simple and consists of two hefty building blocks,
mounted on the base of the automat on the right and the left side. Note
that this power supply delivers three different voltages. Very thick wiring
was used since we are dealing with pretty high currents here. (At times
up to 20 Amps!). The somewhat strange looking power supply with the toroidal
transformer can be explained because we modified an existing Velleman
power amplifier supply with split voltages, to serve for this new purpose,
by connecting both windings in parallel. The value for the fuse in the
power line (accidentally omitted in the circuit drawing) is 2Amps, slow.
Music:
If you are using <GMT>
under Power Basic, you can use all specific hardware control functions
and procedures provided in our library (g_nih.dll or g_noh.dll) . A midi
command converter was written in <GMT> by Kristof Lauwers and the
author. The midi mapping is as follows:
- Lightning: note 0. Velocity not
implemented.
- Low woodblock: 5 beaters:
notes 1,2,3,4,5 - velocity implemented. Note off not required
- Tenor woodblock: 4 beaters:
notes 6,7,8,9 - velocity implemented. Note off not required
- Alto woodblock: 3 beaters:
notes 10,11,12 - velocity implemented. Note off not required
- High woodblock: 2 beaters:
notes 13,14 - velocity implemented. Note off not required.
- Ratchet: Note 15 - Note
On and Note Off. Velocity not implemented.
- Rain machine: Note 16
- Note On and Note off, send rapid random sequences.
- Bamboo windchimes: notes
17,18 (backward/forward shaking). Note off not required
- Thundersheet: notes 19,20
(backward/forward shaking). Note off not required
- Bird sound: Note 22. - velocity
implemented. Note off not required.
- [note 21,23: not implemented, reserved]
- Windmachine: note 24 - Note On
and Note off, windspeed controlled with the velocity byte.
- Note 25: Stormwind. The velocity
controlls the speed and hence the central pitch of the noise-band. To
switch the storm wind off, a note off command is required.
For those prefering to see the mapping in 'staff' notation:

Compositions for <ThunderWood>:
Simulator for all PC's with
a soundcard - DOWNLOAD NOW
Collaborators on this project:
- Moniek Darge
- Bert Vandekerckhove
- Kurd Vandevelde
- Kristof Lauwers
Dimensions:
- width: 1050 mm
- height: 3200mm (mounted,
unassembled 1650mm)
- depth: 640mm
- weigth: 120kg
- power consumption: 650Watts
/ 230V AC
- data input: centronics
parallel port from Wintel PC.
Insurance value: 5.300 Euro.
Note for organizers: this
instrument is very high and cannot be mounted lower than the height given.
Make sure the space you provide allows for the height of this instrument:
3.2 meters. During transportation, the upper part can be taken off, such
that transportation requires a van with an internal height of only 1m65.
<ThunderWood> is mounted on 4 autonomous wheels with brakes, so
it can easily be positioned and repositioned. However, the automat should
never be put flat but always stay in a vertical position. <ThunderWood>
is not suitable for open air performances, since the electronic circuitry
is fully exposed and not wheater protected.
The <Thunderwood> automat
can be heard on the Logos Public Domain CD
<Automaton> (LPD007). as well as, in combination with
many more automats, on LPD008 <M&M>, a CD recorded by the Logos
M&M ensemble.
Last update: 2017-05-30
|
|