|
<BalMec:> <Bello> |
|
|
|
<Prop1>, <Prop2>, <Prop3> :three remote controlled large airplane propellers <Bello>: remote controlled industrial electric bells for Ballet Mecanique , George
Antheil by Godfried-Willem Raes in part commissioned
by the Ictus ensemble 2014-2017 |
Automated Electric bells <Bello>:
Apart from getting the bells and tuning them, this is the easiest problem to solve. After all, we designed our 'Bellenorgel' already back in 1972... Other than what the score publisher states (7 different sized bells required) the score prescribes pitches, notated in the treble staff, and more than 7 bells. Occuring pitches in the score are: 69, 73,76, 77,78,79,80, 81, 82, 83. This makes 10 bells, not seven! For the construction of this automaton we generalized the concept such that we could offer a more continuous range of pitches. Finding suitable industrial electric bells was not a trivial matter. Moreover, the mechanism of the bells we got from Infrabel (Funke and Friedland) have a mechanism using a spring such that the actual hitting of the bell happens at the release of the electric pulse driving it. This has quite some implications for the firmware to drive these mechanisms.
Obviously if the pulse lenghts get longer than 10ms, there would be a noticable latency. The tuning of the bells is possible using a regular column drill and a clamped file. The ideal tool for doing this is a vertical lathe, but not too many people do have such equipment available... The rules are clarified in this little drawing:
The range for tuning is pretty limited. Lowering the pitch can be done up to a semitone. If you go lower, the sound volume will suffer as the material gets too thin. Raising the pitch can be done up to a minor third. Welding on the rim of shell bells made of steel or stainless steel never gives good results. The bell looses all resonance because of the unavoidable deformation of the shape.
The huh board we designed looks like:
The PCB's for the pulse boards - each board serves 12 bells - looks like:
The power supply, providing a range of different voltages as required for the different bell mechanisms is of an utmost simplicity:
As a continuous current is never drawn in this machine, it's enough to provide large enough capacitors.
The note mapping for <Bello> is given under 'midi implementation' further below. The notes indicated as missing may be added at a later stage, when we can find suitable dome bells. For the notes 62, 63 and 66 we used U-shaped pieces of steel tuned to the right pitches. These bells have different sonic qualities as they are not real dome bells. Users of our robot orchestra that are really in need of the missing lower bells, can use the bells on our <Llor> and/or <Belly> robots. For an alternative F# (note 66) the <Harma> robot includes this one as well. Note that this robot uses mostly bells from very different origins and of very different composition, hence their sonic qualities are very different. It was not our intention to create a homogenous instrument in terms of sound color.
The mapping of midi key pressure commands on note repetition frequency is given in the following table:
MIDI key pressure value Frequency (Hz) Period duration in 24µs units 1
.999992000063999
41667
2
1.06659840436879
39065
3
1.1015350993144
37826
4
1.13762536631537
36626
5
1.17490036844876
35464
6
1.21339196443305
34339
7
1.25317052141919
33249
8
1.29419682145261
32195
9
1.3366267817235
31173
10
1.38042229878964
30184
11
1.42562242675152
29227
12
1.47237240420745
28299
13
1.52057027467581
27402
14
1.57043067490829
26532
15
1.62183903571938
25691
16
1.67497454038699
24876
17
1.72991225885023
24086
18
1.78658205414058
23322
19
1.84512738759484
22582
20
1.90554590078966
21866
21
1.96800806096102
21172
22
2.03242118270653
20501
23
2.09907640638119
19850
24
2.16788067984738
19220
25
2.23881933623484
18611
26
2.31224565297817
18020
27
2.38791143714062
17449
28
2.4662128834961
16895
29
2.54701795138252
16359
30
2.63047138047138
15840
31
2.71656452384057
15338
32
2.80564720669764
14851
33
2.89754288363468
14380
34
2.99243512400651
13924
35
3.09054047371804
13482
36
3.19186966957765
13054
37
3.2964135021097
12640
38
3.40441757224174
12239
39
3.51587770370995
11851
40
3.63108206245461
11475
41
3.750037500375
11111
42
3.87308669517258
10758
43
3.99987200409587
10417
44
4.13113887236433
10086
45
4.26650283295788
9766
46
4.40590744069648
9457
47
4.55025299406647
9157
48
4.69960147379502
8866
49
4.8534265191225
8585
50
5.01222984081158
8313
51
5.17662649604506
8049
52
5.34667864322683
7793
53
5.52168919515858
7546
54
5.70229460334839
7307
55
5.88928150765606
7075
56
6.08183720138179
6851
57
6.28172269963315
6633
58
6.48710363796772
6423
59
6.69989816154794
6219
60
6.91907450459426
6022
61
7.14571542902875
5831
62
7.37985594521195
5646
63
7.62148649472593
5467
64
7.87203224384407
5293
65
8.13008130081301
5125
66
8.39545973537511
4963
67
8.67152271938952
4805
68
8.95479618883874
4653
69
9.24898261191269
4505
70
9.55219318355494
4362
71
9.86426767676768
4224
72
10.1874490627547
4090
73
10.5218855218855
3960
74
10.867675186924
3834
75
11.2218331986713
3713
76
11.5901715345387
3595
77
11.969740496026
3481
78
12.3603282903194
3371
79
12.765522875817
3264
80
13.1856540084388
3160
81
13.6165577342048
3060
82
14.0623242209472
2963
83
14.523062623446
2869
84
14.9988000959923
2778
85
15.4894671623296
2690
86
16.0010240655402
2604
87
16.5212794078773
2522
88
17.0625170625171
2442
89
17.6254935138184
2364
90
18.202999854376
2289
91
18.7941662907833
2217
92
19.4159676918298
2146
93
20.0513314084055
2078
94
20.7090788601723
2012
95
21.3894592744695
1948
96
22.0809044338456
1887
97
22.8060572888159
1827
98
23.5537968720558
1769
99
24.3237984043588
1713
100
25.1306795335746
1658
101
25.9443752594438
1606
102
26.7952840300107
1555
103
27.6854928017719
1505
104
28.5779606767261
1458
105
29.5298842428538
1411
106
30.480370641307
1367
107
31.4940791131267
1323
108
32.5266718709342
1281
109
33.5750738651625
1241
110
34.6933111296142
1201
111
35.8268844941244
1163
112
37.00414446418
1126
113
38.1912618392912
1091
114
39.4570707070707
1056
115
40.7697325505545
1022
116
42.0875420875421
990
117
43.4480361487661
959
118
44.8994252873563
928
119
46.347793845013
899
120
47.8927203065134
870
121
49.4266508501384
843
122
51.062091503268
816
123
52.7426160337553
790
124
54.4662309368192
765
125
56.2303193882141
741
126
58.1125058112506
717
127
60.0384245917387
694
Note that it is very important to decrease the velocity values as the note repeat frequencies are increased. Not only will the bells not sound properly, but moreover, there is a high risk of burning out the coils. The safe maximum value for keypressure is 106. This value guarantees the duty cycle to be lower than 50%. However, users should not consider this to be the optimum value. At high repetition rates, the lowest possible velocity values generally sound best. The highest possible repetition rate corresponds to that of a 60 Hz American AC driven alarmbell. European AC driven alarmbells sound at 50Hz. Ordinary AC/DC bells using an interruptor mechanism have much lower repetition rates. Modern bells have faster repetition rates (due to their lighter construction) than antique ones. For quite a few 19th century electric bells, we measured repetition rates as low as 4 Hz under normal operating conditions.
Here is a picture of the <Bello> robot, ready to be fully suspended for a performance of Antheil's Ballet Mecanique in the village of Mechelen, march 2022:
Midi implementation:
- Channel 13
- Note-on commands: the velocity byte steers the force wherewith the bells are struck:
- Note-Off or Note-on with velo = 0 turns the bell off
- Key-pressure commands are used to set the repetition speed of the bell strokes. These repetition speeds (cfr. table above) are individually programmable for each bell. When set to zero, the bells will not repeat but produce a single stroke. Note that the keypressure commands are sticky and are memorised for each note.
- The two red lights in front are mapped on notes 126 and 127, the velocity byte steers the flashing speed.
- The red light underneath the front is mapped on note 119, the velocity byte steers the brightness.
- Controller 30: This controller can be used to set all the repeat frequencies to one and the same value for all bells. It is a quick way to set the repetitions rates and an alternative for the key-pressure commands. However, the time between sending this controller many times should be kept reasonably long, as it requires reprogramming of all lookup tables in the firmware. It is advised to send this controller at a time when no bells are sounding. If this is not done, glitches and irregular performance may become audible. Note repetition rate is controlled by the parameter value. To switch repetition off, a zero value should be send.
- Controller 66: enables (>0) or disables (=0) bell operations. CC66 = 0 resets all keypressure values to zero.
- Controller 123: all notes off, stops all bells, preserving the key pressure values and thus the repetition rates..
Note: if the robot is left switched on, it will automatically reset all repeat values and switch all notes off after 7 hours of operation.
Music composed for <Bello>:
Godfried-Willem Raes 'Namuda Study #53: Bello', premiered April 22nd 2015 by Dominica Eyckmans and the author. Performed again with Emilie De Vlam 09.2017.
George Antheil 'Ballet Mechanique', premiered with <Bello> and the propellers, May 3th 2015, Flanders Festival Zwevegem / Kortrijk.
Godfried-Willem Raes 'Onmogelijk', a namuda dance production (21,22,23.07.2015) [also uses the propellers]
Kristof Lauwers 'Study #24', for <Bello>
Orchestrations make use of <Bello>:
Erik Satie, 'Relache' (Orchestrated by Xavier Verhelst, 2017)
Igor Strawinsky, 'Le Sacre du Printemps' (Orchestrated by Lara Van Wynsberghe, 2019)
Technical specifications <Bello>:
- Sizes: h = 1550 mm, w = 1310 mm, d = 350 mm
- Weight: ca. 67 kg
- Power: 230 V AC, 100 VA
- Midi channel: 13
- Insurance value (production cost): 15000 Euro
<Balsi>: Large motor driven siren
The instructions in the score render it impossible to use a standard crank driven siren, as it is detrimental to the gears in these devices to be started and stopped fast. So an electrically driven mechanical siren with safe braking possibilities or fast sound control has to be designed. The score is very unclear as to the pitches the sirens are supposed to sound. In the score they appear notated as percussion instruments. We made already a few siren driven robots: <Sire> , a robot using 24 small sirens as well as the large siren integrated in <Springers>.
The documentation for <Balsi> is on a separate webpage. Click here.
![]()
Player Pianos:The original score requires 16 player piano's, although there are only four autonomous tracks. The reason behind this, is that on traditional piano rolls, it is impossible to have that amount of notes as the paper would fall into pieces. Obviously electrically driven automated pianos do not have this restriction making performances using just 4 player pianos perfectly possible. All performances so far if using player pianos (and not sample-based midi keyboards with their uggly sound...) at all, suffered from the problems associated with commercially available midi controlled pianos: latency (500ms), lack of polyphony, weak dynamic possibilities. This is the case for the Yamaha Disklavier, the Q&R vorsetzers etc... The player pianos as we designed and build do not have any of these problems. Detailed descriptions and comments on our Player Piano's can be found on this website. The only problem is that at the time of this writing (2015) we made only two copies. So either we have to make two more vorsetzers, or rearrange the score to get it played on the two pianos we already have.
![]()
Musicians parts:
The score calls furthermore for three xylophones, two grand pianos, a tamtam, four bass drums. It is perfectly possible to also confine these parts to real musical robots. Our <Xy> robot can take care of the xylophone parts. Automating the bass drums and a tamtam would be pretty straightforward...
Midi Implementation for all components of <Balmec>
The Balmec project was conceived to work like all other musical robots we have built. Hence it makes use of one unique midi-channel and all components of the project are mapped on midi notes and controllers.
Midi channel: 13 (counting from 0) for all modules.
Note On/Off mapping:
Note 24: Siren. The maximum speed is controlled by controller #24. Note-On commands let the siren speak freely, Note-Off commands mute the siren. To stop the siren motor, controller 24 must be set to zero.
Note 36: propeller 3 (large metal propeller). The speed of rotation is controlled by the velocity byte
Note 38: propeller 2 (large wood propeller). The speed of rotation is controlled by the velocity byte
Note 40: propeller 1 (small propeller). The speed of rotation is controlled by the velocity byteNotes 51 - 93: Electric bells on <Bello>. The velocity byte steers the loudness (the force of the stroke) and repetition rate can be controlled with the key pressure command. The repetition speed set with the key pressure command is 'sticky', so users do not have to send it again for every note. The key pressure command can also be sent when no notes are playing. If the repetition rates are set high, low velocity values ought to be used.
Note 119: switch on/off the red LED bottom lights on <Bello>. The velocity steers the brightness of the light.
Notes 120 and 121 switch on/off the red LED spotlights on propeller 1. The velocity steers the speed of the flashing. Keypressure can be used to further modulate the flashing speed.
Notes 122 and 123 switch on/off the red LED spotlights on propeller 2. The velocity steers the speed of the flashing. Keypressure can be used to further modulate the flashing speed.Notes 124 and 125 switch on/off the red LED spotlights on propeller 3. The velocity steers the speed of the flashing. Keypressure can be used to further modulate the flashing speed.
Notes 126 and 127 switch on/off the red LED spotlights on <Bello>. The velocity steers the speed of the flashing. Keypressure can be used to further modulate the flashing speed.
Controller 66: Switches off all components when the data byte is zero. If a non-zero value is sent, the components are powered on. Controller 66 with value zero also resets all controllers to their default startup values.It also resets the note-repetion rates on <Bello>.
Controller 123: All notes off, without affecting any controllers nor key-pressure settings.
Prof.dr.Godfried-Willem Raes
Collaborators on this project:
- Laura Maes
- Mattias Parent
- Xavier Verhelst
- Kristof Lauwers
- Moniek Darge
- Lara Van Wynsberghe
Cost calculation for <Bello>
<Bello>: Electric Bells:
Materials:
Siemens AC bell 180 €Microcontroller pulse boards (3) 420 €Midi-hub board (new design) 250 €Power supply 145 €Nickelled bronze shell 75 €Stainless steel shells 102 €Bronze bell 10 €Cutting and grinding disks 25 €Bolts and nuts (M3, M4, M5, M6, M8, M10, M12) 80 €Brass tubing 10 €Spoke wheels 400 mm diameter (2) 220 €Polyurethane wheels (2) 88 €Stainless steel AISI 304 132 €Fire alarm bell (Farnell) 40 €Ailibaba bells (China) 140 €Brass bell (flea market) 35 €Insulation transformer EDR2115 TI 160, Erea 82 €Erea Halogen transformer 250 VA, 12V 92 €24V transformer 120 VA 72 €RAL 3000 spray enamel 13 €12 mm axle 10 €LED spotlights, red (2) 22 €Bell mechanisms 24V 90 €Blacknight 12V tubular solenoid 35 €Bottom LED lights 33 €Eye bolts, stainless steel, M12 DIN580 62 €Steel profile 100 x 50 x 3 65 €Cobalt drill bits 135 €Bronze bell note 68 80 €sum 2743 €Labor:
Inventarizing bells and testing
1 day 350 €Stainless steel welding works 2 days 700 €Bell mounting and assembly 3 days 1050 €PCB design: hub board and pulse board 1 1 day 350 €Bottom row, welding and mounting.
1 day
350 €Mounting 1 day 350 €Power supply wiring 1 day 350 €Wiring of bells 2 days 700 €PCB pulse boards 2 and 3 1 day 350 €PIC controller firmware (4 processors) 4 days 1400 €Testing,alligning and debugging 3 days 1050 €Construction of the low row of eight bells 2 days 700 €Mounting of wheels on the base, welding of the top eye bolt, mounting of the side eye bolts. 2 days 700 €Construction of a bell for note 66 (F#) 1 day 350 €Construction of bells for notes 62 and 63 1 day 350 €Construction of bell for note 68 1 day 350 €Revision of firmware in new compiler 10 days 3500 €sum 12600 €Endsum: 15.343 €
TO DO:
- find a bell to extend the range in the trebble with notes 94, 95, 96. Bells for notes 58 and 59 would also be most welcome.
- construct a flight case for <Bello>
- work on a fully automated version of Ballet Mechanique, including all percusion parts and the xylophone.
Parts, technical specifications and maintenance notes:
Electric Bells:
We still had a few industrial electric bells in stock from earlier projects. Thanks to Infrabel, we got a bunch of used bells (two types: Friedland and Funke) from the railway. This is an inventary of what could be done, with some retuning of bell domes: Since we had many bells sounding the same pitch (for some reason, note 77 seems to have the highest popularity...), we used their mechanism on shells with different pitches. Antheil's score gives no further detail as to the type of bell. AC bells, in the US, would produce a repetition rate of 60Hz but with DC bells, using an interruptor, it completely depends on the resonance of the mechanical construction.
| Bell pitch | required after the score | Nominal Voltage | Current RMS |
DC coil resistance |
ac/dc | PIC board | Brand | remarks | sound quality |
| 51/73/79 | - | 220 V | 12 mA | ac | 1.12 | Siemens | logos stock | fair | |
| 57/69/83 | - | 110 V | 0.4 A | 259 Ohm | ac | 1.10 | China Bell | Chinese alarm bell | excellent |
| 60/73 | - | 110 V | 0.4 A | 259 Ohm | ac | 1.9 | China Bell | Chinese alarm bell | excellent |
| 61/78 | - | 12 V | 0.7 A | 9 Ohm | ac | hub.1 | Friedland mechanism | steel shell | fair |
| 62 | - | 12 V | 1.3 A | 8.8 Ohm | ac | hub.2 | US doorbell mechanism 6V | U-shaped steel bell | fair |
| 63 | - | 12 V | 1.3 A | 8.8 Ohm | ac | hub.3 | US doorbell mechanism 6V | U-shaped steel bell | fair |
| 64/70 | - | 12 V | 0.7 A | 9 Ohm | ac | hub.6 | Friedland mechanism | stainless steel shell | good |
| 65 | - | 24 V | 0.7 A | 35 Ohm | ac | 1.8 | brass bell | good | |
| 66 | - | 12 V | 4 A | 3 Ohm | ac | hub.7 | Friedland doorbell coil (6-12V) | U-shaped steel bell | fair |
| 67 | - | 24 V | 0.7 A | 35 Ohm | ac | 1.7 | brass bell | logos stock | poor |
| 68 | 68 | 24 V | 2.7 A | 8.8 Ohm | ac | 1.6 |
US doorbell mec. modified 6V |
cast bronze bell |
excellent |
| 69 | - | 1.10 | Implemented on China bell 57 | use bell 57 | |||||
| 70 | - | 12V | 0.7A | 9 Ohm | ac | 2.1 | Friedland mechanism steel bell | logos stock | good |
| 71 | - | 12 V | 0.7 A | 9 Ohm | ac | 2.2 | Friedland (mechanism) | stainless steel shell | good |
| 72 | - | 24V | 0.7 A | 35 Ohm | ac | 1.5 | US doorbell mechanism | brass dome | good |
| 73 | 73 | 12V | 0.7 A | 9 Ohm | ac | 2.4 |
US doorbell mechanism, mod.6V |
stainless steel shell 154x2 | good |
| 74 | - | 12 V | 0.7 A | 9 Ohm | ac | 2.5 | Friedland |
Infrabel tuned down |
good |
| 75 | - | 12 V | 0.7 A | 9 Ohm | ac | 2.6 | Friedland | Infrabel | good |
| 76 | 76 | 12 V | 0.6 A | 6 Ohm | ac | 2.7 | Funke |
Infrabel tuned down |
good |
| 77 | 77 | 12 V | 0.3 A | 20 Ohm | ac | 2.8 | Funke/Blacknight mechanism | Infrabel | good |
| 78 | 78 | 12 V | 0.7 A | 9 Ohm | ac | 2.9 | Friedland | tuned up | good |
| 79 | 79 | 12 V | 0.7 A | 9 Ohm | ac | 2.10 | Friedland (mechanism) | stainless steel shell | good |
| 80 | 80 | 12 V | 0.6 A | 6 Ohm | ac | 2.11 |
Funke (mechanism) |
Green shell | weak |
| 81 | 81 | 12 V | 0.7 A | 9 Ohm | ac | 2.12 | Friedland mechanism, Funke bell, cut off | tuned up from 77 to 81 | good |
| 82 | 82 | 12V | 0.7A | 9 Ohm | ac | 3.1 | Friedland (mechanism) | cast brass bell | good |
| 83 | 83 | 12 V | 0.7A | 9 Ohm | ac | 3.2 | Friedland (mechanism) | cast brass bell | weak |
| 84 | 12 V | 0.7 A | 9 Ohm | ac | 3.3 | Friedland (mechanism) | brass bell | weak | |
| 85 | 24 V | 0.7 A | 35 Ohm | ac | 1.4 | US doorbell, unmodified | logos stock | poor | |
| 86 | 12 V | 0.7 A | 9 Ohm | ac | 3.4 | Friedland (mechanism) | cast aluminum | excellent | |
| 87 | 24 V | 0.7 A | 35 Ohm | ac | 1.3 | US doorbell (mechanism) | stainless steel dome | good | |
| 88 | 24 V | 0.7 A | 35 Ohm | ac | 1.2 | US doorbell (mechanism) | stainless steel cilinder | good | |
| 89 | 24 V | 0.7 A | 35 Ohm | ac | 1.1 | US doorbell (mechanism) | cast bronze | good | |
| 90 | 12 V | 1.3 A | 8.8 Ohm | ac | 3.5 | US doorbell (mechanism, modif.6V) | Aluminium dome | excellent | |
| 91 | 12 V | 1.3 A | 8.8 Ohm | ac | 3.6 | US doorbell (mechanism, 6V) | stainless steel | good | |
| 92 | 12 V | 1.3 A | 8.8 Ohm | ac | 3.7 | US doorbell (mechanism, 6V) | stainless steel | fair | |
| 93 | 12 V | 1.3 A | 8.8 Ohm | ac | 3.8 | US doorbell (mechanism, 6V) | Cast bronze | good | |
| 119 | 12V | 3.9 | LED bottom light | - | - | ||||
| 94 | 12 V | 3.10 | nc | ||||||
| 95 | 3.11 | nc | |||||||
| 96 | 3.12 | nc |
All bell mechanisms we used are designed for AC operation except the 24V types. Those were all converted for AC operation by removing the interruptor mechanism by us.The mechanism of the Friedland and Funke bells is such that when powered the solenoid pulls back the anchor against a heavy spring (thus building up potential energy) and at release of the voltage, the anchor flies to the bell with the force of the spring (converting the energy back to kinetic energy). At rest, the anchor almost touches the bell. Velocity control of such a mechanism implies a pulse of variable duration to the solenoid, but timed such that there is no noticable delay, as the sound is produced only at the end of the pulse. This entails the use of pretty high voltages for good velocity control. The maximum pulse lenght should be kept at ca. 10 ms. As these are AC bells, the repetition rate can be at least 50 Hz. In the original circuit, the solenoid just had a single diode in series and the assembly was powered from 12V AC directly. It will be clear that this way neither velocity control nor control of repetition rate are possible.
The hub board also serves bells 61, 62, 63, 64,66 operating on 12V as well as two lights, mapped on notes 126 and 127. The first pulse board only serves bells operating on 24V as well as those on 230V and 110V. The second and third boards serve bells operated from 12V only.
The firmware for the four microchip 18F2525 processors (Version 2.1) can be found here:
Spoke wheels: 400mm diameter, 60mm deep. Polyurethane tires.
Side wheels: pivoting, 180mm wheel diameter, building heigth 190mm.
Logbook:
- 01.12.2014: Discussion of the collaborative project with the people from Ictus.
15.12.2014: Start of the conceptual design.
- 16.12.2014: The three propellers traced and found by Mattias Parent came in, brought by Laura Maes
![]()
![]()
- 22.12.2014: A whole bunch of railway electric bells brought in from Infrabel by Laura Maes. These were donated to us by Infrabel. Steel cutting and lathe works for propeller 1.
- 23.12.2014: Another full day of metal work to get the propeller and the motor safely work together. Motor base designed.
We leave the hole in the 100 x 50 profile open on purpose, as it may help to produce an airplane sound. Decided to make the entire assembly with propellers and bells like any other of our musical robots: midi controlled. The advantage being that we do not have to design a user interface nor control panel and that remote control using just about any commercialy available midi controller by a single musician becomes possible. For safety reasons alone, remote control seems mandatory in this project.
- 24.12.2014: Further construction work. Assortment of V-belts bought at MEA.
- 25.12.2014: Test mount of components. Decision made to let the propeller blow rather than suck, as this if more safe for users (the force vector is oriented backwards). With a motor voltage of 30 V we start to get a (too soft as yet) real airplane sound, thanks to our resonating tube. Soundwize, the direction of rotation makes no difference.
- 26.12.2014: Mechanical construction welded together, using TIG process. Start design and construction of a stand. Frontal legs finished by the end of the day. The leg angles are 60 degrees. The stand can be removed from the propeller mechanism such that transportation becomes easier, this of course at the detriment of mounting time.
- 27.12.2014: Further work on the back legs of the stand. Design of a chassis for the power supply and the electronics. Test and measurement session on motor performance and structural safety. So far, we only went up to 60 V for the motor voltage.
The power supply should not exceed 100V at 5A. Current limiting should be designed in.
- 28.12.2014: Toroidal transformer (500 VA) ordered from Farnell. Propeller treated with polyurethane varnish. Nose piece in red copper turned on the lathe.
Test runs with higher voltages up to 120V. The resonator tube works as predicted. It could be made longer and we could make a bell for it. Sound level produced now at 80V is 84dBA.
- 29.12.2014: Design of a horn amplifier to boost airplane sound. This could become a detachable part. Painting of the steel construction with Zinc oxyde primer paint. Further testing of the propeller: if the power voltage rises higher than 100 V, the current drawn by the motor does not rise anymore (it shows a tendency to sink) and the propeller doesn't run any faster. Apparently the maximum power deliverable by the motor is reached at that point. This is conform to what we had designed. Start making an inventary as well as some repairs on the assortment of bells we got from Infrabel.
- 30.12.2014: PCB designed for propeller 1, using a DC motor.
The 500 VA transformer as well as the high voltage electrolytics came in from Farnell. Thus we can go on with the construction of the power supply. This is the circuit drawing:
- 31.12.2014: Start construction of the folded horn. It involves an awfull lot of welding work. The upper surface of this horn can be used to mount the electronic circuitry.
- 01.01.2015: Further grinding, steel cutting and welding on the folded horn. All using 3mm thick steel plate.
- 02.01.2015: TIG torch failure, so we had to finish the horn using electrode welding technology.
- 03.01.2015: Propeller demonstration for a group of close friends. Discussing the project with Luk Vaes.
- 05.01.2015: Lighting, developing, etching, drilling and soldering of the microcontroller board for propeller 1.
- 06.01.2015: Testing of the finished board. Development of the firmware for propeller 1: Proton compiler for the 18F2525 chip. Midi implementation worked out. Test code integrated in GMT: resources extended, libraries recompiled. All components appear integrated as a single 'Balmec' robot. New TIG torch purchased from Welda. Welding of the horn finalized. Mounting study for the horn, it's not going to be an easy welding job. Decided to mount all electronic and power supply component under the horn, rather than in the U-fold.
- 07.01.2015: Final assembly of all electronics and welding of the assembly under the horn. First tests o.k. The voltage from the power supply under no-load conditions is 120 V.
- 08.01.2015: Painting finished, using zinc-oxyde welding paint. For the inside of the horn, we need black glossy paint, maybe spray.
09.01.2015: Reality check: it indeed works under midi control. Optimum resonance is obtained with velocity 61, to improve the time required to reach this value, it's good to start the motor with velocity 127 and shortly after send the 61 value. To realize the half notes written in the score, it is advised not to switch the motor fully off, but rather let it run at a speed below the ideal resonant speed. Propeller demonstrated for a TV broadcast. Laura Maes also made a small video snippet from the working propeller and posted it on Facebook.- 13.01.2015: Propeller 1 used in the performance of Namuda Study #49a, with Dominica Eyckmans.
- 22.01.2015: Propeller demonstration for the people from Ictus
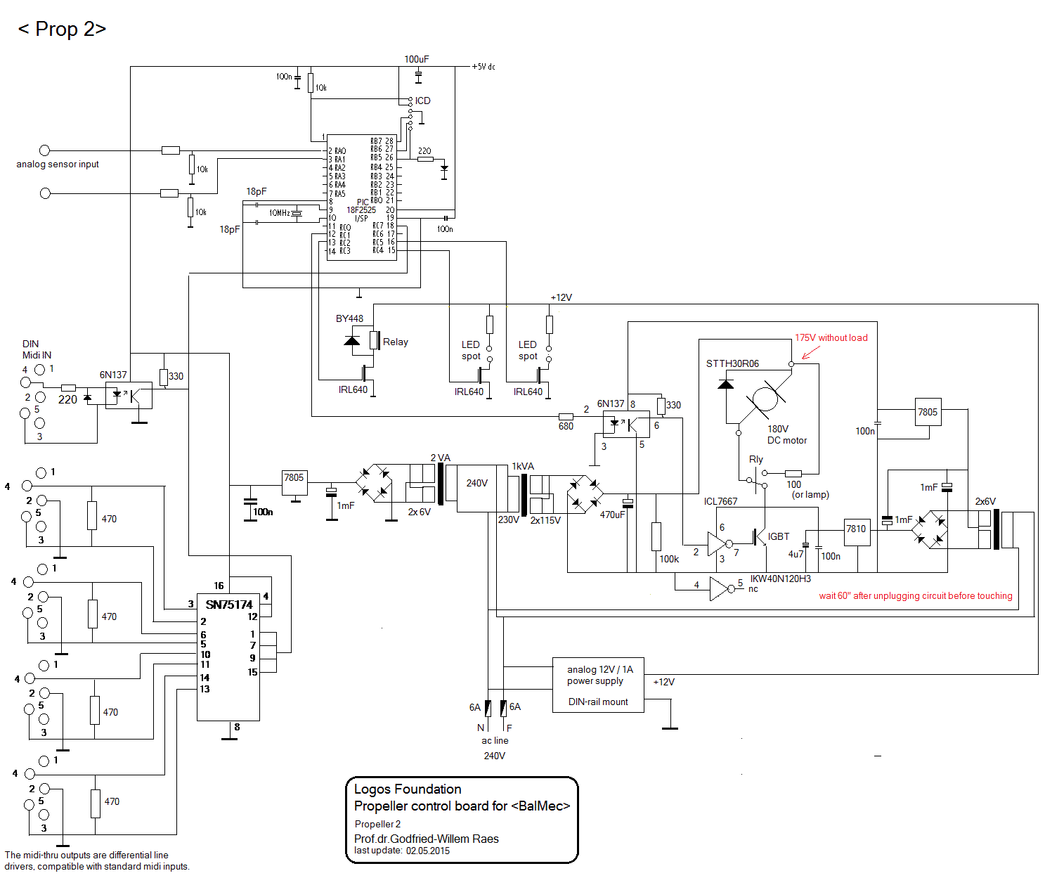
- 23.01.2015: Hunting for heavy duty DC motors for the large propellers. Mimimum power should be 1kW at 1200 rpm.
- 19.02.2015: Design of a workable siren with shutters for fast on/off control.
- 25.02.2015: Design of the frame and trolley for the bells.
- 26.02.2015: Two ordered heavy duty DC motors came in from EMR n.v. Testing and designing can continue.
- 01.03.2015: Circuit for propeller 2 and 3 calculated and drawn out. Technical drawing made for the axle adaptor. These we will have made by bvba Werkhuizen Lentz, as our lathe is not large enough.
- 02.03.2015: Funke bell tuned down from 77 to 76. Friedland beel tuned down from 75 to 74. Green shell bell (note 80) mounted on a Funke mechanism. So far, bells 51, 71, 74, 75, 76, 77, 79, 80, 81 mounted. Here are some pictures for bells 75, 79 and 81:
![]()
![]()
And here is a first view on the assembly so far...
![]()
- 03.03.2015: Bell for note 78 made by cutting a rim from a Friedland bell (ca. 10 mm cut off) and grinding. New note 81 bell made by cutting of a 15 mm rim from a Funke bell. The bronze bell will now have to be retuned a semitone higher to reach 82. Twelve bells mounted so far...
- 04.03.2015: Another full working day and another row of bells added. Sixteen bells mounted now. We are still looking for a solution for the notes 69, 72, 73. These are really required for Antheil. It would be nice if we could also get the pitches 64, 65, 66 and a better sounding bell for note 67. Extending in the high range is quite possible, but there is no strict musical reason to do so.
Visiting the Funke and Huster site, we found out they also have bell shells with 250 mm diameter. Chances are we can tune these to our missing pitches... Let's inquire... (www.fhf.de). Also found some large shell (10", or 250 mm) fire alarm bells on Alibaba.com, in China. We ordered two of them... wait and see, or better, hear.
- 05.03.2015: Start electronic design of the board for the bell machine. Finishing the design of the control board for propeller 2, as the missing components (high voltage electrolytic caps, IGBT's, high voltage durectifier diodes, transformers) came in. Production of the board for propeller 2. Two boards ruined because of exhausted developper and badly working amoniumperchloride.
- 06.03.2015: Board soldering finalized. Debug and test session for the newly made propeller control board. Firmware preliminary version uploaded
- 07.03.2015: Brass handbell found on the flea market: pitch 65. Start construction of a motor holding flange for the large wood propeller. Start construction of the holding base. We use a piece of HEA 220 steel beam cut under an angle of 60 degrees. The motor comes on the flange welded on the short (400 mm) side of the beam. For mounting four countersunk M12 x 20 bolts should be used. The whole construction will be pretty heavy, but for safety reasons that's in fact a good thing. All electric and electronic components can find a place in the sides of the HEA220 profile.
- 08.03.2015: Test code for propeller 2 added to our GMT software. Firmware debug for propeller 2.
- 09.03.2015: Construction of the legs for Propeller 2. The back leg is removable (for transportability) and fixed to the base with a single M14 bolt and nut. All angles are 60 degrees. All welding of the main chassis finished now. For all larger parts, the classic arc welding technique was used.
- 10.03.2015: Two red LED cluster lights mounted on the frontside. These need a 18 Ohm series resistor to work on 12 V DC. Each of these LED clusters draws ca. 200mA. Here is the datasheet. All steel parts painted with zinc-sulphate grey paint. Drilling of the wire feed through holes through the HEA220 beam. Start wiring propeller 2. First debug session: failure, fortunately we did not mount yet the propeller, as when powering up the motor starts running at full speed with a 310V voltage across the leads... Note that the rated voltage for the motor is 180 V. There must be some bug in the hardware...
- 11.03.2015: The 5V LDO regulator found to oscilate heavily. Replacing with a regular 7805 type solved this problem. Now the ICL7667 output hangs about halfway on 5.5V with a zero volt input, thus turning the IGBT on... Some more measurements revealed the IGBT went to heaven, leaving its gate stuck to the collector. Needless to say that the ICL7667 went with it. After replacing all broken components, everything seems to work fine now. In the firmware for the PIC we will have to limit the PWM to half the possible traject as this makes the maximum voltage over the motor connections 165 Volt. Waiting for the lathe works to be finished. Tests with the propeller must wait still a bit. As it seems very hard to find SPDT relays on the market capable of switching high DC currents at high voltages, we found quite an elegant solution.
When the 12V supply voltage is off, both relays will be off. It looks like a good solution for the braking circuit on the propeller motors.
- 12.03.2015: Two mounting rails placed on the HEA220 beam for placement of the mains fuses, the 12V DC power supply module, two relays, an IRF540 MOSFET and an E27 bulb socket for the high wattage halogen bulb serving here as a braking resistor.
We choose an Osram 205 W halogen bulb (not seen on the picture) with a cold resistance of some 25 Ohms. It is normal by design that this lamp will never lite up. (It would in fact, if the motor were driven externally by another motor...). If we had the mounting flange for the propeller, the robot would be finished now...
- 13.03.2015: Some changes in the circuit diagram made for propeller 3, such that we have separate control over the motor-on and the brake relay. Thus the PC board for this circuit will have one more IRL640 MOSFET output. The mapping on the PIC outputs will also be very different than in the case of propeller 2.
- 14.03.2015: Cutting grinding and painting of the HEA220 profile for propeller 3. Design of a new midi-hub board for the bell-machine. Design of a relay board for propeller 3. Etching and drilling of the propeller control board.
- 15.03.2015: Welding of the two Kingbright lampholder supports for propeller 3 as well as the back leg with the M16 bolt. Drilling of mounting holes in the HEA220. Soldering of the PCB for the propeller control.
- 16.03.2015: Design and production of a PCB to hold the fuses, the two power relays and the XP 12V SMPS power supply for propeller 3. Drilling HEA220 to accomodate this board as well as the lamp socked for the brake mechanism. Testing of the motor control board.. Here is a picture of the assembled boards:
Also today two ordered bells came flowing in from China:
These bells have 250 mm diameter. They are designed to work on 110V ac current.
- 17.03.2015: Firmware for propeller 3 designed and first version flashed in the 18F2525 PIC processor. Start design of the 12-output pulse boards for the bell machine.
Arc welding of the tripod for propeller 3. The halogen bulbs (205W) came in from Conrad as well as a bunch of Weidmueller connectors from Farnell.
- 18.03.2015: Painting of the tripod for propeller 3 with zincsulphate paint. Start mounting of components and assembly.
- 19.03.2015: Polycarbonate panels all mounted on propeller 2 and 3. Works on the bell machine - we will call it <Bello> - taken up again. Four new bells prepared. This is the bell for note 67
And this one sounds note 65:
These two bells use a 24V mechanism.
- 20.03.2015: Continuing work on <Bello>. Hub board soldered.
- 21.03.2015: Welding, mounting and construction of the bottom row of large bells.
Start construction of the bottom plate (10 mm thick stainless steel plate 1310 mm long, 100 mm wide): drilling of mounting holes for the side wheels, construction of an axle holder for the front and back wheels, drilling of mounting holes for the power supply transformers.
- 22.03.2015: Full day of welding and mounting works. Now the structure stands upright on its base. We added a backbone piece 30 x 50 x 3 x 1130 for stability.
- 23.03.2015: Mounting studs added for the microcontroller boards. These will be mounted on two pieces of polycarbonate plate. Bell 87 added between 86 and 64/70. This one has a stainless steel dome. Start mounting of the power supply components.
- 24.03.2015: Wiring of all power supply components on the underside of the <Bello> robot. Production of the first PCB for the <Bello> pulse board. No chance to get it working by tomorrow as we would have wished...
- 25.03.2015: Filing and honing of the axle holes to 12.00 mm. IGBT's selected for the high voltage bells: IRGB14C40, the same type we also used in our <Hat> robot in 2009. These are pin compatible with the IRL640 mosfets we normally use. The flanges for mounting the propellers came in. The flange for the wood propeller fits perfectly, the one for the metal propeller will need some further lathe work.
- 26.03.2015: Soldering work on the microprocessor board for the <Bello> robot. This work did us discover some inconveniences in the PCB design. So, we redesigned the board a bit for further production of the next two required boards.
- 27.03.2015: Funke bell caps sprayed in RAL3000 red. Propeller 2 mounted on the motor. First testing performed. High voltage double diodes ordered from Farnell. M10 x 90 bolts purchased at MEA to mount the propeller on the flange.
- 28.03.2015: Attempt to mount propeller 3 unsuccesfull. Two people required to do the job... Firmware for propeller 2 improved and uploaded. Start wiring of the <Bello> machine. Extensive testing of the firmware for propeller 3.
- 29.03.2015: Wiring on <Bello>. All wiring on the side of the already mounted bells finished. First two PCB's (hub and pulse1) mounted on the polycarbonate carrier plate. Two extra pulse boards (2 and 3) exposed, developed and etched.
- 30.03.2015: Soldering and drilling works on pulse boards 2 and 3. Board testing. Further wiring of the connectors.
- 31.03.2015: Connector wiring finished. High voltage double diodes came in from Farnell, so we soldered them on pulse board 1. Firmware for <Bello> hub board finished (version 1.0) and flashed. Propeller 3 flange needed some bore corrections, so we brough it back to the lathe workshop and had it redrilled. Propeller 3 is now fully mounted. Start coding firmware for pulse boards 1, 2 and 3 on <Bello>. This be version 1.0.
- 01.04.2015: <Bello> fired up, and indeed, it does play! Now we can check and adjust the velo scalings. During our extensive testing session two coils burned out completely: notes 77 (a Funke coil)
and 82 (a Friedland coil). We have to search of a cause... Also the chinese bells (notes 57 and 60) refused service. We took them apart for close inspection and discovered that under the insulating PVC tape covering one of the coils, a diode was hidden. Also close inspection revealed a Chinese trick here: the bells are sold to operate on 110V ac, but their coils are not a pair: one coil measures 248 Ohms and the other coil only 12.6 Ohms... So clearly with a minor wiring change they can sell one and the same bell for 110V ac and for 6V to 12Vac... The weakness of the construction though is that the coils giving very unbalanced forces, cause a lot of unwanted mechanical noise... Bell 81 was not working, due to a typing error in the firmware. We started making a worksheet in order to figure out the optimum velocity scalings for the different bells.
- 02.04.2015: Friedland coil for bell 82 replaced. Construction of a new anchor mechanism for bell 77, as we didn't have replacement parts for the Funke bells. For this new mechanism we used a Black Knight solenoid rated 12V - 20 Ohms.
Wiring redone as the existing wire was molten completely. Everything repaired by the end of the day. Suitable brass dome found for note 72. Mechanism constructed, using a 24V coil set.
- 03.04.2015: Attempting to construct some extra bell domes for the notes in the range 88 to 96.
- 04.04.2015: Hunting for bell domes... Designing a holding structure for the frontal bell row. Eight bells for the bottom row constructed.
A full day of work... And this be nr.8:
- 05.04.2015: Firmware for <Bello> adapted to the addition of the newly made bells. Bottom row stainless steel structure made for mounting the lowest row of eight bells. This bottom row is bolted to the chassis and can be taken out if needed. We used two stand-offs 30 x50 x 120 rectangular tube and a length of L-profile 30 x 30 x 3. The bells mount on the L profile with M6 bolts and nuts. As things are now, it is likely that we will limit the ambitus of <Bello> to note 93.
- 06.04.2015: Mounting of the bells on the lowest row.
The mechanisms for bells 90 to 93 were modified to work on 12V by connecting the two coils in parallel. This brings the resistance down to 8.8 Ohm and the peak current to 1.4A at 12 V. As the duty cycle will allways be lower than 50% the maximum average current will be 0.7A. Bottom LED light mounted and mapped on note 120. This can be PWM controlled with the velocity byte. Bottom row assembly finished and mounted. All firmware adapted and uploaded to the extra bells. The bottom row can be taken out of the robot, therefore we used a 12-pole connector.
It connects to the main chassis with 4 M6 bolts and nuts. Pulse board 3 now services only 12 V loads. On board 2 we still have two free outputs: P2.3 and P2.4. This as far as we are now:
The wheels are still missing...
- 07.04.2015: Test software adapted in GMT. Waiting for delivery of the central wheels... Velocity ranges for each individual note measured. Lookup tables for velocities recalculated as well as the lookup for the repetition rates. We now use a logarithmical scaling. New firmware uploaded and tested. Some bell mechanisms need better allignment.
- 08.04.2015: Test and evaluation. Mounting of the wheels. Welding of the suspension eye bolt in top.
Demonstration for Ictus. First testing with the Antheil score material. This is what it looks like now, nearly finished:
11.04.2015: Writing a first interactive piece for <Bello>... Namuda Study #53 is coming.- 12.04.2015: Triangular standoffs constructed from 10 mm thick stainless steel for the side wheels. Looks better and safer in transportation now. First attempt to make a Robody picture with the newborn <Bello>.
- 13.04.2015: Bug discovered in the <Bello> firmware: the keypressure settings should be reset after a ctrl 66 power down command.
- 14.04.2015: Massive brass staves ordered from Demar_Lux. This material will be given a try in making bells for the missing low notes.
- 16.04.2015: Propeller 2 fully tested. Firmware upgraded. First test session on propeller 3 failed. We mispoled the connector between the two PC boards... After correction, everything appeared to work right. Braking checked: indeed, on sudden brake, the bulb glows firmly. Propeller 3 fully tested. Cutting, drilling and welding of the feet plates. These have holes for M12 bolts wherewith the propellers can be securely fixed to the stage elements. Clamping with vice-clamps is also possible. . Painting corrected after welding.
- 17.04.2015: Propellers setup for Ictus demo in our hallway. The definitive spoke wheels for <Bello> came in from Kaiser+Kraft. We had to exchange the ball bearings (they came with 32mm x 20mm bearings) for 32mm x 12mm types.
- 18.04.2015: Bell 83 repaired and adjusted again. The anchor was sticking in its plastic tube on the Friedland mechanism.
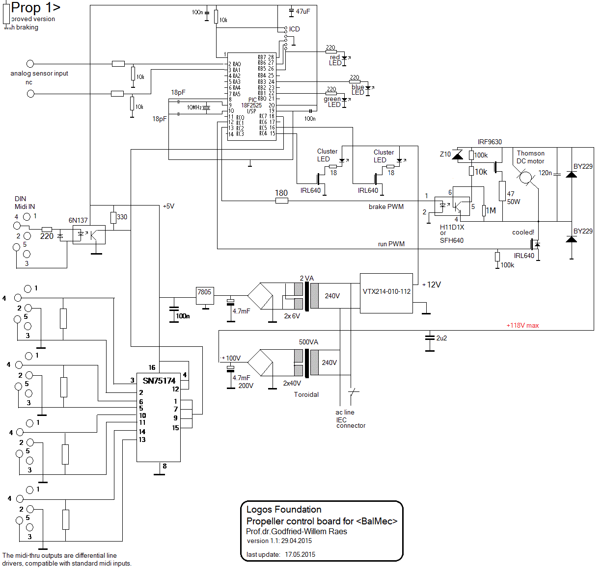
- 22.04.2015: <Bello> made its debut on the concert with the robot orchestra: Namuda Study #53, with Dominica Eyckmans.
- 27.04.2015: Work on the Antheil midi files by Kristof Lauwers.
- 28.04.2015: Propeller 1 failure: it switches on, on powerup... Something goes very wrong here. When we took the board out, the microcontroller was performing o.k., however the IRL640 Mosfet appeared to be molten down. We have no idea as to the cause here. We removed the VDR soldered on the board across the motor load, as when this triggers on spikes it could effectively cause a short. We replaced it with a 220nF capacitor, to smooth out the PWM carrier somewhat. We noticed that the Mosfet can get very hot. We might have to mount it on a larger heatsink. Got everything working again, but we have bad feelings as we cannot clearly trace the cause of the failure. Thus we started drawing out a new design for the circuit as well as the PCB. The new circuit has support for braking, using a P-channel power mosfet. This implies quite some changes in the firmware of course. Here is the new circuit:
And this is what the PCB looks like:
Hopefully we have the time to etch and solder this before the Antheil piece goes into production... this weekend. In fact it would be a good idea to provide some place on the PCB for a simple SMPS 12V power supply, as this would allow us to mount two red LED spotlights on this propeller as well...
- 29.04.2015: Further testing of all Balmec components with the Antheil midi file. Two 50 meter long differential midi cables soldered, using DMX wire with characteristic impedance 110 Ohm. Signal quality tested using the oscilloscope. Further improvements on the PCB for prop1.
- 30.04.2015: Test run using the differential drivers and receivers with the 50m cable.
- 01.05.2015: First reality tests with the propellers mounted on stage in Zwevegem. The fuses did blow when trying to use them on very high speeds... Recalculating everything. Apparently the use of single sided rectification in the motor drive for propeller 2 and 3 causes the differential safety switches to blow.
- 02.05.2015: Circuit improved by adding isolation transformers in the motor supply as well as double sided rectification. We will not have the time to implement it immediately and before tomorrow's performances, as we have to order the required 1kVA transformers. Here is the improved circuit for propeller 2. And here for propeller 3. The IGBT on propeller 3 did go to heaven. We repaired it.
- 03.05.2015: First three performances of Ballet Mecanique with the three propellers and the <Bello> robot. In the meanwhile we redesigned the circuit and the PCB for propeller 3. It will after this upgrade, use a 1.6kW isolation transformer.
- 04.05.2015: PCB for propeller 3 design finished. Components ordered from Farnell.
- 06.05.2015: New version 3 board drawn, etched, drilled and soldered for propeller 3. Isolation transformer mounted underneath the propeller H-beam. Firmware simplified. No braking on slowdown now. This is the new board:
- 07.05.2015: Propeller 3 fully tested. It seems to work to perfection now.
- 08.05.2015: Experiments carried out with a resonator on propeller 3. Construction of a bell for note 66 on <Bello>. Herefore we use a tuned U-shaped steel beam (cut off from a rectangular 100 x 50 x 4 piece of construction steel). For the mechanism we use a modified solenoid taken from a Friedland modern doorbell. Coil resistance is only 3 Ohm. The mechanism appeared to be very poorly made of all loose parts just held together in a plastic enclosure. We impregnated it in epoxy rosin and provided in two solder lugs for the electrical connections. As the ON-current goes up to 4 A for this coil, we have to take measures in the firmware to reduce maximum velocity values. The coil windings do not look like capable to withstand this current, except on very low duty cycles. Here is the result:
This bell is mounted on the backside of the robot.
- 09.05.2015: Construction of bells for the missing note 62 and 63, following the same recipe as done for 66. These bells also will have to find a place on the backside. Mechanisms constructed: modified 24V US-doorbell mechanisms modified to operate on 12 V by switching the coils in parallel.
- 10.05.2015: Two red LED spotlights added on Propeller 1. Just like with the other propellers, the flashing speed can be controlled with the velocity byte in the note on command.
- 11.05.2015: Etching and soldering of the new board for propeller 1
- 12.05.2015: Vigortronix VTX-214-010-112 power modules (12V) ordered from Farnell, as well as TO220 heatsinks. Prop1 board finished.
- 13.05.2015: Mounting of the 12V module and the new board on propeller 1.
- 14.05.2015: Testing of the new board. Problems: the P-channel mosfet seems to conduct all the time... Recalculation required.
- 15.05.2015: Bug found and cured. The 1M Ohms resistor on the base should go to pin 4 of the optocoupler (emitter) whereas we had it faulty to the collector.
- 01.06.2015: Construction of a better bell for note 68 for <Bello>. This uses a thick and expensive cast bronze dome bell we digged up from our stock. It is driven by a modified US doorbell mechanism, used with the two coils in parallel such that the nominal voltage becomes 6V. However we operate it on 24V as we need quite some force to bring the shell in full resonance. Of course duty cycle has to be kept low now. We left the original 68 bell (thin stainless steel shell) in place on the front side, disconnected ( grey wire). It can later be replaced with a small good quality bell to extend the trebble (note 94). The new 68 bell found a place on the backside of <Bello>. The sound is excellent now.
- 02.06.2015: Wiring bug discovered in <Bello>. We had bell 68 connected to P1.2 (serving note 88) where it ought to go to P1.6. The ordered stainless steel shells came in from Demar Lux. Size 106 x 3, AISI304 sounds 91.4, size 154 x 2 AISI304 sounds a slightly too low 74, so we can use it as a bell for note 73, as yet double used with the bell for note 51 (the Siemens bell). Size 204 x 2, AISI304 sounds a slightly high 64. A suitable bell for 69 as yet not found. In implementing note 73 on the second pulse board P2.4, we discovered a soldering mistake: a short from the output to ground, causing the bell magnet to remain activated. After repairing, this worked fine again. New firmware uploaded in the PIC controller for pulse board 2. Firmware coding for board 1 adapted but not yet uploaded.
- 03.06.2015: Further firmware debugging, as we discovered some shakyness in its performance. Code for pulse board 3 changed: the bottom light is now mapped on note 119. Test code in GMT changed accordingly.
- 05-14.06.2015: Firmware debug. Compiler upgrades. Nothing but problems... Documentation in headers for firmware versions for pulse board 2.
- 15.06.2015: Finally problem solved. New firmware for pulse board2 works. There was a bug in the newest version of the Proton+ compiler: handling of dwords (32-bit variables) became a complete mess.
- 17.06.2015: Firmware for pulse board 1 revised as well.
- 26.06.2015: All firmwares in pulse boards 1,2 and 3 replaced with the new coding. Only the hub board remains to be upgraded now.
- 27.06.2015: Hub board upgraded. After testing it came out that all velocity lookup tables needed a multiply by 2.4 to compensate for the much higher loopspeed now. Thus we had to revise the firmware in all four chips again. Now we are at version 2.1 for all boards. First tests appearing to be o.k. now. All firmware now has controller 30 implemented.
- 16.07.2015: All three propellers and the <bello> robot used in the fifth full-evening Namuda production: 'Impossible'. The propellers are installed in the lodge, the <Bello> robot in the tetrahedron. Fuse on propeller 3 blown. We had 6.3A instead of the calculated 8A.
- 23.07.2015: The three propellers and the Bello robot worked flawless in our namuda production 'Impossible'.
- 07.09.2017: <Bello> used in the orchestration of 'Parade' by Erik Satie.
- 09.10.2017: Midi demo file and MP3 recording ready for Study #24, by Kristof Lauwers for the Bello robot.
- 04.09.2018: As <Bello> leaves Logos for a six month long exhibition in the Speelklok Museum in Utrecht, we added an AXO board such that it can operate as a stand-alone robot. Two switches were added: one to start the demo-file, one to stop the file at any time. Here are some pictures of the modifications:
![]()
![]()
- 11.09.2018: Autonomous mode tested for a few days continuous on-time and found o.k.
- 12.09.2018: Circuit documented:
Firmware for the AXO board written by Lara Van Wynsberghe. The connections for the Axoloti board look like this:
- 14.12.2020: Both 200 mm wheels on <Bello> replaced. The original wheels suffered from worn out polyurethane tyres.
- 01.10.2021-31.10.2021: <Bello> on display in the SMAK museum in Ghent.
- 12.03.2022: MIDI-in connector on <Bello> found vandalized... An idiot must have moved the robot without first loosening its cables...
- 16.03.2022: MIDI-IN DIN connector replaced. Now using a Preh-type on the hub board.
- 17.03.2022: <Bello> on the road again for a performance of Ballet Mechanique in Mechelen.
- References:
- George Antheil, 'Bad Boy of Music', Da capo press, New York, 1981 (ISBN: 0-306-76084-3)
- George Antheil 'Ballet Mechanique', full score.
- Funke + Huster Fernsig Gmbh. (http://www.fhf.de)
- Paul Lehrman 'Introduction to Ballet Mecanique' (PDF)
- Raes, Godfried-Willem 'Bellenorgel' (1972)
- Raes, Godfried-Willem 'Expression control in musical automatons' (-2022)
- Raes, Godfried-Willem 'Logos @ 50, het kloppend hart van de avant-garde muziek in Vlaanderen' (ed.Stichting Kunstboek, Oostkamp, 2018)
Order numbers spare parts and special (harder to find...) components:
- Bridge rectifier 40A - 1kV: 9380841 (Farnell) type CM40010
- 1mF/250V Electrolytic cap, snap in, PCB, Epcos B43501-C2108-M: Farnell 1839316
- 5-pole DIN socket, PCB, Preh metal 71251-050: Farnell ord: 1193184 (used as MIDI input connector)
- 5-pole DIN socket, PCB, Plastic Hirshmann MAB5 SH, Farnell ord.: 1944987 (used as MIDI balanced line driver output connectors)
- Kingbright LED cluster lights. (2 on each propeller, 2 on Bello)
- Vigortronicx VTX-214-010-112 (12V/0.83A SMPS module), Farnell ord.:240-1054
Last update:2022-04-03