<Autosax>
an automated microtonal C-melody saxophone
by Godfried-Willem Raes

Archive file up to version 4.0
1989-2012
This instrument is an automated and computer controlled acoustical saxophone. It is one of the very first automated instruments we designed and its building history went through four very distinct phases, each realizing a different approach to the problems posed by properly automating a saxophone. In the very first version (1989), the sound production relied on computer controlled acoustical feedback in the bore of the instrument. This version was dropped for the response was sluggish and the pitch produced quite unreliable. Although the concept behind the design was sound, the possibilities for real time processing of the feedback loop were way below the requirements. The second version used a compression driver driven by a frequency synthesizer. This version was evaluated as very reliable, but soundwize, far away from anything like a realistic and convincing saxophone sound. The thirth version (2007) used a quite sophisticated automated reed mechanism. The sound was indeed very good and it was also capable of producing a wealth of multiphonics, slaptongues and other special effects. The sound production was realized through an acoustical but computer controlled two-phase reed mechanism using a compressor for the wind supply and a fast regulating conical valve for expression control. This version was dropped in 2009 mainly because the ambitus was limited to the lowest octave. The range below the 'normal' range actually sounded best and hence we extended it in the Midi support down to midi note 0. However, we never got the instrument to overblow properly and reliably... The new sounds the mechanism could produce were a bonus, but quite unrelated to the saxophone itself. For this reason, we decided to save the sound production mechanism for a future project and a novel instrument. The fourth version took of shortly after our quite successful realizations of brass instruments (<Korn> the cornet, <So> the sousaphone, <Heli> the helicon and <Bono> the trombone) as well as <Ob> the automated oboe, making use of acoustical impedance converters driven by a compression driver and a capillary conduct. For this version we carried out many experiments using acoustic impedance converters. In a first design we made the acoustic impedance converter such as to mimic as well as possible the behavior of the original mouthpiece with reed. Thus, instead of using a circular capillary channel driving the saxophone, we used a small slit. The whole construction was made from massive staff brass material on the lathe, the slit filed out manually. A quite inexplicable side effect of applying this construction to the saxophone, was that it lowered the whole tuning of the instrument by a minor thirth. Thus the C-melody saxophone came to behaves like an A instrument. In the last and most successfull experiment so far, we used a regular capilary again, but with a much reduced traject as compared to the first version. The saxophone now behaves again as a C instrument...
The lightbulbs -clearly visible on the picture- are not just a visual feature but serve as voltage dependent resistors in series with the solenoid valves controlling the keys, thus preventing overheating of the coils when many keys are opened and stay opened for a long time. Different and non standard fingerings can be applied, leading eventually to multiphonics, particularly if the feedback mechanism is in use.
The instrument is controlled via MIDI, but very soon UDP/IP controll will be implemented as well. It uses 3 PIC microcontrollers, one of which is a dsPic30F3010 type used for the reed control, the tuning and the intonation, the other ones taking care of the keys and the third one controls the volume and the feedback levels as well as some visual features of the robot.
The normal note range is 46 to 77, but due the possibilities of the reed mechanism, we provided in an extended range in the low end, descending down to even below midi note 33. Of course users should not expect a realistic C-melody saxophone sound from this range as resonance in the bore of the instrument will be minimal. The sounds produced in this extended range are far too interesting -although not as good as those produced in the thirth version of the robot- to leave them out of the range of possibilities. High notes are implemented up to midi note 93, but again, in this range users should not expect any realism.
The development of this automated saxophone took us some 20 years and <Autosax> has known 4 different working realizations in its history. We are now, 2010, at version 4, and version 5 is coming in 2020...
Midi implementation:
Compositions where <Autosax> is an important member of the robot orchestra:
|
Collaborators: Kristof Lauwers, Johannes Taelman Technical specs (for organizers):
|
| Back to Godfried-Willem Raes index-page | Back to Logos main index page | Composers Guide to the Logos robot orchestra | To Instrument Catalogue Godfried-Willem Raes |
Reeds verschillende jaren
vormde het ding niets meer dan een dekoratief onderdeel van mijn elektronische
werkplaats bij Stichting Logos. Ik had het op een gewone en dus regenachtige
zaterdagochtend in 1989 gezien op de Gentse rommelmarkt, en herinner me nog
hoe ik het - nog voor ik goed en wel besefte wat het eigenlijk was- reeds goed
en wel in mijn bezit had gekregen. Eens thuis onderwierp ik de buit aan een
nauwgezet onderzoek. Op het eerste gezicht leek het verraderlijk sterk op een
tenorsaxofoon, maar de kleppen waren niet voorzien van plaatjes voor vingers.
Alle hefbomen hadden integendeel een klein zijwaarts geboord gaatje. Het kon
niet anders dan afkomstig zijn van een of andere grote orkestrion. Het klankopwekkingsmekanisme
ontbrak echter, en ik vermoedde toen dat dit uit een pneumatisch gestuurd tongwerk
moet hebben bestaan. Hoewel, sommige orkestrions omvatten instrumenten die weliswaar
mee bewegen met de muziek, maar helemaal niet klinken en dus een louter vizuele
funktie hebben (Decaps's bvb.). Vele jaren later werd dit vermoeden trouwens
ook door de historische feiten bevestigd, toen het instrument afkomstig bleek
uit een wat dekadent dansorgel van Grymonprez uit Ledeberg bij Gent... Ik herinnerde
me nog mijn pogingen er een autentiek tenorsaxofoonmondstuk op gemonteerd te
hebben. De toonladder was kromatisch en redelijk korrekt. Er was een klep voor
elke kromatische halve toon. De speelbaarheid was evenwel bijzonder problematisch,
niet alleen door het ontbreken van de steuntjes voor de vingers, maar bovenal
door de onmogelijk te grijpen afstanden tussen de diverse hefbomen onderling.
Ik schoof het ding terzijde, wel beseffende dat er wel iets originelers mee
aan te vangen zou zijn, dan het terug te brengen tot een of andere vorm van
de bekende tenorsax.
Het ding was dus al enkele jaren naar het hinterland van mijn onderbewustzijn verhuisd, toen op een - alweer- bijzonder regenachtig novemberweekend in 1991, ik het ding ter hand nam en begon aan de konstruktie van een volautomatische komputergestuurde saxofoon. Hoewel we het aanvankelijk hadden beschouwd als een tenorsax, bleek bij nadere studie van de voortgebrachte tonen, het toonbereik te beginnen vanaf C (midi 48). Dat maakt dat het instrument eigenlijk volledig gemensureerd is naar de -zeldzame- C-melody saxofoon.
Voor de automatische sturing van de kleppen op het instrument -dat leek me het eenvoudigste deel van het ontwerp- maakte ik dankbaar gebruik van de voorraad elektromagneten die ik ooit kreeg van mijn vriend - overigens ook een uitstekend komponist en instrumentenbouwer - Alec Bernstein. Deze elektromagneten werden oorpronkelijk gemaakt voor gebruik in een piano-'Vorsetzer' van de firma Maranz, die evenwel over de kop ging. Alec was zo slim, de hele fabrieksvoorraad in te kopen..., slim, vooral omdat de hele voorraad op die wijze uiteindelijk bij mij belandde.
De kern van deze spoelen bestaat uit een cilindrisch stuk ferriet met een ingetapt uiteinde. Hiervoor maakte ik aluminium oogjes waardoorheen veerstalen haakjes voor de overbrenging op de kleppen konden aangebracht worden. De werkspanning van de spoelen is berekend op 170Volt D.C. , overeenkomstig rechtstreeks gelijkgerichte en afgevlakte Amerikaanse netspanning. Aan 0.5A per bekrachtigde spoel, betekent een en ander een (teoretisch) maximaal opgenomen vermogen van omstreeks 1kW! Anders dan bij player- pianos immers, worden bij blaasinstrumenten heel normaal veel kleppen tegelijkertijd bekrachtigd. In mijn ontwerp echter kwam het erop neer dat de zaak algauw gloeiend heet liep... Om dit euvel - dat destruktieve gevolgen had kunnen hebben - te verhelpen, bouwde ik een speciale sturing voor de elektromagneten gebruik makend van pulsbreedte-gemoduleerde gelijkspanning. Ook voor de uitsturing van de nodige signalen (spoelen aan/uit en pulsbreedte van de bekrachtigingsspanning), bleek komputersturing een vereiste.
Het klankmechanisme dat ik er aanvankelijk voor bedacht, berust op zuiver akoestische maar komputer-gestuurde feedback in het instrument zelf. Daartoe monteerde ik op de plaats van het mondstuk een luidsprekermotor (een hogedrukkamer of membraankompressor) en in de klankbeker een mikrofoon. Door sturing van de versterkingsfaktor en door toepassing van filters in het tussen beide opgenomen elektronisch netwerk, bleek het mogelijk alle tonen vrij realistisch te produceren. Alleen de aanspreeksnelheid van de diverse noten liet wel nogal wat te wensen. Om dit te verbeteren, plaatste ik dan in de eerste versie 6 verschillende miniatuur elektretmikrofoontjes bij de diverse toongaten. Als nu de mikrofoontjes geschakeld en onderling gemengd konden worden in funktie van de te produceren tonen, dan was het doel virtueel bereikt. Daarvoor moest evenwel noodzakelijkerwijze alweer op komputersturing beroep gedaan worden. Dit, onder meer omdat de feedbackregeling bijzonder snel dient te gebeuren, a rato namelijk van zo'n 100 instellingen en instrukties per sekonde. Traag voor een komputersturing, maar beslist te snel voor de manuele bespelingsmogelijkheden van musici, zeker wanneer die via instelknopjes en schakelaars zou dienen te gebeuren. In een eerste uitvoering bouwden we voor de klankopwekking een behoorlijk komplekse schakeling met 6 bandfilters (een per mikrofoon) gevolgd door VCA's. De VCA's werden opgebouwd met 8-bit DAC's waarvan evenwel slechts 4 bits werden benut, de overige bleven op die wijze vrij voor de kanaalselektie en de adressering. Een enkel byte kon zo volstaan voor de kontrole van de feedback loop en dus van de klankopwekking zelf. Een zekere traagheid in het aanspreken van de diverse noten bleef evenwel ook in dit ontwerp helaas aanwezig, maar m.i. was dit vooral te wijten aan het beperkte vermogen van de gebruikte luidsprekermotor (15 Watt). Met een piekvermogen, gedurende het aanzetten van de toon in de orde van 100 Watt zou allicht een beter resultaat op dit vlak kunnen bereikt worden. Ook kon het nogal eens gebeuren dat een andere noot dan de voorziene werd geproduceerd. Omgevingsgeluid speelde daarbij een belangrijke rol, wat uiteraard de opname in een orkestrale kontekst kompromiteerde. Onbevredigd door de resultaten van versie 1, herbouwden we in 2002 de stuurschakeling voor <Autosax> volgens een geheel nieuw ontwerp, waarbij de feedback sturing geheel in software werd gerealiseerd. De -frekwentieselektieve en aan het toonbereik van de saxofoon aangepaste voorversterker voor de voor het paviljoen gemonteerde elektret mikrofoon kwam eruit te zien zoals op de afbeelding opgenomen in het bouwdagboek. Feedback sturing via een digitaal stuurbare versterker-mixer schakeling bleef ook in deze tweede versie een optie voor deze robot.
Voor de komputersturing had het zo ontstane instrument voldoende aan 2 bytes voor de sturing van de spoelen/kleppen, naast het ene byte voor de feedback-kontrole. Dit kon gemakkelijk geimplementeerd worden via de op zowat alle komputers beschikbare parallel-printerpoort. Hiervoor gebruikten we hetzelfde demultiplex board zoals we dat ook ontwikkelden voor automaten zoals <Klung>,<ThunderWood>, <Troms> enzomeer. Omdat elk individueel bit via software kan gemanipuleerd worden, blijkt het perfekt mogelijk ook mikro-intervallen, vorkgrepen, kleppengerammel, multiphonics door het instrument te laten voortbrengen. Ook 'zingen en spelen' tegelijkertijd is makkelijk te voorzien, door een vokaal (eventueel vanuit een stemsynthesiser ofwel vanuit een sampler) signaal in het mixergedeelte bij de mengen.
Om de responstijd te versnellen, het zwakke punt van het gehele ontwerp, zowel in de eerste versie als ook in de tweede, stuurden we in de tweede versie van <Autosax> bij elke aan te sturen toonhoogte een korte uitstervende sinus in de mixer. Hoewel dit op het eerste gezicht een 'overtreding' lijkt te zijn van het anderszins zo akoestische werkingsprincipe van het instrument, is het toch zo dat ook een speler van vlees een bloed wel degelijk anticipeert op de te spelen noot, wil hij deze tenminste trefzeker en goed aan zijn instrument ontlokken. In dit geval was echter in de komputerimplementatie nood aan het gebruik van het audiosubsysteem: de ingebouwde soundcard van de PC. Aan de hardware hoefden voor dergelijke uitbreiding geen wijzigingen te worden aangebracht. Overigens kon hiervoor ook een externe gewone midi-synthesizer worden gebruikt.
Hoewel Autosax in deze versie verscheidene jaren deel uitmaakte van het <M&M> robotorkest, waren we toch niet echt gelukkig met het voortgebrachte geluid. Het klonk me veel te sintetisch, elektronisch en eendimensioneel. In 2005 en 2006 onderging <Autosax> daarom een derde welhaast volledige herziening (versie 3) , waarbij volledig afgezien werd van het oorspronkelijke feedbackmechanisme, maar waarbij we integendeel poogden het riet zelf onder mikroprocessor kontrole aan het trillen te brengen. Heel wat research staken we in de ontwikkeling van het riet zelf en de aansturing (cfr. bouwdagboek). Uiteindelijk werd het een samengesteld riet, deels uit riet deels uit staal. Het grote probleem bleek de bouw van een riet dan redelijk lineair aan het trillen kan worden gebracht over een breed frekwentiegebied. Een erg lage eigenfrekwentie bleek noodzakelijk. Voor de kontrole daarvan deden we beroep op de DS-PIC microcontroller van MicroChip. Om een redelijk ' menselijke' kontrole mogelijk te maken van de toonvorming ontwikkelden we een speciaal kegelventiel. Hiermee wordt een werkelijke artikulatie van de voortgebrachte klanken mogelijk. De resultaten die we bereikten met dit mechanisme waren werkelijk verbluffend, vooral dan in de laagte, ver onder de tessituur waarvoor het instrument normaal is voorzien. Prachtige slagtongues en multiphonics. Alleen, overblazen naar het eerste normaal oktaaf bleek uiterst onbetrouwbaar en problematisch, zeker wanneer daar ook nog amplitude variatie bij verwacht werd. In 2009 beslisten we dan ook het hier toegepaste mechanisme geheel te verwijderen en opzij te leggen voor gebruik in een nieuwsoortige te ontwikkelen automaat die dan niks met een saxofoon te maken zou hoeven te hebben.
Versie vier, ontwikkeld in 2009, bouwt verder op de positieve ervaringen opgedaan bij de bouw van de koperblaasrobots <Korn>, <Bono> en <Heli> evenals van het dubbelrietinstrument <Ob>, de automatische hobo. Hier werden systematisch akoestische impedantietransformatoren toegepast. In tegenstelling tot die ontwerpen echter, waarvoor een kapilair met ronde doorsnede wordt toegepast voor de koppeling aan het mondstuk, bouwden we hier eerst een konvertor voorzien van een spleet, overeenkomstig de excitatie door een enkelriet. Hierdoor verschoof evenwel de gehele stemming van het instrument met een terts naar omlaag. Ook de efficientie werd wel heel erg klein. Een betere versie werd gebouwd, met een korter kapilair trajekt en weer een ronde opening. De stemming was weer korrekt en de efficientie heel wat beter.
In 2020 begonnen we met versie 5: te verbeteren aspekten waren eerst en vooral het storende geluid van de kleppen en in tweede instantie de kwaliteit van het voortgebrachte geluid. De nieuwe ontwerpen liggen op onze werktafel...
De 'Autosax' zoals ik het instrument heb gedoopt, werd opgebouwd als een vrijstaande ruimtelijke robot-skulptuur: als een saxofoon in speelklare positie, maar zonder speler. Daartoe werd het instrument op een gelast statief voorzien van talloze beugeltjes voor de vele elektromagneten, de elektronische stuurschakelingen en de diverse voedingen en interfaces geplaatst. Het werkende instrument werkt dan ook vizueel bevredigend: alle schakelingen zijn transparant en zichtbaar zodat het niets verhult. Een naakte automaat, de eerste van wat veel later een heel groot orkest zou gaan worden.
Godfried-Willem RAES, 1991-2020
|
Medewerkers: Kristof Lauwers, Johannes Taelman Technische specifikaties (voor organisatoren):
|
Bouwgeschiedenis en bouwdagboek
Autosax onderging in de loop van zijn ontwikkeling tot nu toe vijf onderscheiden stadia die elk met een werkende robot werden afgesloten. De globale ontstaansgeschiedenis en de technische details daarvan worden in volgend dagboek gedokumenteerd.



De foto toont deze eerste versie van de werkende <Autosax>. De darlingtons
werden vervangen door IRF610 mosfets voorzien van een kleine koelvin..
Deze
schakeling levert meteen ook de nodige spanningen voor de mikrofoonvoorversterkerschakeling.
De foto werd genomen op dit koncert.<Autosax> wordt er bespeeld met
een subnotebook komputer gebruik makend van het USB interface.
De gehele konstruktie werd in een cylinder van polycarbonaat met gelaste inox deksels en aansluitingen voor enerzijds de saxofoon, anderzijds de kompressor en de elektrische aansluitingen, ingebouwd. De elektromagneet werd op een geveerde en verstelbare slede gemonteerd voor een makkelijke mechanische afregeling. De foto hieronder toont twee komponenten van het mechanisme in hun korrekte positionering:

De slede voor de elektromagneet werd gemaakt in spuitgietaluminium. Het
diende immers een niet magnetiseerbaar materiaal te zijn. Ze wordt met 2
M5 bouten vastgezet in de polycarbonaat cylinder. Voor de luchtvoorziening
maakten we bij deze revizie gebruik van een mini Ventola blazer zoals we
die al eerder gebruikten in automaten zoals <So> en <Harma>.
De motoren werden omgebouwd en herbedraad om in driehoeksschakeling op driefazenstroom
te kunnen werken en daarmee een soepele regeling van het toerental -en daarmee
zowel druk als debiet- mogelijk te maken. De onderstaande foto geeft een
beeld van de gehele geautomatiseerde mondholte met mondstuk:
Montage en bedrading relais voor de 170V hoogspanning.





Voor
de instellingen van de uitsturing naar de motor driver, pasten we twee Preh
schuifpotmeters van goede kwaliteit toe. Aangezien het exemplaren zijn voor
stereo gebruik, schakelden we beide sekties parallel, waardoor we op de kromme
weerstandswaarde van 2k3 uitkomen. De basis kode voor de firmware komt overeen
met die voor <Bono>. De golfvorm moet driehoekig zijn.
De
beide antiparallel geschakelde germanium diodes beschermen de meter tegen
overbelasting.
This yields a much better sound.
As
on valve power off, the capacitors will discharge over the coils, this should
reduce the substanial noise we had so far from valve-releases. Of course the
220uF caps have to be specified for a voltage of 200V.| Back to Godfried-Willem Raes index-page | Back to Logos main index page | Composers Guide to the M&M robot orchestra | To Instrument Catalogue Godfried-Willem Raes |
Robody pictures with autosax:
Technical notes, wiring and maintenance data:
(not intended for the general public)
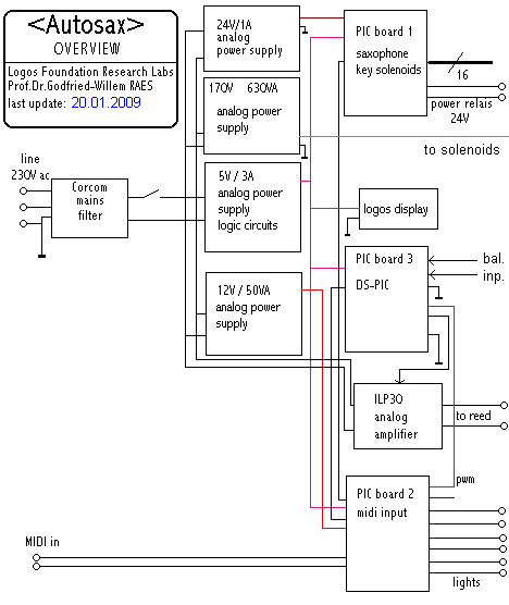
Circuit overview:

The 12V analog power supply is straightforward and uses a 50VA toroidal transformer mounted on the bottom plate in the very front of the instrument. To remove this power supply, loosen both stainless steel M5 bolts holding the frame. The hefty 230V/630VA transformer is mounted on the bottom plate next to the 12V supply, followed by the double-diode rectifier and the electrolytic capacitors. Watch out when servicing: high voltage. The analog power supply for the 5V is mounted in a U shaped housing on the backside of the bottom plate. The 24V power supply uses a small 1A transformer and follows the traditional analog design rules. It also houses a small 150mA DC DC converter used for powering the microphone opamp circuitry. The DC DC converter is made by Klaasing Electronics, Power Module type number 7KR24-15D150. Now this type is distributed by Advantec Electronics BV, with the type number D5R24-15D150. (2006)
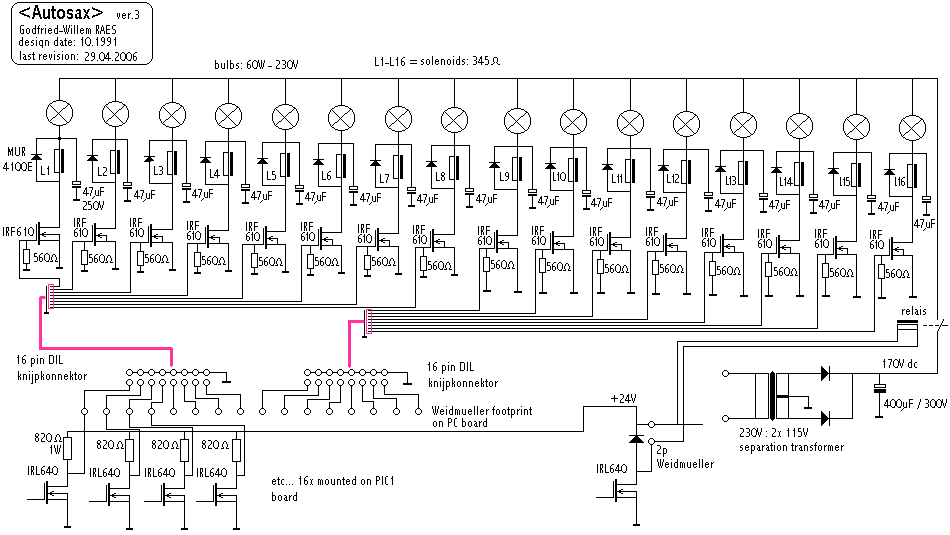
Valve solenoid boards - schematic:

The hold voltage over the solenoids with the bulbs specified is ca. 60V dc. The circuitry is dangerous to touch! Be carefull when servicing. The valve boards themselves date back from 1991, the PIC board belongs to the 2006 revision (version 3) and was also kept unchanged in version 4..
Circuit for the midi hub board, also containing the PIC microcontroller for the controllers (Version 4):


DS-PIC board and wiring:

Audio transformer specs.: Oxford Electrical Products A262A2E. Primary: 2 150 Ohm windings (if connected in series we obtain 600 Ohms, CT), Secondary: 2 600 Ohm windings (if connected in parallel we obtain 600 Ohms). Primary Rdc= 2 x 10 Ohms, secondary Rdc= 2 x 55Ohms. Power rating: 100mW. Frequency response: 30Hz - 35kHz.
Silonex analog optocoupler: Maximum LED current: 25mA. At If=20mA Vf= 2.5V, R=60 Ohm. For If=5mA, R= 150 Ohm. Rmax = 25MOhm. Risetime: 5ms, falltime: 10ms. Type number: NSL-32SR3.
The frontal orange light holds a halogen bulb rated 12V - 5W, G4 socket. The bulb is secured in the socket with two small screws which must be loosened before removing and replacing the bulb.
The Yellow LED strips are type number LM-FB26Y-12, Farnell order code: 122-8819 (Cost: ca. 20 Euro's for a strip). These magnificent components are going out of production in 2009...
The blue quad LED assemblies come from Conrad and are disassembled from a car 'tuning' kit.
Power switch: A4TN15W04, toggle on-on, Farnell order nr.1629111
Note: the TIL311 7-segment displays with decoder (Texas) are no longer in production. There are no replacements as far as we know.
Audio amplifier board (2015 repair): Using a ILP HY2001 amplifier module and
a toroidal 30VA 2x15V secondary transformer for the power supply. Input impedance
is 100kOhms and input sensitivity is 500mV. The data sheet for the amplifier
can be found here.
This is the circuit:

Webpage on <Autosax> Version 3.0 (archival)
| Back to Godfried-Willem Raes index-page | Back to Logos main index page | Composers Guide to the Logos robot orchestra | To Instrument Catalogue Godfried-Willem Raes |
Last update: 2020-03-12