|
<Ake>
|
|
an automated accordion
Godfried-Willem RAES
version
1.0
archive
file
2003-2004
|
Robot: 'Ake' (archive file)
The design of this musical robot started with an old Hohner Musette II accordion.
First of all, we restored and retuned the whole instrument. All chord playing
mechanisms where removed so chords can now be freely build and combined by the
user. The instrument has two sets of 152 reeds: one set for suction, one for
blowing wind. So, in total we have no less than 304 reeds inside the instrument.
The challenge in automating the accordion is not so much the reed playing,
but definitely the wind control: both suction and overpressure wind can be applied
and fast switch over between both modes is essential if one wants the automaton
to sound like, let alone better than, a human player.
The constructional parts for this robot are all made from stainless steel,
as can be seen of the pictures below taken during the construction:







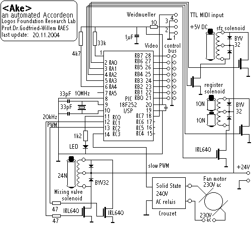
The entire circuitry for this robot makes use of two fast PIC
controllers: Microchip PIC18F2525 - I/SP type. One of these controllers takes
care of the midi input parsing, the note on/offs for the latches and their PWM
control, Mosfets and solenoids, whereas the other PIC steers the wind mechanisms:
the motor speed and the 4-way mixing valve.
The schematic for the first PIC, with three latch and mosfet boards to drive
the solenoids is shown below:

The circuitry around PIC2 looks like:

Mapping:
Midi note range: 31- 94 (almost 6 octaves). The bass side is remapped an octave
lower then real sounding, such as to avoid the overlap of notes 49 to 54 between
melody side and bass in the midi implementation. Thus users should send note
19 - 30 for the pedal basses , 31- 42 for the chord basses and 49-94 for the
melody notes.
Note that notes 19 to 30 sound always 2 reeds, an octave apart. Notes 31 to
42 sound always 3 reeds, each an octave apart. In musical notation terms:

Note Off commands are required.
Volume control (controller nr. 7) is implemented and has a wide control range.
Suction and blowing wind are possible. To achieve this the 7-bit midi value
is interpreted as a signed value: 64 meaning no pressure, 0 = maximum suction
pressure, 127 = maximum blowing pressure. (value = midibyte - 64, effective
range: -64 to +63)
The single register for the melody side can be controlled with a program change
command. (values: 0 or 1)
The motor speed can be controlled as well. Controller 1 (the wind controller)
is used as a midi command. Value range=0 to 127. With value 0 the motor is stopped
and obviously the instrument will not sound at all. Motor speed changes should
be sent at a maximum rate of once a second, since the inertia of the motor does
not allow any faster response. For fast response, use the 4-way mixing valve
mapped on the volume controller.
Ake responds to the midi all-notes-off command (controller 123). This command
releases all note solenoids and dims the lights but does not change the motor
speed nor the position of the mixing valve.
Technical specifications:
- size: width: 50cm, length: 75cm, height: 85cm
- weight: ca. 65kg
- power: 230V / 300W
- tuning: based on A=440 Hz
- Ambitus: midi note 19-42 (bas), 49-94 (melody)
- Insurance value: 8.500€
Design and construction: dr.Godfried-Willem
Raes (2003-2005)
Collaborators on the construction of this robot:
- Bert Vandekerkhove (workshop assistent)
- Xavier Verhelst (music adviser)
- Johannes Taelman (firmware PIC controllers)
- Moniek Darge (requisites end materials research)
- Kristof Lauwers (application code)
Music composed for <Ake>:
- Moniek Darge "Ake meditations" , a tribute to Pauline Oliveros,
premiered on monday 13th september 2004.
- Barbara Buchowiec: 'Ake Birthday' (for viola and Ake), premiered october
2004.
- Godfried-Willem Raes "Fuzzy Harmony Study #12: Tango", premiered
23th of december 2004.
- Sebastian Bradt "Dedicatio Ake", 2004
- Kristof Lauwers & Moniek Darge "Klanklagen Ake", 2005
- Godfried-Willlem Raes "An Object for Ake", 2005
Solo literature:
- La Cumparsita (Tango)
- El Choclo (Tango)
- Gabrieli "Canzona"
- Thomas Morley
Nederlands:
Robot: <Ake>
Voor de bouw van deze accordeon robot, vertrokken we van een kleine
Hohner knop akkordeon uit de musette reeks. De bouw ving aan met de grondige
restauratie en nazicht van zowel de mechanische werking als de stemming van
het oorspronkelijke instrument. Het allereerste wat we volledig demonteerden
en aan de kant schoven, was het vrij ingewikkelde mechanisme waarmee akkoorden
worden opgebouwd in de bassen. Met het oog op vrije programmeerbaarheid wilden
we immers volkomen vrij akkoorden kunnen samenstellen met de voorhanden rieten.
Wat dit betreft is het instrument uitgerust met twee sets van 152 doorslaande
tongen. Het laagste oktaaf in de bas heeft oktaafverdubbeling en maakt dus gebruik
van 2x 24 rieten. De tweede oktaaf in de bas heeft oktaafverdriedubbeling en
dus 2x36 rieten. De melodiekant heeft 2x 92 rieten in (een beetje ontstemd...)
unisono. Een van beide sets kan worden in of uitgeschakeld met de registerknop.
Samen geven ze het 'musette' register.
Eens het hele instrument opgeknapt en in kaart gebracht, bleek
de automatisering van de diverse toetsen een vrij voor de hand liggende klus.
We hadden zoiets immers al vaker gedaan, o.m. bij de bouw van ons automatisch
harmonium <Harma>. We beslisten de bestaande kleppen zoveel mogelijk te
behouden en haalden ons daardoor extra veel werk op de hals met het buigen uit
inox van de vele nodige trakturen. Voor de baskant worden de kleppen bediend
met kleine 24V traktuurmagneten van de firma Laukhuff. Voor de melodiekant echter,
behielden we zelfs de bestaande knoppen en ontwierpen we een bespeling met Lucas
Ledex duwmagneten. Het ene register waarover het instrument beschikt, werd geautomatiseerd
met een bipolaire elektromagneet. Deze diende behoorlijk zwaar genomen te worden
vanwege de grote wrijving in de windlade voor dit register.
De blaasbalg haalden we geheel weg en vervingen we door een vaste
inox windlade voorzien van een inlaat voor drukwind zowel als voor zuigwind.
Precies hierin bleek de uitdaging gelegen bij de bouw en het ontwerp van een
automatisch akkordeon. De typische muzikale mogelijkheden op dit instrument
komen immers voort uit de over en weer gaande beweging van de balg en de luchtdrukmodulaties
die de speler via die balg realiseert. Daarmee krijgt het instrument een 'punch'
die het harmonium bvb. geheel ontbeert. Om dit mogelijk te maken ontwierpen
we aanvankelijk een soort 4-weg mengventiel opgebouwd uit twee kaviteiten met
elk twee door een duw/trekmagneet bediende kleppen. Het geheel viel evenwel
te log en zwaar uit zodat we uiteindelijk een ronde 4-weg mengkraan bouwden
met een cilindrisch kraanhuis en een vlakke goed aansluitende klepzitting. De
centrale as werd gasdicht gelagerd uitgevoerd zodat voor de bediening een enkele
bipolaire magneet met een bewegingstrajekt van 25mm volstaat. De windvoorziening
wordt betrokken uit een sterke Laukhuff radiale kompressor. Om ritmische overdruk
en onderdruk pulsen mogelijk te maken, overwegen we later ook een aksent-balg
toe te voegen, op zijn beurt aangedreven door een bipolaire elektromagneet.
Enkele snapshots genomen tijdens de bouw van deze automaat:





Bouwdagboek:
Omdat ons vaak wordt gevraagd hoeveel werk en tijd kruipt in,
en nodig is voor, het bouwen van een muzikale robot, hebben we ook voor <Ake>
een beknopt bouwdagboek bijgehouden:
- 15.05.2003: aankoop Hohner Musette II accordeon rommelmarkt. Reparatie instrument.
- 16.05.2003: eerste ideen en konkrete tekeningen.
- 20.05.2003: verwijdering akkoordmechanisme in de bassen.
- 02.06.2004: ontwerp blaas/zuig mechanisme met 4-weg mengkraan.
- 11.07.2004: ontwerp automatisering basrieten.
- 13.07.2004: TIG laswerk solenoid houder bassen.
- 14.07.2004: TIG laswerk chassis linkerkant.
- 15.07.2004: Plasma snijwerk inox plaat. Bevestiging linker en rechterhelft
akkordeon. Bestelling Lucas-Ledex Dormeyer solenoids voor de diskant. Type:
195203-2-34 . Dit zijn duwmagneten die rechtstreeks de knoppen zouden moeten
kunnen indrukken. We hebben 46 stuks nodig. Begin zoektocht naar een geschikte
4" vierwegmengkraan (90mm aansluitingen!).
- 28.07.2004: Ontwerp model trakturen in inox staaf. Eerste prototype gemaakt.
- 29.07.2004: Trakturen akkoordbassen geplooid, elektromagneten gesoldeerd
en gemonteerd. Ontwerp elektronische schakelingen op basis van twee PIC controllers.
- 30.07.2004: Trakturen vrije bassen: ontwerp en eerste prototypes. Uitzagen
doorgang in akkordeon kast. Montage inox L-profiel met trekmagneten.
- 01.08.2004: Vervolg montage en plooiwerk trakturen baskant. Laswerk M5 inox
draadstangen voor bevestiging beide akkordeonhelften op de windlade. Ontwerp
draagkonstruktie elektromagneten melodiekant.
- 02.08.2004: Plasma snijwerk, plooiwerk en TIG-laswerk windlade uit 3mm inox
plaat.
- 03.08.2004: Ontwerp 4-weg mengkraan in inox: er blijken geen dergelijke
kranen in de handel verkrijgbaar te zijn. Kraanhuis laten draaien bij MEA.
Windlade volledig dichtgelast en gepolierd. Gat gesneden voor 88.9mm flens,
aansluiting 4-wegmengkraan. Voor de automatisering van die kraan blijken Lukas
Ledex draai-solenoids type BTA, size 6EV (bvb. bestelnummer 190836-025) ideaal
geschikt. Helaas staan die spullen 315$ per stuk geprijsd in hun katalogus...
- 04.08.2004: Steunplaat spoelen melodiekant gezaagd en geperforeerd in register
met de knoppen.
- 05.08.2004: berekening dimensionering automatiseringsonderdelen windvoorziening.
- 11.08.2004: Metingen snelheid en koppel bij gebruik van stappenmotor voor
ventielsturing.
- 18.08.2004: levering inox Demar-Lux.
- 26.08.2004: 4-weg mengkraan afgewerkt. Volledig in inox.
- 27.08.2004: aanlassen drie haakse bochten 104mm aan mengkraan. Paswerk laukhuff
motor en flensaansluiting.
- 28.08.2004: lassen basismontageplaat in Inox. Zagen steunstukken met kobalt
zaag.
- 29.08.2004: steunbeertjes onder 120 graden opgelast op buisvoet en grondplaat.
Windlade vastgelast op basiskonstruktie. Eerste voorlopige montage akkordeonhelften
op chassis. Plaatsing Laukhuff kompressor. Test winddruk en klepmekanisme.
- 30.08.2004: ontwerp en bouw elektromagnetische besturing voor de vierwegmengkraan:
met snaarwiel, draaihoek 45 graden. De elektromagneet moet met PWM worden
aangestuurd. De nulstand kan gevizualiseerd worden met een domme kracht op
de as.
- 31.08.2004: frame voor PC boards melodiekant gelast. Meting kracht nodig
voor registerschakeling: 10Newton, bidirektioneel. We moeten dus minstens
de Laukhuff traktuurmagneet 300810 toepassen (twee stuks).
- 01.09.2004: konstruktie as. Wielen met massief rubberbanden ingekocht, asmaat
25mm. Soldeerwerk PC board mosfets en latches voor de baskant. Ontwerp PIC
board voor de noten. Solderen en assembleren van de noten PIC.
- 02.09.2004: schakeling voor PIC 2 geassembleerd. Past op eenzelfde eurokaart
print als de eerste PIC. Alle microcontroller taken gebeuren nu op een enkele
print. Laswerk steunplaatjes voor twee Siemens Sitop voedingsmodules uitgevoerd.
- 03.09.2004: As wielen gedraaid op draaibank. Laswerk onderstel. Draaibeugel
gelast voor ondersteuning elektronika chassis.
- 04.09.2004: Bouw midi interface. Konstruktie 230V en midi aanslutingen.
Montage 5/12V SMPS module.
- 05.09.2004: Plaatsing CCD kleurkamera met BNC uitgang. Oplassen 5/12V SMPS-chassis.
Montage netspanningdistributie en midi board. Bedrading hoofdmodule, 24V voeding,
besturing baskant en ventielen. Eerste elektrische tests.
- 06.09.2004: Aardlekprobleem met de Sitop voedingen. Kunnen niet werken zonder
aardverbinding? Volledige PIC specifikatie bezorgd aan Johannes Taelman.
- 07.09.2004: TIG laswerk handvat. Bevestiging met M20 inox bout. Wielstel
vastgelast op basisplaat. Laswerk onderkant afgewerkt. Steunpoot aangelast,
met rubberdop. Afkitten met zuurvrij siliconerubber (Loctite) van de baskant
van binnenuit in de windlade.
- 08.09.2004: Afwerking bedrading baskant. Start montage onderchassis voor
melodiekant. Laswerk en begin bestukking latch en mosfet boards. Afregeling
4-weg mengkraan. Afregeling registratiemagneten.
- 09.09.2004: her-assemblage melodiekant.
- 10.09.2004: bevestiging blauwe platen tegen achterzijde Sitop voedingen.
Afwerking met slotmoeren M4. Flatcables gemaakt voor de databus.
- 11.09.2004: Pic 1 geprogrammeerd en gebrand. Kode toegevoegd aan g_gorgel.exe
voor tests.
- 12.09.2004: GMT testkode. Debug hardware PIC board. Soldeerwerk latch boards
baskant.
- 13.09.2004: Pic1 getest: blijkt bugs te hebben... alle noten blijven plakken.
Premiere Moniek's performance met de onaffe Ake.
- 14.09.2004: Bedrading voeding melodiekant. Initieel af te regelen op 12V.
Blauwe LED gemonteerd op melodiekant boards.
- 15.09.2004: Bedrading data en adres lines melodiekant. Uitlijnen inox chassis
elektromagneten melodiekant. We wachten nog steeds de levering af van de Lucas
Ledex elektromagneten...
- 16.09.2004: Konstruktie veerlijst baskant. De bestaande veertjes blijken
niet sterk genoeg om de blaasdruk op de kleppen te weerstaan en hen dicht
te houden. De werkdruk (70mm H2O) is wellicht ook wat groter dan wat normaal
in een akkordeon aan druk wordt opgebouwd.
- 17.09.2004: Eindelijk levering Lucas Ledex duwmagneten voor de melodiekant.
Meteen gemonteerd en klavierkant afgelast.
- 18.09.2004: Integrale dag gesoldeerd aan de elektromagneten en bedrading
melodiekant.
- 19.09.2004: Montage gesoldeerde en volledig bedrade melodiekant (Vorsetzer)
op de toetsen. PIC1 opnieuw gebrand. LED flitst nu wel bij het opstarten.
- 20.09.2004: aanmaak en aanleg kabelbomen. Datalines flatcable vervangen
wegens korsluiting op een van de knijpkonnektoren.
- 21.09.2004: afregeling onderste trakturen baskant.
- 22.09.2004: plexiglas beschermvenster gemaakt over elektromagneten melodiekant.
- 23.09.2004: zoektocht naar transparante zelfklevende zacht PVC dopjes, diameter
ca. 6mm.
- 24.09.2004: Debug mikrokode PIC1 met Johannes Taelman.
- 25.09.2004: afregeling trakturen baskant: noten 19-42. Korrektie hardware
bug PIC2: pin 20 lag niet aan +5V! Experimenten met dempingsmateriaal voor
de terugslag van de melodie-elektromagneten.
- 28.09.2004: GMT interface voor tests afgewerkt.
- 29.09.2004: Nieuwe soft voor PIC2 ingeladen. De 4-wegmengkraan werkt nu,
maar heeft nog teveel last van hysteresis.
- 30.09.2004:Verdere afregeling trakturen baskant. Demping met silicone-gel.
Afdichting met rubber tochtband aan melodiekant.
- 01.10.2004: Pic tests en test afdichtingen.
- 02.10.2004: Trekveren gemonteerd op baskant elektromagneten. Transparante
terugslagdempers gekleefd op polyacrylaat beschermpaneel melodiekant. Ake
speelt zijn eerste tango! PIC2 blijft onbetrouwbaar reageren op de controller
7 kommandos. Nu eens doet ie het, dan weer niet... Uit te zoeken.
- 03.10.2004: Terugslagdempers op beschermpaneel afgewerkt. Luchtafdichting
boor en konstruktiegaatjes in windlade.
- 05.10.2004: Verdere detail debug van de PIC2 mikrokode.
- 08.10.2004: afwerking stuurstang.
- 18.10.2004: tests met PIC kode V1.1. Nog steeds bugs.
- 19.10.2004: eerste try out van "Aux Arbres", voor Hurdy en Ake.
Premiere 'Ake Birthday' van Barbara Buchowiec.
- 22.10.2004: mechanisme windklepsturing verbeterd: tegengewicht aangebracht
voor terugkeer naar de nul-stand en kabel vervangen door fietsremkabeltje
in gevlochten staaldraad.
- 02.11.2004: PIC 1 vervangen door versie 1.1. Lijkt te werken: geen plaknoten.
Puls-sturing voor de melodienoten blijft echter wenselijk. Bij blaaswind is
minder kracht nodig dan bij zuigwind. Pic 2 problemen blijven op te lossen...
- 18.11.2004: Ake PIC debug sessie met Johannes Taelman.
- 19.11.2004: Bugs hard/soft in Ake solved. Enkele bedradingsfouten in de
midi-in kringen gekorrigeerd. Er waren serieuze glitches in de 5V voor PIC2
vanzodra de windklep PWM aktief werd. Een serieweerstand van 10 Ohm in de
PIC voeding bleek een adekwate remedie.
- 20.11.2004: Evaluatie en test nieuwe PIC firmware. Motor controller gaat
niet volledig uit bij value = 0. Regelklep heeft nood aan een feedbacksturing,
wellicht met een ADXL202 sensor. De elektromagneten aan de melodiekant hebben
toch wat meer kracht nodig. Daardoor is de diskant te stil tegenover de bas.
De baskant reageert, om mechanische redenen, wat te traag.
- 21.11.2004: test en evaluatie sessie. Domme massa aan windventiel uitgevoerd
met een messing bol.
- 26.11.2004: verdere ontwikkeling kode voor PIC2: pwm sturing kleppen. Overleg
met Johannes Taelman.
- 30.11.2004: Montage ADXL202 positiesensor op as windklep.
- 01.12.2004: Werkdag Johannes Taelman sensorkode voor windklep.
- 02.12.2004: software ontwikkeling positiefeedback mechanisme.
- 04.12.2004: opname kracht/positiekurves windklep met sensor.
- 14.12.2004: Johannes Taelman: ontwikkelingswerk PID controller voor windklep.
- 19.12.2004: Fuzzy Harmony Study #12 adapted for playing on Ake
- 28.12.2004: snaaraandrijving windklep vervangen door een tandriem en tandwiel
(CTB24XLO37) op de as. Dit loopt soepeler en heeft minder hysteresisch dan
de eerdere koppeling met een staalkabeltje doorheen de as. PID regeling waarbij
telkens slechts 1 van beide spoelhelften via PWM aangestuurd wordt, belooft
wel beter te werken.
- 30.12.2004: afwerking tandsnaarkonstruktie.
- 05.01.2005: meetsessie windklep met positiesensor en nieuwe mechanika.
- 11.03.2005: PID regeling nog steeds wachtende op implementatie door Johannes
Taelman...
- 14.03.2005: Meetsessie Johannes voor windklep.
- 27.06.2005: Wijzigingen in opbouw sopraankant: de hoek tussen magneten en
toetsen wordt rechtstandiger gemaakt ter beperking van de wrijvingsverliezen.
Voorbereiding voor PWM implementatie van de toetsbesturingsmagneten teneinde
een groter trajekt en kracht bij de aanslag van de noten te krijgen. Mits
PWM wordt toegepast kan de positieve aanslagspanning verhoogd worden tot 24V.
Als houdspanning is 12V (50% PWM) ruim voldoende.
- 30.06.2005: Sopraanklavier verder herbouwd en voorzien van polyamide aandrukcilinders,
buitendiameter 14mm, gedraaid op de draaibank. Eerste toetsenrij: 13mm hoog,
gatmaat 1.6mm, gatdiepte 7mm. Tweede rij: 10mm hoog, gatmaat 1.6mm, gatdiepte
7mm. Derde rij: geen cilinders. Voor een goed indrukken is een voedingsspanning
van 30V nodig... Pulsduur 40ms maximaal. De duty cycle voor note-hold moet
dan geprogrammeerd worden op 40%.
- 01.07.2005: Nieuwe specifikatie van de firmware. Overleg met Johannes Taelman
daarover.
- 20.07.2005: Nieuwe firmware klaar voor de melodie latch PIC. Te testen.
- 27.07.2005: Bij tests nieuwe firmware sneuvelde een mosfet en solenoid (laagste
noot melodiekant...)
- 29.07.2005: reparatie hardware... mosfet IRL640, latch 74HCT574 and solenoid
replaced for note 49.
- 05.08.2005: Nieuwe poging tot herprogrammatie firmware voor de PWM sturing
van de note latches... Nog niet echt bevredigend.
- 08.08.2005: Nieuwste versie van de firmware voor de noten PIC lijkt nu naar
behoren te werken. De 100% duty cycle puls duurt nu 10ms. Daarna valt (voor
de hold) de PWM terug op 25%.
- 10.08.2005: Ake tests in muzikale toepassingen door Kristof Lauwers en Sebastian
Bradt.
- 14.08.2005: problemen met de windsturing van ake: controller 1 wordt niet
steeds goed ontvangen of verwerkt door de PIC.
- 19-20.08.2005: Ake premiere in Zwitserland: Festival van Ruemlingen
- 03.09.2006: Teflon pads gemaakt 12mm doorsnede met een centraal gaatje van
1.3mm voor de derde rij knoppen vvan de melodiekant. Het mechanisme blijft
evenwel veel bijgeluiden produceren.
- 09.10.2006: ontwerp montage van melexis sensoren op de as van de regelklep.
- 15.12.2006: New type Siemens Sinamics controller G110, 0.12kW has arrived.
- 11.07.2007: Nazicht Ake voor transport op de Gentse Feesten.
- 17.01.2008: Opname solo demo stukje van Moniek Darge voor de CD lonely robots.(LPD)
- 01.08.2008: Bespreking met Johannes Taelman van een eventueel nieuw ontwerp
voor de besturing van de 4-weg mengkraan middels een stappenmotor.
- 14.08.2008: Konstruktie chassisplaat voor de montage van een Siemens Sinamics
motorcontroller. Start volledige revizie. Dit is nog de oude file.
Enkele jaren na de afwerking van het eerste werkende prototype, kreeg <Ake>
een broertje, <Bako>, in de vorm van een heus
basakkordeon, deze keer met mechanisch bewegende balg....
Last update: 2008-08-15
by Godfried-Willem Raes
Technical data sheet and maintenance instructions:
Technische gegevens en instrukties voor onderhoud en demontage:
- Motor/compressor specs: Laukhuff Ventola , 80mm H2O.
Serienummer: 30 642 Va. Type 2.5/70. Bestelnummer Laukhuff katalogus: 6 125
70. Prijs (2004): 893 Euro.
- Solenoids baskant: 24V, Laukhuff voor de bassen, via inox trakturen. Specs:
4.9 Newton bij 5mm trajekt, 9.8 Newton bij 2.5mm. Gelijkstroomweerstand: 140
Ohm, stroom 170mA. Laukhuff bestelnummer 300110.
- Solenoids melodiekant: Lucas Ledex STA 13x27 Tubular Push types 195223-2-34
voor de diskant. Gelijkstroomweerstand:37.4 Ohm. Uitvoering met 60 graden
anker, vrij roterend. Diameter:13mm, bouwhoogte: 27mm. Gatmaat voor de bevestiging:
10mm. Schroefdraad: M10 x 0.75. Toelaatbare bedrijfsspanning bij 100% duty
cyle: 12.2V - kracht: 0.27-0.58N, bij 50% duty cycle: 17.3V - kracht: 0.62-1,11N,
bij 25% duty cycle: 24V, kracht: 1.38 - 2.14N, en bij 10% duty cycle 39V,
kracht 3.07 - 4.18N. ( 32$ per stuk, ca. 12€ per stuk in grotere aantallen).
Te bestellen bij Saia-Burgess Benelux (Mechelse Steenweg 277, 1800 Vilvoorde)
- Registratie: twee Laukhuff traktuurmagneten type 300810 (24V/410mA). Kracht
10 Newton. Nominaal trajekt: 10mm. Gelijkstroomweerstand 59 Ohm. Bestelnummer
Laukhuff: 300810.
- Besturingsmagneet 4-weg mengkraan (mixing valve): solenoid Laukhuff traktuurmagneet:
24Newton, bidirektioneel. Spanning 24V, 1A. Trajekt 15 tot 25mm.
- Video kamera: B-Cam21C (PAL) color. Voeding: 9-12V DC, 36mA. Standaard video
out 1Vpp - 75 Ohm. Resolution: 628 Hor, 582 Ver. Sensitivity: 3 lux. Openingshoek:
52x43 grad. Fokus: f = 6.0, diafragma F = 1.6. Beeldsensor: OV7910. S/R >=
48dB. Dynamic range > 72dB.
- 5V/12V SMPS: 5V-4A and 12V-1.5A Pmax <= 35W
- Lampjes: Halogeen 12V - 20W, Osram Halostar Starlite, fitting G4. . Beide
lampen staan in serie geschakeld en branden op halve spanning. Wanneer deze
stukgaan moeten ze onverwijld worden vervangen: ze garanderen de minimale
belasting gespecifieerd door de fabrikant van de Sunpower voedingseenheid!
- Transparante terugslagdempertjes gekleefd op het plexiglas (polyacrylaat)
paneel dat de melodie solenoiden afschermt: Bricobi, Dambordstraat 26, 1000
BRUSSEL. 'Patins adhesifs anti-chocs', 28 stuks per verpakking, diameter 8mm.
Bestelkode: COD 175-7863.
- Demontage en onderhoud:
- 1. de baskant is op de windlade van binnenuit vastgelijmd met siliconerubber.
Om de rieten van de baskant te bereiken moet de melodiekant van de windlade
worden losgenomen. Deze is met rubber tochtband afgedicht en kan losgenomen
worden.
- 2. De mengkraan kan langs beide kanten worden geopend voor reiniging
en onderhoud. Markeer goed de posities en de bevestiging want de kraan
sluit maar op een enkele wijze goed af. De smering van de bewegende delen
mag uitsluitend gebeuren met Rhodorsil Pate 408 van Rhone Poulenc. Geen
smeerolie of vet gebruiken.
- 3. De besturingseenheid aan de baskant is met 1 enkele M12 inox inbus
bout vastgemaakt op de hoofdkonstruktie. Om ze los te nemen moeten alle
konnektoren eerst worden gelost.
- 4. Het stuur/handvat is met 1 enkele M20 inox bout en een veer verbonden
met de basisplaat. Het stuur moet worden losgemaakt om de kompressor te
kunnen verwijderen/vervangen.
- 5. Wanneer de robot om een of andere reden ondersteboven moet worden
geplaatst, moet hij worden ondersteund op de windlade zelf. Het uitstekend
30x30 inox profliel met de baskant elektromagneten mag niet worden gebruikt
om het gewicht van de machine te dragen daar het uitsluitend op de lichte
houten struktuur van het akkordeon is bevestigd.
DIN connectors for midi IN and THRU:
