Synthelog
In 1978 bracht Texas Instruments een voor die tijd revolutionaire chip uit: de SN76477, een 'complex sound generator'. In die chip die zowel analoge secties als in I2L geimplementeerde digitale sekties omvatte, waren een heleboel funkties samengebracht die voor elektronische klankopwekking konden worden gebruikt. De hybride chip was in eerste plaats ontwikkeld om te worden toegepast in pinball machines en arcade spelletjes. Het onderdeel werd onder meer in groten getale op de markt gebracht door Radio Shack en zo waren ook wij er als de kippen bij om rond die chip eenvoudige synthesizers te ontwerpen. We waren zeker niet de enigen die de perspektieven van dit nieuwe kleinnood zagen en het duurde dan ook niet al te lang voor hij her en der toepassing vond in de wereld van de live-elektronische muziek. Voor ons werd deze komponent het begin van een hele reeks nieuwe synthesizer ontwerpen voor wat we de 'Synthelog' doopten, een hele reeks kleine handzame en ook goedkope synthesizers.
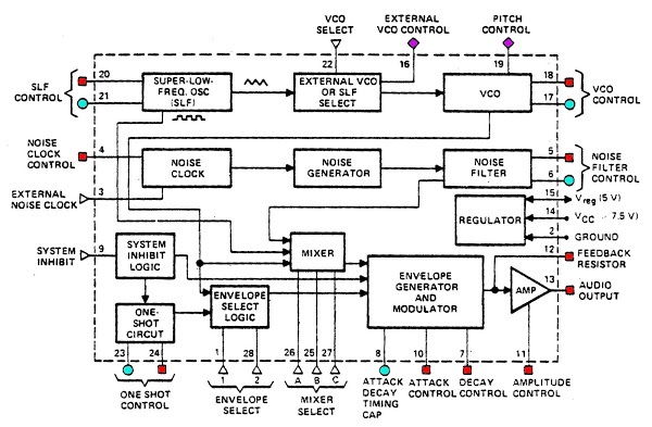
Hier is een overzicht van wat in de chip werd geimplementeerd:
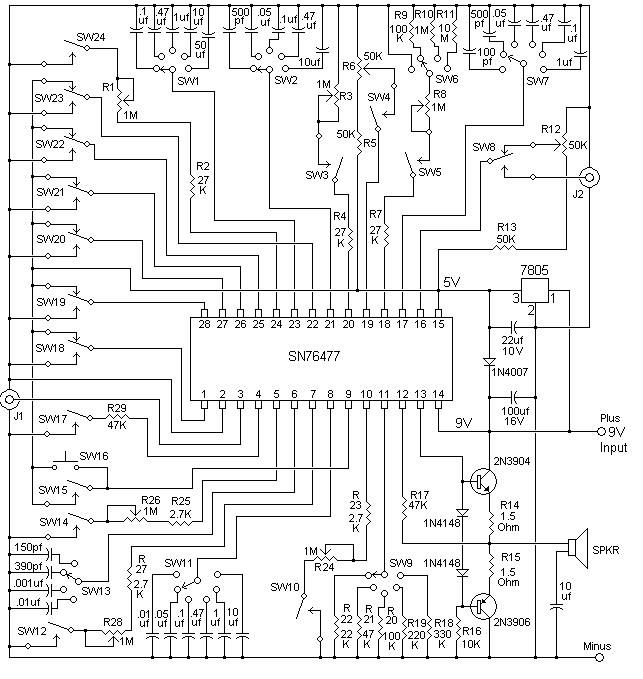
De door de fabrikant
gepubliceerde evaluatie schakeling, de basis en het vertrekpunt voor zowat alle
ontwerpen, zag eruit alsvolgt:

Een scan van het originele data-sheet van Texas Instrumennts is te vinden
via deze scan. Het door Radio Shack bijgeleverde data-sheet, op
een aantal punten verschillend, hier. Op de pennen 28,27,26,25,23,1,en 9
verwacht de chip digitale signalen met TTL niveaus. R6 (aan pin 19) en R15 (aan
pin 16) zorgen in het schema hierboven voor spanningsgestuurde signalen in het
bereik 0 tot 2.5V. Van een 1 V/oktaaf karakteristiek is hier echter geen sprake.
Aan de pinnen 24, 20,19, 18, 11, 10, 7, 5, 4 worden weerstanden verwacht en
tot slot kondensatoren op de pinnen 23, 21, 17, 8 en 6. Hoewel de chip ook een
eigen 5V spanningsregulator aan boord heeft, bleek die toch onvoldoende stabiel
om als spanningsbron voor de spanningsgestuurde onderdelen te dienen. Bovendien
was de maximale uitgangsstroom, met zo'n 10mA, ook aan de erg krappe kant. Vandaar
dat zelfs de evaluatieschakeling van Texas, een externe 5V regulator omvat.
Op de eindtrap valt ook wel een en ander aan te merken, niet in het minst het
ontbreken van een volumeregelaar. Deze eindtrap wordt dan ook in zowat alle
ontwerpen beter vervangen door een power-opamp (LM380 of OP50 bvb.) en eventueel
een toonregeling of zelfs een equaliser.
Een aantal uitbreidingen lagen voor de hand: een kleine sequencer kon worden
toegevoegd met een 555 als klokgenerator en een TTL binaire teller (bvb.7493),
een frekwentie naar spanningomzetter (gebruik makend van een tacho chip zoals
de LM2907), en een ringmodulator, gebruik makend van een multiplier chip van
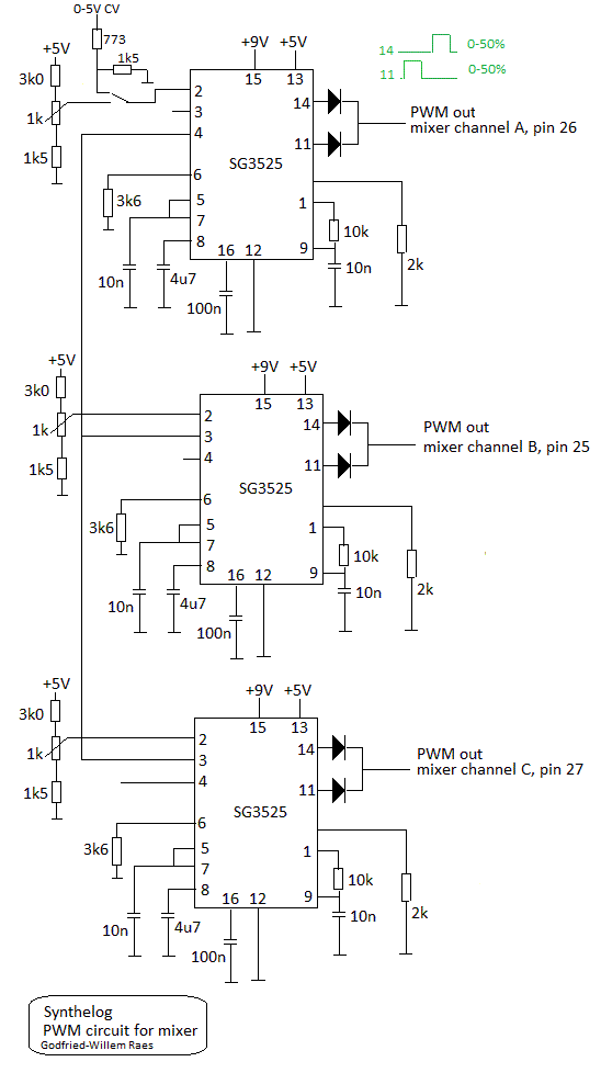
Analog Devices. De wat primitieve mixer in de chip hadden we kunnen verbeteren
bij middel van 3 PWM generatoren, maar aangezien dat de afmetingen van het board
veel zou vergroot hebben we dat nooit verder dan schematisch uitgewerkt, al
lieten we de mogelijkheid open door naast de kipschakelaars ook mini-jacks voor
externe signalen op de betreffende pennen aan te sluiten. Drie SG3525
chips maken de implementatie van een volwaardige mixer mogelijk. De PWM basisfrekwentie
moet dan wel >20kHz worden genomen en de oscillators van de drie chips moeten
in sync mode opereren. De PMW frekwentie moet wel <100kHz, want dat is het
maximum dat de sound generator aankan. Hier is een mogelijke en uitgewerkte
schakeling voor de mixer besturing met 40kHz PWM:
De 1k potmeters vormen hier
de volumeregelaars voor de drie mixer-kanalen. Het regelspanningsbereik op pin
2 van de chip loopt van ca. 0.6 V tot 3.3 V. Vandaar de spanningsdeler in het
schema. Uiteraard hadden we hier ook externe spanningssturing kunnen toepassen,
een mogelijkheid die we in het schema bij de eerste chip -links boven- ook aangaven..
De frekwentie naar spanningsomzetter is uitermate eenvoudig en maakt gebruik
van een standaard tacho-meter chip: :
Ook de sequencer blinkt uit door eenvoud:
Mits
gebruik van een of meer 74164 chips in plaats van de 7493, kan ook een sequencer
van willekeurige lengte en met individueel regelbare stapjes worden gemaakt.
Daar zijn dan wel heel wat potmeters voor nodig...
In een aantal van onze ontwerpen voorzagen we ook in de toevoeging van een nagalmveer, of in een galmschakeling gebruik makend van bucket-brigade delay lines. Ook in de EMS VCS3 synth was per slot van rekening een veer-galm ingebouwd.
Hoewel we ook druktoetsklavieren bouwden voor de bespeling van deze synthesizers, bleek dat de stabiliteit van de oscillatoren toch onvoldoende was om ze echt goed te kunnen stemmen. Voor onze toepassingen was dat echter niet zo'n groot bezwaar aangezien we er toch geen tonale muziek op wilden kunnen spelen.
Synthelog 1
:
Om de bespeling en de
uitvoering van diverse komposities mogelijk te maken, werden 'patch-papers'
gestencild waarop de patches en de stand van alle knopjes kon worden opgetekend.
De volledige reeks patchpapers -eigenlijk dus de partituur- is voor stukken
zoals 'Sotto Voce' volledig bewaard. Zoals te zien op de foto, kunnen de patch-papers
in het deksel worden geplaatst.
Synthelog 2:
Gebouwd in 1978 als een kleinere maar niettemin uitgebreidere versie van het
eerste model. Omdat de voedingstranformator in 2018 de geest bleek te hebben
gegeven, vervingen we de voeding door een moderne XP module 90-230V naar 12V
- 2.1A. Dit exemplaar werkt weer helemaal perfekt. Ook voor deze synth werden
gestencilde patch-sheets aangemaakt om de notatie van komposities voor deze
synth mogelijk te maken.
Synthelog III:
Deze versie is een tot het uiterste gereduceerde uitgave. Ze werd ontwikkeld om te kunnen worden gebruikt als elektronisch instrumentarium in onze 'Filharmonie van Gent'.
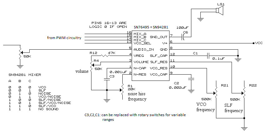
Voor een hele reeks
van deze mini-modellen maakten we gebruik van een nieuwere, maar wat uitgeklede
versie van de oorspronkelijke SN76477 chip, met name de SN76495, identiek aan
de SN94281, op de markt gebracht door Radio Shack. Waarom en hoe die verwarrende
dubbele naamgeving tot stand kwam weten we niet. Deze chip omvat een VCO, een
LFO, een VCA, een mixer en een noise generator. Het ADSR gedeelte, aanwezig
in de oorspronkelijke chip, werd hier geheel weggelaten. Een PDF
van het datasheet is hier te bekijken. De mogelijkheid tot spanningssturing
van het uitgangssignaal is hier een nieuw feature. De aanwezigheid van een pen
voor aansluiting van een extern audiosignaal eveneens. Het mixer-gedeelte is
identiek aan dat van de originele chip en kan dus perfekt worden aangestuurd
door onze hoger getekende PWM schakeling met spanningssturing. Hier is een mogelijke
schakeling: 
Synthelog IV:
Dit werd het grootste model Synthelog, een model waarin twee SN76477 chips en heel wat extra schakelingen werden gebruikt. Deze synth werd niet voorzien van een ingebouwde luidspreker en moet dus op een geluidsinstallatie worden aangesloten. In het ontwerp is ook een joystick opgenomen waarmee verschillende spanningsgestuurde modules van de synth kunnen worden bestuurd.

Synthelog - Kids:
Van dit 'kindermodel' bouwden we een tiental exemplaren, in sterk varierende kleurige behuizingen, die we verkochten voor gebruik in diverse ateliers voor kreatief musiceren. Alle patch-kabels werden in dit ontwerp vanwege hun kwetsbaarheid weggelaten.
Een aantal van
deze kindermodellen maken gebruik van de SN94281 chip.
Synthelog V:
Dit is een miniatuur exemplaar, gebruik makend van de originele SN76477 chip, waarbij de diverse potentiometers werden vervangen door op het front aangebrachte LDR's. Aan de zijkant werd een piezo transducer bevestigd waarmee trillingen van externe voorwerpen als stuursignaal kunnen worden gebruikt. De eerste objekten die we daarbij voor ogen hadden, waren lange spiraalveren.
In totaal hebben we bij Stichting Logos meer dan honderd van deze Synthelog's gebouwd en verkocht. Ook een bouwpakket versie werd verdeeld van 1979 tot 1981 en vormde een belangrijke bron van inkomsten voor Stichting Logos, dat het immers geheel zonder subsidies moest zien te beredderen.
Godfried-Willem Raes
Gent, 1978
Maintenance notes:
1978: Synthelog 1
13.10.2018: Synthelog I checked: the sequencer is not working and needs repair.
Other functions are o.k.
17.10.2018: Synthelog II repaired. XP-power module built in with figure 8 connector.
AC-input wiring on the 5pole DIN plug removed. Battery powering via pins 1 and
3 still possible.
20.10.2018: Synthelog 5 tested: needs servicing as some wires got loose.
28.04.2018: Erfgoeddag: Exhibition and demonstration of quite a few Synthelog's.
29.04.2019: Mains toggle switch on Synthelog I replaced.It's back in perfect
working condition now.
last revision: 29.04.2019